ДЗ: Печатная плата и трассировка по электрической схеме Простой самодельный светофор вариант 5
Новинка
Описание
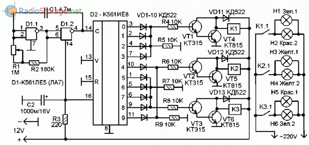
Сделать библиотеку компонентов (УГО и посадочные места) для принципиальной электрической схемы системы "Простой самодельный светофор " на рисунке. Также собрать такую же схему в P-CAD,выполнить прямую и ортогональную трассировки ручным и автоматическим способами.
В материале есть все файлы программы P-CAD а также итоговый отчёт.
Характеристики домашнего задания
Учебное заведение
Семестр
Вариант
Просмотров
4
Размер
4,18 Mb
Преподаватели
Список файлов
Отчет.docx
Отчет.docx
СВЕТОФОР АВТО ОРТ.BAK
СВЕТОФОР АВТО ОРТ.PCB
СВЕТОФОР АВТО ПР.PCB
СВЕТОФОР АВТО ПР.PRF
СВЕТОФОР РУЧ ОРТ.BAK
СВЕТОФОР РУЧ ОРТ.PCB
СВЕТОФОР РУЧ ПР.BAK
СВЕТОФОР РУЧ ПР.PCB
СВЕТОФОР.BAK
СВЕТОФОР.ECO
СВЕТОФОР.PCB
СВЕТОФОР.PRF
СВЕТОФОР.SCH
СВЕТОФОР.STR
СВЕТОФОР.net
CAPACITOR.BAK
CAPACITOR.Sym
CAPACITOR.pat
CAPACITORS.lib
CAPACITOR_ELECTR.Sym
CAPACITOR_ELECTR.pat
CHIP.lib
DIODE.BAK
DIODE.Sym
DIODE.pat
DIP14.pat
DIP16.BAK
DIP16.pat
K561ИE8.Sym
KEY.Sym
Комментарии
Нет комментариев
Стань первым, кто что-нибудь напишет!
МГТУ им. Н.Э.Баумана
















