🌞Основы электротехники
Описание
Тема 1. Проводники и диэлектрики в электрическом поле. Электрический ток
Тема 2. Простые и сложные электрические цепи постоянного тока
Тема 3. Магнитные цепи и электромагнитная индукция
Тема 4. Основные сведения о синусоидальном электрическом токе
Тема 5. Резонанс в электрических цепях
Тема 6. Трехфазные цепи
Итоговая аттестация
Цифровые сигналы близки к прямоугольным и имеют два фиксированных уровня: …
низкий с символом «0» и высокий с символом «1»
низкий с символом «1» и высокий с символом «о»
низкий с символом «-1» и высокий с символом «1»
«+» (низкий) и «-» (высокий)
Компенсационные стабилизаторы состоят из трех основных частей, таких как … (укажите 3 варианта ответа)
источник опорного напряжения
сравнивающий усиливающий элемент
регулирующий элемент
трансформатор
выпрямитель
Расположите характеристики коэффициента полезного действия, коэффициента преобразования (передачи) и коэффициента усиления в порядке перечисления этих коэффициентов в задании:
1 определяется как отношение выходной мощности, отдаваемой усилителем в нагрузку, к общей мощности
2 определяется как отношение выходного сигнала к входному
3 определяется как отношение выходного сигнала к входному в случае, когда значения входного и выходного сигналов однородны
Вход, напряжение на котором сдвинуто по фазе на 180° относительно выходного напряжения, – это … вход
Генератор … сигналов – это устройство, предназначенное для формирования импульсов различной формы
Если фазы колебаний на входах дифференциального усилителя отличаются на 180°, то сигнал называется …
периодическим
импульсным
синфазным
противофазным
Искажения формы выходного сигнала, вызванные нелинейностью вольтамперной характеристики активных приборов, используемых в усилителе, – это … искажения.
Установите соответствие понятий и их определений:
A. Дифференциальный усилитель
B. Операционные усилители
C. Усилители постоянного тока
D. усилительный каскад, используемый для усиления разности напряжений двух входных сигналов
E. высококачественные усилители постоянного тока, предназначенные для выполнения различных операций над аналоговыми величинами при работе в схеме с обратной связью
F. усилители, способные усиливать сигнал, меняющийся сколь угодно медленно во времени
Ключевой режим транзистора характеризуется двумя состояниями, такими как режим отсечки и режим …
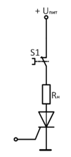
На рисунке ниже приведен способ отпирания динисторов …
для пускового импульса положительной полярности
для пускового импульса отрицательной полярности
через импульсный трансформатор
На схеме (см. рисунок ниже) показан такой способ запирания тринисторов в цепи постоянного тока, как запирание …
разрывом анодной цепи
шунтированием прибора
увеличением сопротивления в анодной цепи
коммутирующим конденсатором
В усилителях с преобразованием сигнала входной сигнал, …; такая операция выполняется с помощью модулятора
медленно меняющийся во времени, преобразуется в переменный сигнал повышенной частоты
быстро меняющийся во времени, преобразуется в постоянный сигнал повышенной частоты
медленно меняющийся во времени, сигнал преобразуется в переменный сигнал пониженной частоты
Установите соответствие устройства и его описания:
A. Генератор линейно изменяющегося напряжения
B. Блокинг-генератор
C. Электронный ключ
D. устройство, напряжение на выходе которого в течение некоторого времени изменяется по линейному закону
E. устройство, предназначенное для получения мощных импульсов малой длительности (от долей микросекунды до долей миллисекунды) и скважностью до нескольких десятков тысяч
F. устройство, предназначенное для формирования импульсных сигналов
Последовательностное логическое устройство, используемое для хранения n-разрядных двоичных чисел и выполнения преобразований над ними, – это …
В зависимости от режима работы регулирующего элемента стабилизаторы разделяют на …
непрерывные и импульсные
сравнивающие и усиливающие
операционные и полевые
Расположите виды идеализированных импульсов в порядке в котором они изображены на рисунке ниже (слева направо):
1 трапецеидальный
2 прямоугольный
3 треугольный
4 пилообразный
5 колоколообразный
Установите правильный порядок процесса работы усилителя постоянного тока с преобразованием сигнала:
1 входное напряжение Uвх
2 модулятор
3 усилитель переменного напряжения
4 демодулятор
5 выходное напряжение Uвых
Установите соответствие видов усилителей и их описаний:
A. Избирательный усилитель
B. Резонансный усилитель
C. Широкополосный усилитель
D. усилитель, предназначенный для усиления сигналов в узкой полосе частот
E. усилитель с резонансными контурами
F. усилитель, в котором коэффициент усиления остается практически постоянным в широкой частотной области
Напряжение … – это напряжение между анодом и катодом, при котором происходит переход тиристора в проводящее состояние.
пробоя
Установите соответствие понятий и их характеристик:
A. Аналоговая микросхема
B. Бескорпусная микросхема
C. Сверхбольшая интегральная схема
D. микросхема, которая обрабатывает сигналы, описываемые непрерывными функциями
E. интегральная схема, которая применяется для создания микросборок
F. интегральная схема, содержащая более 10 000 элементов
Установите соответствие понятия и его определения:
A. База биполярного транзистора
B. Канал полевого транзистора
C. Коллектор биполярного транзистора
D. средняя область транзистора
E. тонкий слой полупроводника n-типа, соединяющий исток и сток
F. вторая крайняя область, предназначенная для экстракции (изъятия) из базы неосновных носителей заряда
Установите соответствие режимов биполярного транзистора и их характеристик:
A. Основной режим биполярного транзистора
B. Режим насыщения биполярного транзистора
C. Режим отсечки биполярного транзистора
D. активный (нормальный) режим, при котором эмиттерный переход находится в открытом состоянии, а коллекторный – в закрытом
E. режим, при котором оба перехода открыты
F. режим, при котором оба перехода закрыты
Установите соответствие тиристоров и их характеристик:
A. Диодный тиристор (динистор)
B. Триодных тиристор
C. Однооперационный тиристор
D. Двухоперационный тиристор
E. в таких тиристорах переход прибора из закрытого состояния в открытое связан с тем, что напряжение между анодом и катодом достигает некоторой граничной величины – параметра прибора
F. в таких тиристорах управление состоянием прибора производится по цепи третьего, управляющего электрода; по этой цепи при этом могут выполняться либо одна, либо две операции изменения состояния тиристора
G. в таких тиристорах по цепи управляющего электрода осуществимо только отпирание тиристора (с этой целью на управляющий электрод подается положительный относительно катода импульс напряжения)
H. такие тиристоры допускают по цепи управляющего электрода как отпирание, так и запирание прибора (для запирания на управляющий электрод подается отрицательный импульс напряжения)
Установите соответствие устройств, составляющих элементы структурной схемы источника питания без преобразователя частоты, и назначения этих устройств:
A. Трансформатор
B. Выпрямитель
C. Сглаживающий фильтр
D. Стабилизатор
E. предназначен для гальванической развязки питающей сети и нагрузки, а также для изменения уровня переменного напряжения
F. преобразует переменное напряжение в напряжение одной полярности (пульсирующее)
G. уменьшает пульсации напряжений на выходе выпрямителя
H. уменьшает изменения на нагрузке, вызванные изменением напряжения сети и изменением тока, потребляемого нагрузкой
… характеристика усилителя – это зависимость модуля коэффициента усиления от частоты входного сигнала.
Амплитудно-частотная
Фазочастотная
Амплитудно-фазовая характеристика
Амплитудная
Устройство, которое позволяет при наличии на входе колебаний с некоторым уровнем мощности получить на выходной нагрузке колебания той же формы, но с большим уровнем мощности, – это … электрических сигналов.
… напряжение (ЛИН) – это напряжение, которое в течение промежутка времени, называемого рабочим ходом, изменяется по линейному закону, а затем в течение промежутка времени, называемого обратным ходом, возвращается к исходному уровню
Установите соответствие частей интегральной схемы (ИС) и их характеристик:
A. Элемент
B. Компонент
C. Корпус
D. часть ИС, которая часть не может быть отделена от кристалла или подложки, выполнена нераздельно от него, поэтому ее нельзя испытать, упаковать и эксплуатировать как самостоятельное изделие
E. часть ИС, которая может быть выделена как самостоятельное изделие
F. часть конструкции ИС, которая защищает кристалл от внешних воздействий
Чтобы успешно выполнять свои функции, операционный усилитель, помимо требований к усилению и полосе пропускаемых частот, должен … (укажите 2 варианта ответа)
иметь максимально возможное входное сопротивление
обладать очень высоким выходным сопротивлением
усиливать сигнал в основном диапазоне частот как с изменением фазы, так и без него
Выходное напряжение Uдр усилителя при отсутствии входного сигнала - это дрейф ... –
Коэффициент полезного действия стабилизатора ηст — это отношение ...
мощности, отдаваемой в нагрузку Рн. к мощности, потребляемой от входного источника напряжения Рвх
изменения постоянного напряжения на выходе стабилизатора ΔUвых
К изменению постоянного выходного тока стабилизатора Δiвых. которое вызвало изменение выходного напряжения
амплитуды низшей (основной) гармоники выходного напряжения Um к
среднему значению выходного напряжения Ucр
... характеристика усилителя - это построенная в полярной системе координат зависимость коэффициента усиления и фазового сдвига усилителя от частоты; она представляет собой годограф комплексного коэффициента K(jω)
Амплитудно-частотная
Фазочастотная
Амплитудно-фазовая
Амплитудная
Режим отсутствия сигнала принято называть режимом … усилителя.
… площадки – это металлизированные участки на кристалле, предназначенные для присоединения к выводам корпуса интегральной схемы
Согласно используемой сегодня классификации технологической степени интеграции, интегральная схема до 1000 элементов в кристалле – это … интегральная схема
средняя
большая
сверхбольшая
Ток управления … – это ток управления, при котором тиристор переходит на спрямленный участок вольт-амперной характеристики.
… – это комбинационное устройство, предназначенное для сложения чисел
Регистр
Сумматор
Мультиплексор
Триггер
… – это полупроводниковый прибор, имеющий три вывода: исток, сток, затвор.
… – это устройства, автоматически обеспечивающее поддержание напряжения на нагрузке с заданной степенью точности
Параметрические стабилизаторы
Аналого-цифровые преобразователи
Компенсационные стабилизаторы
Стабилизаторы напряжения
… – это устройство, обеспечивающее изменение характеристик сигнала (амплитуды, фазы, частоты и др.) по заданному закону
Коммутатор
Сумматор
Модулятор
… запоминающее устройство – это устройство, обеспечивающее режим записи, хранения и считывания информации в процессе ее обработки
К отличиям импульсных устройств от аналоговых относится то, что … (укажите 2 варианта ответа)
импульсные устройства более устойчивы к помехам
у импульсных устройств выше коэффициент полезного действия (КПД), потому что энергия не расходуется в промежутках между импульсами
на работу импульсных устройств больше влияет разброс параметров используемых приборов, поскольку транзисторы работают в ключевом режиме
у импульсных устройств более сложная конструкция
… интегральной схемы – это часть пластины, полученная после ее резки, когда на одной пластине выполнено несколько функциональных устройств.
… мощность – это мощность на выходе усилителя при работе на расчетную нагрузку и заданном коэффициенте гармоник или нелинейных искажений.
… обратная связь – это обратная связь, при которой сигнал на вход усилителя поступает в фазе со входным сигналом.
… переход – это электронно-дырочный переход между эмиттером и базой.
… повторитель – это повторитель напряжений, выполненный на одиночных транзисторах; выходное напряжение снимается с сопротивления, включенного в цепь истока полевого транзистора
… режим генератора – это режим, когда генератор формирует импульсный сигнал лишь по приходе внешнего (запускающего) сигнала
… схема (микросхема) – это микроэлектронное изделие, выполняющее определенную функцию преобразования, обработки сигнала, накапливания информации и имеющее высокую плотность электрически соединенных элементов (или элементов и компонентов), которые рассматриваются как единое целое
… тиристор (или симистор) – это прибор, позволяющий проводить ток в обоих направлениях.
В зависимости от формы генерируемых колебаний электронные генераторы делят на генераторы … (синусоидальных) колебаний и генераторы колебаний несинусоидальной формы – релаксационные (импульсные) генераторы
… упаковки элементов на кристалле – это число элементов, приходящихся на единицу площади.
Установите соответствие параметров полевых транзисторов и их характеристик:
A. Крутизна управляющей характеристики транзистора
B. Внутреннее сопротивление
C. Коэффициент усиления
D. основной параметр полевого транзистора, который показывает управляющее действие затвора (на выходных характеристиках)
E. показывает отношение изменения выходного напряжения к изменению выходного тока при постоянном напряжении на затворе
F. показывает, во сколько раз на анодный ток сильнее действует напряжение на сетке, чем напряжение анодаПоказать/скрыть дополнительное описание
Основы электротехники Тема 1. Проводники и диэлектрики в электрическом поле. Электрический ток Тема 2. Простые и сложные электрические цепи постоянного тока Тема 3. Магнитные цепи и электромагнитная индукция Тема 4. Основные сведения о синусоидальном электрическом токе Тема 5. Резонанс в электрических цепях Тема 6. Трехфазные цепи Итоговая аттестация Цифровые сигналы близки к прямоугольным и имеют два фиксированных уровня: … низкий с символом «0» и высокий с символом «1» низкий с символом «1» и высокий с символом «о» низкий с символом «-1» и высокий с символом «1» «+» (низкий) и «-» (высокий) Компенсационные стабилизаторы состоят из трех основных частей, таких как … (укажите 3 варианта ответа) источник опорного напряжения сравнивающий усиливающий элемент регулирующий элемент трансформатор выпрямитель Расположите характеристики коэффициента полезного действия, коэффициента преобразования (передачи) и коэффициента усиления в порядке перечисления этих коэффициентов в задании: 1 определяется как отношение выходной мощности, отдаваемой усилителем в нагрузку, к общей мощности 2 определяется как отношение выходного сигнала к входному 3 определяется как отношение выходного сигнала к входному в случае, когда значения входного и выходного сигналов однородны Вход, напряжение на котором сдвинуто по фазе на 180° относительно выходного напряжения, – это … вход Генератор … сигналов – это устройство, предназначенное для формирования импульсов различной формы Если фазы колебаний на входах дифференциального усилителя отличаются на 180°, то сигнал называется … периодическим импульсным синфазным противофазным Искажения формы выходного сигнала, вызванные нелинейностью вольтамперной характеристики активных приборов, используемых в усилителе, – это … искажения.
Установите соответствие понятий и их определений: A. Дифференциальный усилитель B. Операционные усилители C. Усилители постоянного тока D. усилительный каскад, используемый для усиления разности напряжений двух входных сигналов E. высококачественные усилители постоянного тока, предназначенные для выполнения различных операций над аналоговыми величинами при работе в схеме с обратной связью F. усилители, способные усиливать сигнал, меняющийся сколь угодно медленно во времени Ключевой режим транзистора характеризуется двумя состояниями, такими как режим отсечки и режим … На рисунке ниже приведен способ отпирания динисторов … для пускового импульса положительной полярности для пускового импульса отрицательной полярности через импульсный трансформатор На схеме (см.
рисунок ниже) показан такой способ запирания тринисторов в цепи постоянного тока, как запирание … разрывом анодной цепи шунтированием прибора увеличением сопротивления в анодной цепи коммутирующим конденсатором В усилителях с преобразованием сигнала входной сигнал, …; такая операция выполняется с помощью модулятора медленно меняющийся во времени, преобразуется в переменный сигнал повышенной частоты быстро меняющийся во времени, преобразуется в постоянный сигнал повышенной частоты медленно меняющийся во времени, сигнал преобразуется в переменный сигнал пониженной частоты Установите соответствие устройства и его описания: A. Генератор линейно изменяющегося напряжения B.
Блокинг-генератор C. Электронный ключ D. устройство, напряжение на выходе которого в течение некоторого времени изменяется по линейному закону E. устройство, предназначенное для получения мощных импульсов малой длительности (от долей микросекунды до долей миллисекунды) и скважностью до нескольких десятков тысяч F. устройство, предназначенное для формирования импульсных сигналов Последовательностное логическое устройство, используемое для хранения n-разрядных двоичных чисел и выполнения преобразований над ними, – это … В зависимости от режима работы регулирующего элемента стабилизаторы разделяют на … непрерывные и импульсные сравнивающие и усиливающие операционные и полевые Расположите виды идеализированных импульсов в порядке в котором они изображены на рисунке ниже (слева направо): 1 трапецеидальный 2 прямоугольный 3 треугольный 4 пилообразный 5 колоколообразный Установите правильный порядок процесса работы усилителя постоянного тока с преобразованием сигнала: 1 входное напряжение Uвх 2 модулятор 3 усилитель переменного напряжения 4 демодулятор 5 выходное напряжение Uвых Установите соответствие видов усилителей и их описаний: A.
Избирательный усилитель B. Резонансный усилитель C. Широкополосный усилитель D. усилитель, предназначенный для усиления сигналов в узкой полосе частот E. усилитель с резонансными контурами F. усилитель, в котором коэффициент усиления остается практически постоянным в широкой частотной области Напряжение … – это напряжение между анодом и катодом, при котором происходит переход тиристора в проводящее состояние. пробоя Установите соответствие понятий и их характеристик: A. Аналоговая микросхема B. Бескорпусная микросхема C. Сверхбольшая интегральная схема D. микросхема, которая обрабатывает сигналы, описываемые непрерывными функциями E. интегральная схема, которая применяется для создания микросборок F.
интегральная схема, содержащая более 10 000 элементов Установите соответствие понятия и его определения: A. База биполярного транзистора B. Канал полевого транзистора C. Коллектор биполярного транзистора D. средняя область транзистора E. тонкий слой полупроводника n-типа, соединяющий исток и сток F. вторая крайняя область, предназначенная для экстракции (изъятия) из базы неосновных носителей заряда Установите соответствие режимов биполярного транзистора и их характеристик: A. Основной режим биполярного транзистора B. Режим насыщения биполярного транзистора C. Режим отсечки биполярного транзистора D. активный (нормальный) режим, при котором эмиттерный переход находится в открытом состоянии, а коллекторный – в закрытом E.
режим, при котором оба перехода открыты F. режим, при котором оба перехода закрыты Установите соответствие тиристоров и их характеристик: A. Диодный тиристор (динистор) B. Триодных тиристор C. Однооперационный тиристор D. Двухоперационный тиристор E. в таких тиристорах переход прибора из закрытого состояния в открытое связан с тем, что напряжение между анодом и катодом достигает некоторой граничной величины – параметра прибора F. в таких тиристорах управление состоянием прибора производится по цепи третьего, управляющего электрода; по этой цепи при этом могут выполняться либо одна, либо две операции изменения состояния тиристора G. в таких тиристорах по цепи управляющего электрода осуществимо только отпирание тиристора (с этой целью на управляющий электрод подается положительный относительно катода импульс напряжения) H.
такие тиристоры допускают по цепи управляющего электрода как отпирание, так и запирание прибора (для запирания на управляющий электрод подается отрицательный импульс напряжения) Установите соответствие устройств, составляющих элементы структурной схемы источника питания без преобразователя частоты, и назначения этих устройств: A. Трансформатор B. Выпрямитель C. Сглаживающий фильтр D. Стабилизатор E. предназначен для гальванической развязки питающей сети и нагрузки, а также для изменения уровня переменного напряжения F. преобразует переменное напряжение в напряжение одной полярности (пульсирующее) G. уменьшает пульсации напряжений на выходе выпрямителя H. уменьшает изменения на нагрузке, вызванные изменением напряжения сети и изменением тока, потребляемого нагрузкой … характеристика усилителя – это зависимость модуля коэффициента усиления от частоты входного сигнала.
Амплитудно-частотная Фазочастотная Амплитудно-фазовая характеристика Амплитудная Устройство, которое позволяет при наличии на входе колебаний с некоторым уровнем мощности получить на выходной нагрузке колебания той же формы, но с большим уровнем мощности, – это … электрических сигналов. … напряжение (ЛИН) – это напряжение, которое в течение промежутка времени, называемого рабочим ходом, изменяется по линейному закону, а затем в течение промежутка времени, называемого обратным ходом, возвращается к исходному уровню Установите соответствие частей интегральной схемы (ИС) и их характеристик: A. Элемент B. Компонент C. Корпус D. часть ИС, которая часть не может быть отделена от кристалла или подложки, выполнена нераздельно от него, поэтому ее нельзя испытать, упаковать и эксплуатировать как самостоятельное изделие E.
часть ИС, которая может быть выделена как самостоятельное изделие F. часть конструкции ИС, которая защищает кристалл от внешних воздействий Чтобы успешно выполнять свои функции, операционный усилитель, помимо требований к усилению и полосе пропускаемых частот, должен … (укажите 2 варианта ответа) иметь максимально возможное входное сопротивление обладать очень высоким выходным сопротивлением усиливать сигнал в основном диапазоне частот как с изменением фазы, так и без него Выходное напряжение Uдр усилителя при отсутствии входного сигнала - это дрейф ... – Коэффициент полезного действия стабилизатора ηст — это отношение ... мощности, отдаваемой в нагрузку Рн.
к мощности, потребляемой от входного источника напряжения Рвх изменения постоянного напряжения на выходе стабилизатора ΔUвых К изменению постоянного выходного тока стабилизатора Δiвых. которое вызвало изменение выходного напряжения амплитуды низшей (основной) гармоники выходного напряжения Um к среднему значению выходного напряжения Ucр ... характеристика усилителя - это построенная в полярной системе координат зависимость коэффициента усиления и фазового сдвига усилителя от частоты; она представляет собой годограф комплексного коэффициента K(jω) Амплитудно-частотная Фазочастотная Амплитудно-фазовая Амплитудная Режим отсутствия сигнала принято называть режимом … усилителя.
… площадки – это металлизированные участки на кристалле, предназначенные для присоединения к выводам корпуса интегральной схемы Согласно используемой сегодня классификации технологической степени интеграции, интегральная схема до 1000 элементов в кристалле – это … ....
Список вопросов


Характеристики ответов (шпаргалок) к экзамену

