Для студентов по предмету Основы электротехникиРасчёт токов трёхфазного короткого замыканияРасчёт токов трёхфазного короткого замыкания
4,935235
2025-06-302025-06-30СтудИзба
Вопросы/задания к контрольной работе: Расчёт токов трёхфазного короткого замыкания
Описание
ТЕМА: | Расчёт токов трёхфазного короткого замыкания | ||||
ИСХОДНЫЕ ДАННЫЕ: | |||||
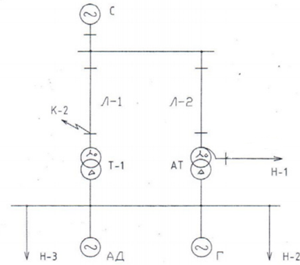
Рисунок 1 – Исходная схема Вариант: 12 Таблица 1 – исходные данные | |||||
| | | | | | |
ЛИСТ ДЛЯ ЗАМЕЧАНИЙ
Оглавление
Аналитический метод. 5Список использованных источников. 17
Характеристики вопросов/заданий к КР
Предмет
Просмотров
2
Размер
285,91 Kb
Список файлов
пример (19).docx

vitalievnatalia
















