Ответы к контрольной работе 1: КСР 1 - вариант 1.7 вариант 7
Описание



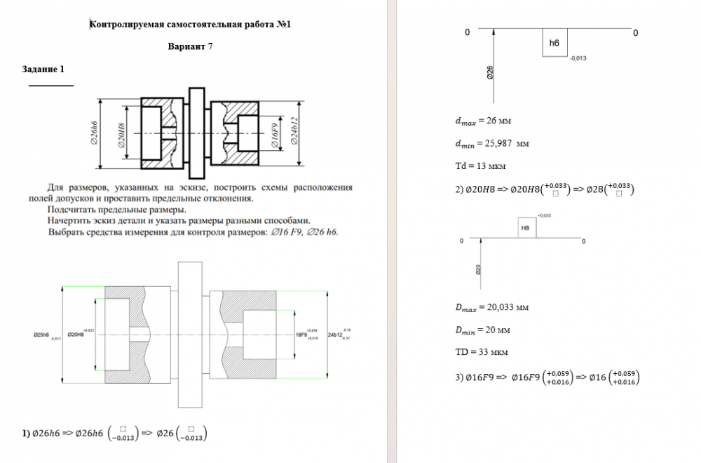
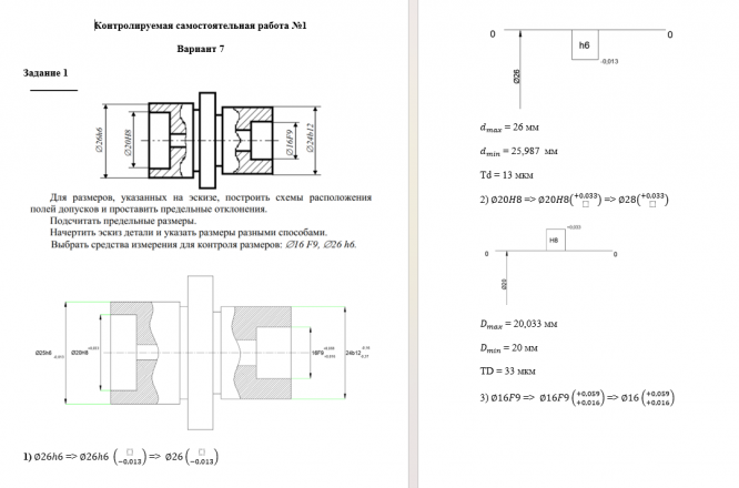
Задание 1.
Для размеров, указанных на эскизе, построить схемы расположения
полей допусков и проставить предельные отклонения.
Подсчитать предельные размеры.
Начертить эскиз детали и указать размеры разными способами.
Выбрать средства измерения для контроля размеров: 16 F9, 26 h6.
Задание 2.
Начертить схемы расположения полей допусков посадок:
1) 20 Н7/u7; 2) 32 G7/h6; 3) 18 H8/m7;
4) 55 T7/h6; 5) 80 H7/d8; 6) 24 N7/h6.
Подсчитать характеристики посадок (предельные и средние зазоры
(натяги) и допуски посадок).
Задание 3.
Дать пример обозначения предпочтительной переходной посадки в
системе вала.
Построить схемы расположения полей допусков и подсчитать
характеристики посадки.
Показать, как изменятся характеристики посадки при изменении
допусков соединяемых деталей на один квалитет.
Задание 4.
Для соединения зубчатого колеса с валом выбрать
посадку с натягом по расчетным значениям предельных
натягов:
Nmax расч = 160 мкм; Nmin расч = 70 мкм.
Номинальный размер d = 32 мм.
d |
Показать/скрыть дополнительное описание
Задание 1. Для размеров, указанных на эскизе, построить схемы расположения полей допусков и проставить предельные отклонения. Подсчитать предельные размеры. Начертить эскиз детали и указать размеры разными способами. Выбрать средства измерения для контроля размеров: 16 F9, 26 h6. Задание 2. Начертить схемы расположения полей допусков посадок: 1) 20 Н7/u7 ; 2) 32 G7/h6 ; 3) 18 H8/m7 ; 4) 55 T7/h6 ; 5) 80 H7/d8 ; 6) 24 N7/h6 . Подсчитать характеристики посадок (предельные и средние зазоры (натяги) и допуски посадок). Задание 3. Дать пример обозначения предпочтительной переходной посадки в системе вала. Построить схемы расположения полей допусков и подсчитать характеристики посадки.
Показать, как изменятся характеристики посадки при изменении допусков соединяемых деталей на один квалитет. Задание 4. Для соединения зубчатого колеса с валом выбрать посадку с натягом по расчетным значениям предельных натягов: N max расч = 160 мкм; N min расч = 70 мкм. Номинальный размер d = 32 мм. d.
Характеристики ответов (шпаргалок) к КР
Список файлов
