Для студентов по предмету Механика жидкости и газа (МЖГ или Гидравлика)На трубопроводе имеется переход с диаметра 50 мм на диаметр 100 мм (диаметры внутренние). По трубопроводу движется вода, имеющая температуру 20ºС. Её На трубопроводе имеется переход с диаметра 50 мм на диаметр 100 мм (диаметры внутренние). По трубопроводу движется вода, имеющая температуру 20ºС. Её
5,00515
2023-04-062024-07-12СтудИзба
На трубопроводе имеется переход с диаметра 50 мм на диаметр 100 мм (диаметры внутренние). По трубопроводу движется вода, имеющая температуру 20ºС. Её скорость в узком сечении 1,5 м/с
На трубопроводе имеется переход с диаметра 50 мм на диаметр 100 мм (диаметры внутренние). По трубопроводу движется вода, имеющая температуру 20ºС. Её скорость в узком сечении 1,5 м/с. Определить: 1. объёмный и массовый расходы воды; 2. скорость воды
Описание
УСЛОВИЕ
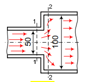
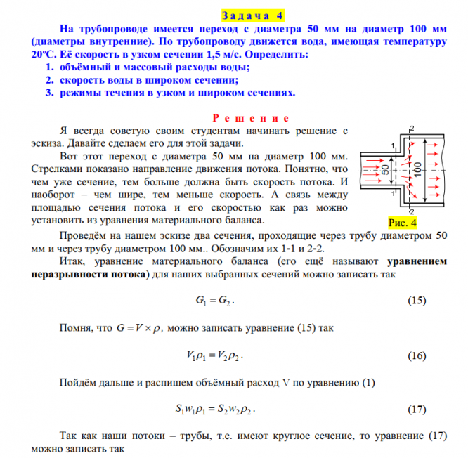
На трубопроводе имеется переход с диаметра 50 мм на диаметр 100 мм
(диаметры внутренние). По трубопроводу движется вода, имеющая температуру
20ºС. Её скорость в узком сечении 1,5 м/с. Определить:
1. объёмный и массовый расходы воды;
2. скорость воды в широком сечении;
3. режимы течения в узком и широком сечениях
(диаметры внутренние). По трубопроводу движется вода, имеющая температуру
20ºС. Её скорость в узком сечении 1,5 м/с. Определить:
1. объёмный и массовый расходы воды;
2. скорость воды в широком сечении;
3. режимы течения в узком и широком сечениях

ДЕМО

На трубопроводе имеется переход с диаметра 50 мм на диаметр 100 мм (диаметры внутренние). По трубопроводу движется вода, имеющая температуру 20ºС. Её скорость в узком сечении 1,5 м/с.
Характеристики решённой задачи
Номер задания
Вариант
Программы
Просмотров
115
Качество
Идеальное компьютерное
Размер
101,49 Kb
Список файлов
Задача 4.pdf

Если работа Вам была полезна, Пожалуйста, потратьте несколько секунд, чтобы оставить нам 5 ЗВЁЗД и положительный отзывы. Мы Вам глубоко признателены!