Для студентов по предмету Механика жидкости и газа (МЖГ или Гидравлика)Задача 7-4Задача 7-4
5,00533
2022-03-142024-09-22СтудИзба
Задача 7: Задача 7-4 вариант 4
-80%
Описание
Зачтено на максимальный балл
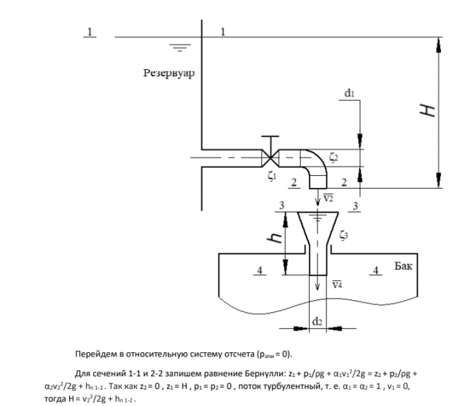
Задача (Куколевский И.И.) 7-4. Заполнение бака бензином происходит через воронку диаметром d2 = 50 мм, высотой h = 400 мм с коэффициентом сопротивления ? = 0,25. В воронку бензин заливается из резервуара с постоянным уровнем по короткой трубе диаметром d1 = 30 мм с краном и угольником, коэффициенты сопротивления которых соответственно ? = 8,5 и 0,8. Определить, какой наибольший напор Н можно иметь в резервуаре, чтобы воронка не переполнялась, и каков при этом расход бензина, поступающего в бак. Потери на трение в трубе не учитывать.Отвгт. H= 26,6 м, Q=4,9 л/сек


Показать/скрыть дополнительное описание
Задача (Куколевский И.И.) 7-4 . Заполнение бака бензином происходит через воронку диаметром d 2 = 50 мм, высотой h = 400 мм с коэффициентом сопротивления ? = 0,25. В воронку бензин заливается из резервуара с постоянным уровнем по короткой трубе диаметром d 1 = 30 мм с краном и угольником, коэффициенты сопротивления которых соответственно ? = 8,5 и 0,8. Определить, какой наибольший напор Н можно иметь в резервуаре, чтобы воронка не переполнялась, и каков при этом расход бензина, поступающего в бак. Потери на трение в трубе не учитывать. Отвгт. H= 26,6 м, Q=4,9 л/сек.
Характеристики решённой задачи
Номер задания
Вариант
Теги
Просмотров
267
Размер
1,2 Mb
Список файлов
Задача (Куколевский И.И.) 7-4.pdf

Друзья, спасибо за доверие! Если вам понравилась работа – поставьте 5⭐ и напишите отзыв. Это поможет другим студентам, а мне даст силы делать ещё больше качественных материалов для вас 🔥