Для студентов МГТУ им. Н.Э.Баумана по предмету Компьютерная графикаAutodesk Inventor. Лабораторные работы. Детали. (Базовый курс)Autodesk Inventor. Лабораторные работы. Детали. (Базовый курс)
4,905133
2021-09-082021-09-08СтудИзба
Лабораторная работа: Autodesk Inventor. Лабораторные работы. Детали. (Базовый курс) вариант 6
Описание
Характеристики лабораторной работы
Предмет
Учебное заведение
Вариант
Просмотров
14
Размер
1,42 Mb
Список файлов
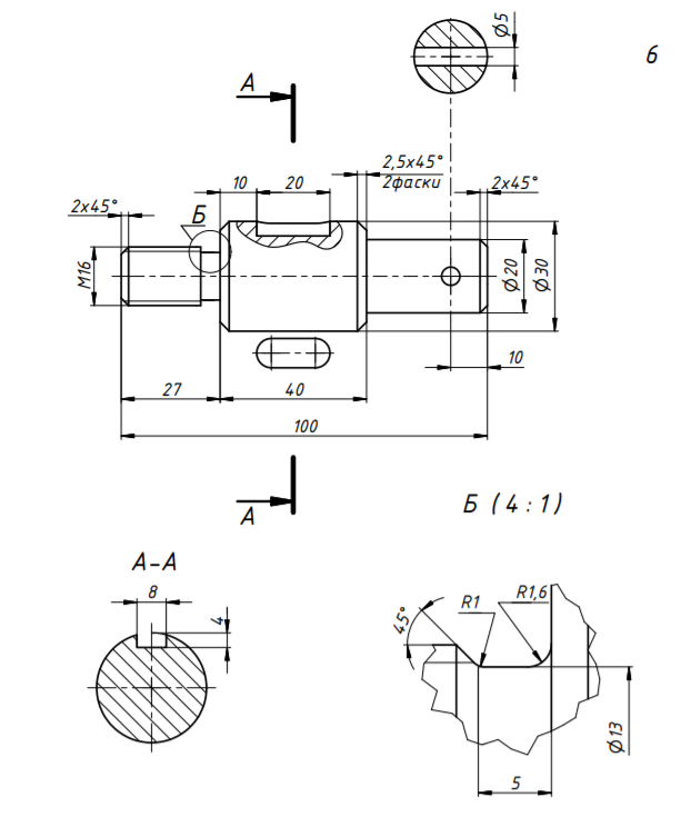
Вал.idw
Вал.ipt
Вал.pdf
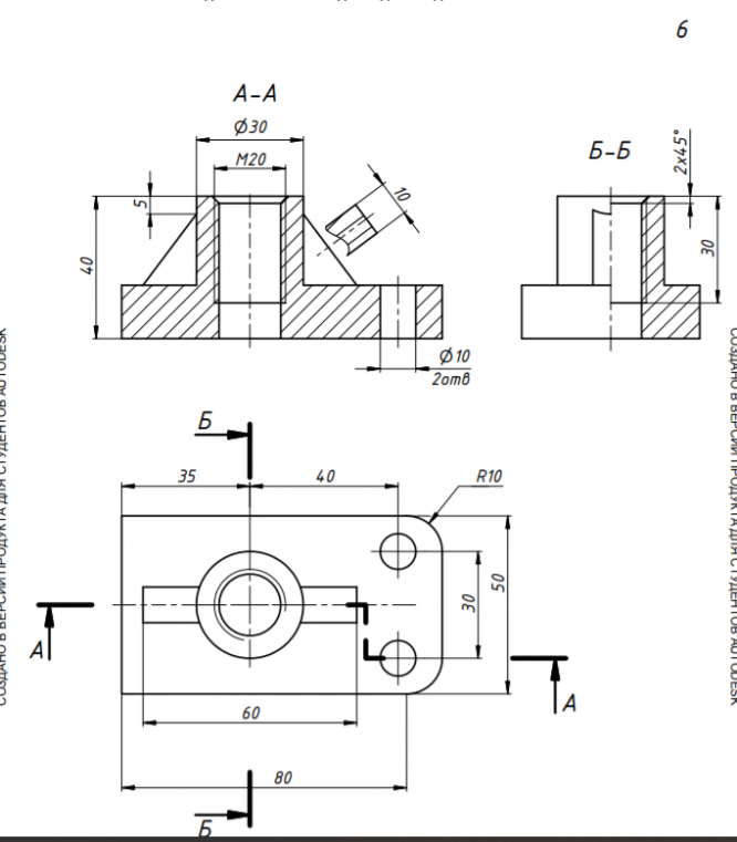
Основание.idw
Основание.ipt
Основание.pdf
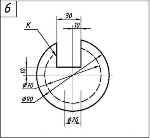
Сфера.idw
Сфера.ipt
Сфера.pdf
Комментарии
Нет комментариев
Стань первым, кто что-нибудь напишет!

МГТУ им. Н.Э.Баумана



















