Для студентов МГТУ им. Н.Э.Баумана по предмету Компьютерная графикаAutodesk Inventor. Лабораторные работы. Детали. (Базовый курс)Autodesk Inventor. Лабораторные работы. Детали. (Базовый курс)
2021-05-062021-05-06СтудИзба
Лабораторная работа: Autodesk Inventor. Лабораторные работы. Детали. (Базовый курс) вариант 6
Описание
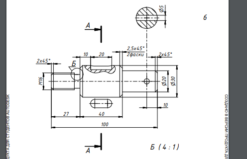
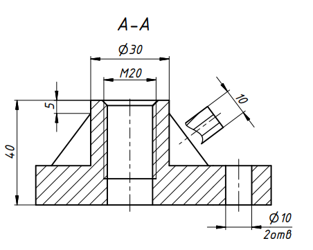
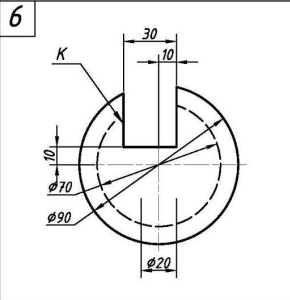
Электронные чертежи с их моделями (призма ,пирамида ,шар ,основание ,вал) по варианту 2021 года. Выполнены в инвенторе 2021 года.
![]()

Характеристики лабораторной работы
Предмет
Учебное заведение
Вариант
Просмотров
11
Размер
2,24 Mb
Список файлов
Призма дз.idw
Призма дз.ipt
Шар дз.idw
Шар дз.ipt
вал дз.idw
вал дз.ipt
осн дз.idw
осн дз.ipt
пирамида дз.idw
пирамида дз.ipt
МГТУ им. Н.Э.Баумана
melin38

















