Лабораторная работа: Autodesk Inventor. Лабораторные работы. Детали. (Базовый курс) вариант 6
Описание
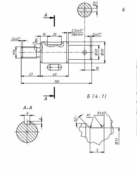
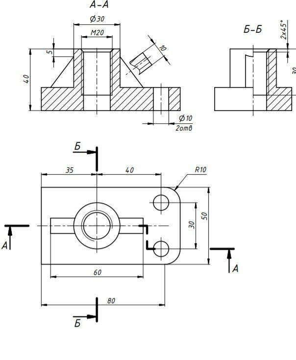
В файле комплект ЛР для 6 варианта , включающий для каждого задания чертеж и модель фигуры(призма пирамида шар основание вал). ЛР приняты преподавателем. Сделано в инвенторе 21 года!. Условие ниже
![]()

Характеристики лабораторной работы
Предмет
Учебное заведение
Вариант
Просмотров
9
Размер
2,19 Mb
Список файлов
6-Osnovanie.idw
6-Piramida.idw
6-Prizma.idw
6-Shar.idw
6-Val.idw
6_Osnovanie.ipt
6_Piramida.ipt
6_Prizma.ipt
6_Shar.ipt
6_Val.ipt
Комментарии
Нет комментариев
Стань первым, кто что-нибудь напишет!
МГТУ им. Н.Э.Баумана
















