Для студентов МГТУ им. Н.Э.Баумана по предмету Инженерная графикаДроссель газовыйДроссель газовый
5,0052
2021-05-112024-10-06СтудИзба
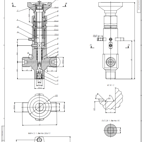
ДЗ А: Дроссель газовый вариант 45
-55%
Описание
Чертеж формат А1
![]()

Характеристики домашнего задания
Предмет
Учебное заведение
Семестр
Номер задания
Вариант
Просмотров
323
Размер
120,01 Kb
Список файлов
Дроссель газовый.pdf

Друзья, спасибо за доверие! Если вам понравилась работа – поставьте 5⭐ и напишите отзыв. Это поможет другим студентам, а мне даст силы делать ещё больше качественных материалов для вас 🔥