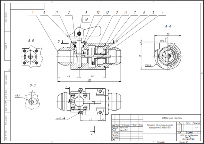
Для студентов МГТУ им. Н.Э.Баумана по предмету Инженерная графикаДроссель (кран перекрывной азробромный)Дроссель (кран перекрывной азробромный)
5,0051
2021-04-222024-10-06СтудИзба
ДЗ Б: Дроссель (кран перекрывной азробромный) вариант 245
-55%
Описание
Характеристики домашнего задания
Предмет
Учебное заведение
Семестр
Номер задания
Вариант
Просмотров
293
Размер
112,23 Kb
Список файлов
Дроссель (кран перекрывной азробромный).pdf

Друзья, спасибо за доверие! Если вам понравилась работа – поставьте 5⭐ и напишите отзыв. Это поможет другим студентам, а мне даст силы делать ещё больше качественных материалов для вас 🔥