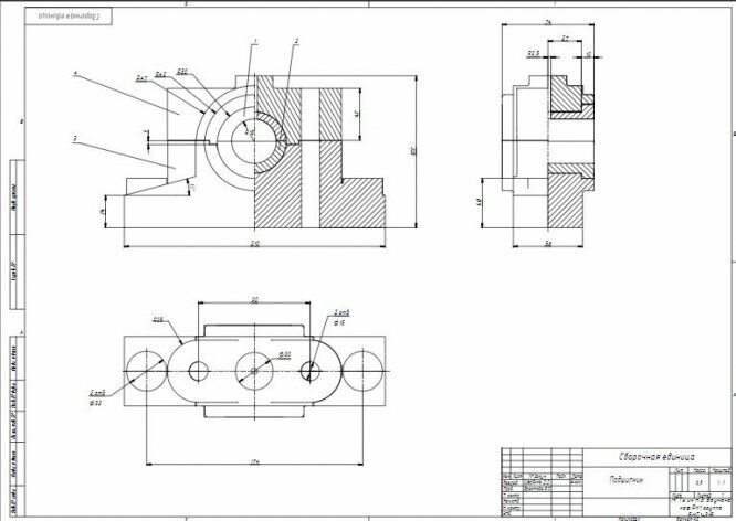
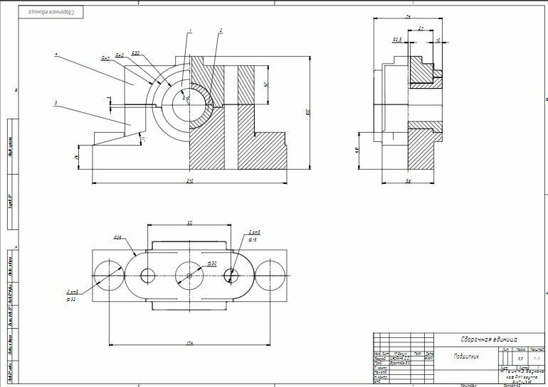
Для студентов МГТУ им. Н.Э.Баумана по предмету Инженерная графикаСборка "Подшипник"Сборка "Подшипник"
4,90547164
2021-04-102024-10-06СтудИзба
ДЗ Б: Сборка "Подшипник" вариант 87
-55%
Описание
Характеристики домашнего задания
Предмет
Учебное заведение
Семестр
Номер задания
Вариант
Просмотров
310
Размер
84,14 Kb
Список файлов
Сборка Подшипник.pdf

Друзья, спасибо за доверие! Если вам понравилась работа – поставьте 5⭐ и напишите отзыв. Это поможет другим студентам, а мне даст силы делать ещё больше качественных материалов для вас 🔥