Для студентов МГТУ им. Н.Э.Баумана по предмету Инженерная графикаДеталировка 26Деталировка 26
4,90547034
2021-03-212024-10-06СтудИзба
ДЗ: Деталировка 26 вариант 26
-55%
Описание
Характеристики домашнего задания
Предмет
Учебное заведение
Семестр
Вариант
Просмотров
262
Размер
1,41 Mb
Список файлов
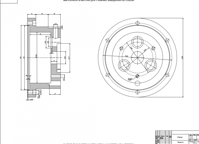
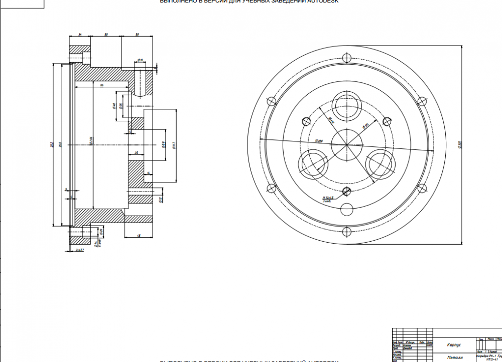
Деталировка №26
Втулка.pdf
Втулька 2.pdf
Деталировки 26.pdf
Корпус.pdf
Корпус2.pdf
Крестовина.pdf
Пробка.pdf
СБОРКА.pdf
Фланец.pdf

Друзья, спасибо за доверие! Если вам понравилась работа – поставьте 5⭐ и напишите отзыв. Это поможет другим студентам, а мне даст силы делать ещё больше качественных материалов для вас 🔥