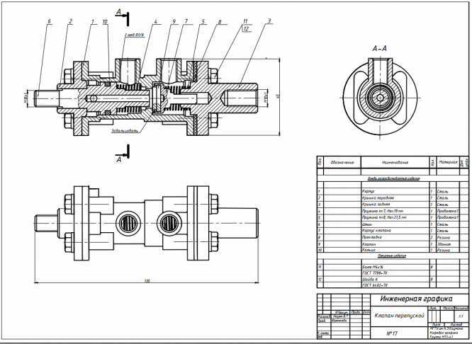
Для студентов МГТУ им. Н.Э.Баумана по предмету Инженерная графикаДеталировка №17 - Клапан перепускнойДеталировка №17 - Клапан перепускной
4,90546960
2021-03-032024-10-06СтудИзба
ДЗ: Деталировка №17 - Клапан перепускной вариант 17
-55%
Описание
Характеристики домашнего задания
Предмет
Учебное заведение
Семестр
Вариант
Программы
Просмотров
768
Размер
6,45 Mb
Список файлов
ДЕТАЛИРОВКА 17 клапан перепускной
CAD
1_Лист_2.dwg
2_Лист_2.dwg
bản chuẩn.dwg
khung chi tiet.dwg
lockfile.lck
Сборка3.dwg
ТУНГ.dwg
INVENTOR
Клапан.ipt
Корпус Клапана.ipt
Корпус.ipt
Крышка задняя.ipt
Крышка передняя.ipt
Прокладка 2.ipt
Пружина 4.ipt
Сборка3.iam
кольцо.ipt
пружина 4.1.ipt
пружина 5,1.ipt
пружина 5.ipt
шток.ipt
ЧЕТЕЖ
1.dwg
bang chi tiet.dwg
bang chi tiet.dwl
bang chi tiet.dwl2
Сборка4.iam
Чертеж 17.pdf
Чертеж1.dwg

Друзья, спасибо за доверие! Если вам понравилась работа – поставьте 5⭐ и напишите отзыв. Это поможет другим студентам, а мне даст силы делать ещё больше качественных материалов для вас 🔥