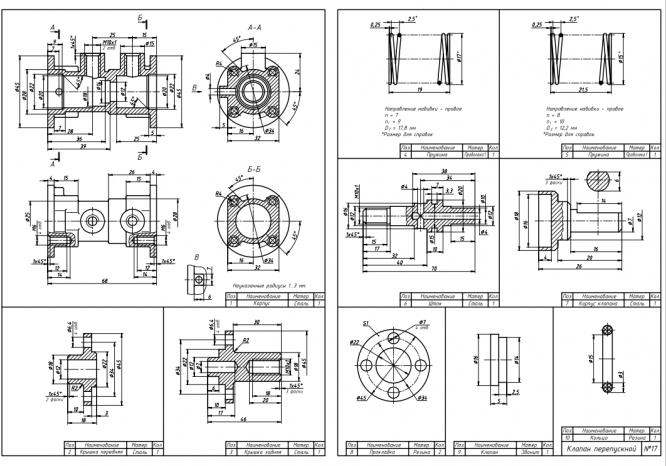
Для студентов МГТУ им. Н.Э.Баумана по предмету Инженерная графикаВариант 17-ДЗ-Клапан перпускнойВариант 17-ДЗ-Клапан перпускной
5,0052
2021-10-022024-10-02СтудИзба
ДЗ: Вариант 17-ДЗ-Клапан перпускной вариант 17
Описание
Характеристики домашнего задания
Предмет
Учебное заведение
Семестр
Вариант
Просмотров
62
Размер
3,78 Mb
Список файлов
Клапан.ipt
Кольцо.ipt
Корпус клапана.ipt
Корпус.ipt
Крышка задняя.ipt
Крышка передняя.ipt
Прокладка.ipt
Пружина 1.ipt
Пружина 2.ipt
Сборка1.iam
Сборка1.idw
Шток.ipt
МГТУ им. Н.Э.Баумана



















