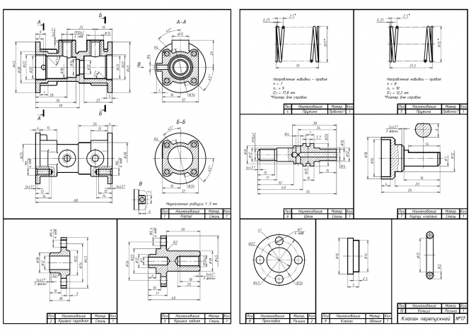
Для студентов МГТУ им. Н.Э.Баумана по предмету Инженерная графикаВариант №17 - Клапан перепускной (со сборочным чертежом)Вариант №17 - Клапан перепускной (со сборочным чертежом)
5,0057
2021-09-062024-10-02СтудИзба
ДЗ: Вариант №17 - Клапан перепускной (со сборочным чертежом) вариант 17
Описание
Характеристики домашнего задания
Предмет
Учебное заведение
Семестр
Вариант
Просмотров
253
Размер
12,79 Mb
Список файлов
Вариант 17
OldVersions
Поз.1. Корпус (без тонких линий).0057.dwg
Поз.1. Корпус.0049.dwg
Поз.2. Крышка передняя.0011.dwg
Поз.3. Крышка задняя.0006.dwg
Поз.4. Пружина.0008.dwg
Поз.5. Пружина.0005.dwg
Поз.6. Шток.0014.dwg
Поз.7. Корпус клапана.0008.dwg
Поз.8. Прокладка.0004.dwg
Поз.9. Клапан.0003.dwg
Поз.10. Кольцо.0006.dwg
Детали
lockfile.lck
Поз.1. Корпус.ipt
Поз.2. Крышка передняя.ipt
Поз.3. Крышка задняя.ipt
Поз.4. Пружина.ipt
Поз.5. Пружина.ipt
Поз.6. Шток.ipt
Поз.7. Корпус клапана.ipt
Поз.8. Прокладка.ipt
Поз.9. Клапан.ipt
Поз.10. Кольцо.ipt
Сборочный чертеж
Клапан в сборе (эск.).dwg
Сборочный чертеж.pdf
Файлы чертежей
Поз.1. Корпус (без тонких линий).dwg
Поз.1. Корпус.dwg
OpelBlitz
Комментарии
Нет комментариев
Стань первым, кто что-нибудь напишет!
МГТУ им. Н.Э.Баумана
OpelBlitz


















