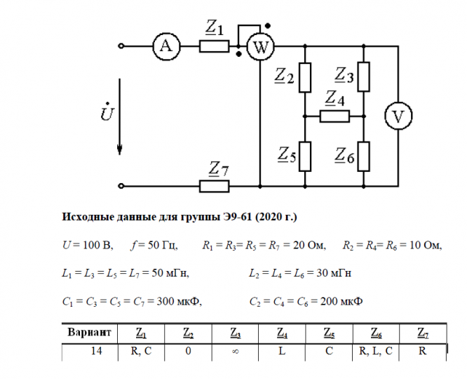
Для студентов МГТУ им. Н.Э.Баумана по предмету Электротехника (ЭлТех)Варинат 14, ДЗ №2, с замечаниями преподавателяВаринат 14, ДЗ №2, с замечаниями преподавателя
5,0053
2020-05-202020-05-20СтудИзба
ДЗ 2: Варинат 14, ДЗ №2, с замечаниями преподавателя вариант 14
Описание
Характеристики домашнего задания
Предмет
Учебное заведение
Семестр
Номер задания
Вариант
Просмотров
190
Размер
1,14 Mb
Список файлов
проверено с замечаниями.pdf
МГТУ им. Н.Э.Баумана


















