Курсовая работа: Исследование фильтрующих свойств линейных электрических цепей синусоидального тока
Описание
Вариант 5
ЗАДАНИЕ НА КУРСОВУЮ РАБОТУ
Схема исследуемой цепи показана на рисунке Рисунок 1.

Рисунок 1 – Схема исследуемой цепи
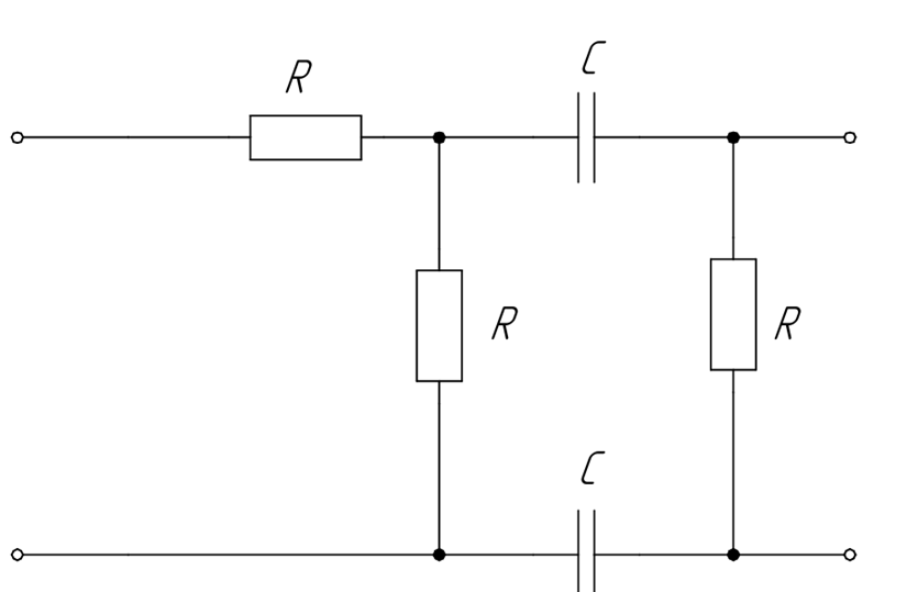
К источнику синусоидальной ЭДС e(t) = Emsinꞷt подключён четырёхполюсник, схема которого согласно варианту изображена на рисунке Рисунок 2.

Рисунок 2 – Схема четырёхполюсника
Амплитудное значение ЭДС Еm = 10 В, внутреннее сопротивление источника Rв = 0,5 кОм, частота ω = 2*103 рад/с, активные сопротивления схемы R = 1 кОм, емкость конденсаторов С = 0,5 мкФ.
1. Изобразите схему электрической цепи согласно своему варианту, обозначьте токи и напряжения на всех элементах, задайте их положительные направления.
2. Определите комплексные действующие значения токов в ветвях схемы, пользуясь любым изученным ранее методом (эквивалентных преобразований, контурных токов, узловых потенциалов). Для схемы своего варианта обоснуйте выбор наиболее рационального метода расчета. В работе приведите подробное описание расчетов. Вычислите потенциалы всех точек схемы. По результатам расчетов токов и потенциалов исследуемой схемы постройте векторную диаграмму всех токов и топографическую диаграмму, указав на ней напряжения на всех элементах, а также входное и выходное напряжения. Проанализируйте сдвиги фаз между напряжениями и токами на элементах схемы и всей схемы в целом.
Составьте систему уравнений по законам Кирхгофа и проверьте соблюдение законов Кирхгофа с помощью диаграммы.
Проанализируйте соотношение между выходным и входным напряжениями и их взаимное расположение на диаграмме.
3. Составьте уравнение энергетического баланса и проверьте его.
4. Составьте выражение для передаточной функции по напряжению для исследуемого четырехполюсника:
где Ůвых и Ůвх - комплексные амплитуды выходного и входного напряжения. Для этого запишите выражения для комплексных действующих значений входного и выходного напряжений в зависимости от частоты источника питания Uвх(ω), Uвых(ω).
5. Получите аналитические выражения для амплитудно-частотной (АЧХ) и фазочастотной (ФЧХ) характеристик при равенстве параметров.
6. Постройте графики АЧХ и ФЧХ, выполните проверку правильность расчетов, сравнив соотношение между выходным и входным напряжениями и их взаимное расположение, полученные в (п.2) задания.
Проанализируйте фильтрующие свойства цепи.
В случае, если четырехполюсник не является фильтром, измените один из параметров элементов четырехполюсника таким образом, чтобы исследуемая схема стала обладать фильтрующими свойствами. Определите ширину полосы прозрачности четырехполюсника.
7. Исследуйте влияние параметров всех элементов цепи на форму АЧХ и фильтрующие свойства четырехполюсника, отказавшись от равенства сопротивлений резисторов и емкостей.
8. Рассмотрите, как влияет на АЧХ сопротивление нагрузки RH = 100 кОм, подключенное к выходу цепи.
9. По результатам, полученным в пунктах 5 - 7, сделайте выводы по работе.
СОДЕРЖАНИЕ
ЗАДАНИЕ НА КУРСОВУЮ РАБОТУ.. 1
1.Топографический Анализ Схемы.. 6
2.Определение Комплексных Действующих Значений Токов. 7
2.1.Обоснование Выбора Метода. 7
2.3.Расчёт оставшихся напряжений и узловых потенциалов схемы.. 7
2.4.Построение совмещённых диаграмм. 8
2.5.Входное и выходное напряжения. 9
3.Проверка баланса мощностей. 10
5.Аналитическое выражение для АЧХ и ФЧХ.. 13
6.Графики АЧХ и ФЧХ при изменении параметров цепи. 16
ВВЕДЕНИЕ
В данной работе рассматриваются пассивные RC-фильтры.
Преимуществами пассивных RC-фильтров являются небольшие габариты, простота изготовления и регулировки, малая чувствительность к посторонним магнитным полям и возможность изготовления фильтров, работающих на очень низких частотах. Недостаток этих фильтров – малая крутизна спада характеристики коэффициента затухания. С разработкой интегральных операционных усилителей появилось новое направление проектирования активных фильтров на базе операционных усилителей (ОУ).
Фильтры используются для подавления пульсаций напряжения на выходе выпрямителей переменного тока, для разделения частотных полос в акустических системах, в системах передачи данных для подавления высокочастотных помех и ограничения спектра сигнала, а также имеют большое число других применений.
ВГТУ
all_at_700
















