Для студентов ВГТУ по предмету Электротехника (ЭлТех)Расчет цепи переменного токаРасчет цепи переменного тока
5,0053309
2023-12-142023-12-14СтудИзба
Задача: Расчет цепи переменного тока
Описание
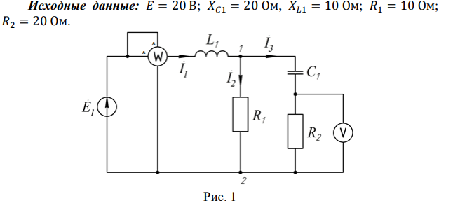
Для электрической схемы, изображенной на рис. 1, и по заданным параметрам элементов определить:
1. Токи во всех ветвях схемы;
2. Показания вольтметра и ваттметра;
3. Построить векторную диаграмму токов
![]()
1. Токи во всех ветвях схемы;
2. Показания вольтметра и ваттметра;
3. Построить векторную диаграмму токов

Характеристики решённой задачи
Предмет
Учебное заведение
Просмотров
4
Размер
199,22 Kb
Список файлов
Primer_resheniia_zadachi_peremennyi_tok_14135358.pdf

Если нужен другой вариант работы или отдельная задача из любой работы, пишите в комментарии