Для студентов НИУ «МЭИ» по предмету ЭлектродинамикаИсследование волновода прямоугольного сеченияИсследование волновода прямоугольного сечения
4,97514427
2023-04-302023-04-30СтудИзба
Лабораторная работа: Исследование волновода прямоугольного сечения
-55%
Описание
Зачтенная лабораторная работа по физике №3 "Исследование волновода прямоугольного сечения"
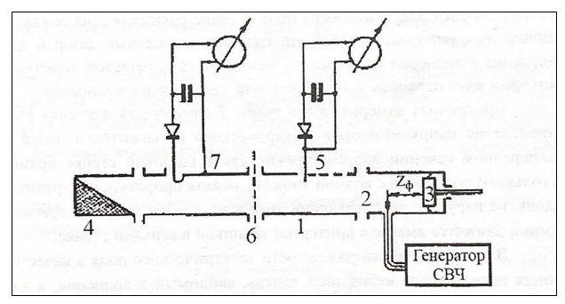
Цель работы – исследование поля волны H10 в прямоугольном волноводе.
Введение:
1 – отрезок волновода с продольной щелью
2 – штырь, являющийся возбудителем поля в волноводе
3 – подвижный поршень
4 – поглощающая нагрузка
5 – измерительная головка с зондом
6 – зазор для введение в волновод фильтров (металлических решёток)
7 – поперечная измерительная линия
Пример оформления:
Показать/скрыть дополнительное описание
Цель работы – исследование поля волны H10 в прямоугольном волноводе.
Введение:

1 – отрезок волновода с продольной щелью
2 – штырь, являющийся возбудителем поля в волноводе
3 – подвижный поршень
4 – поглощающая нагрузка
5 – измерительная головка с зондом
6 – зазор для введение в волновод фильтров (металлических решёток)
7 – поперечная измерительная линия
Пример оформления:

Лабораторная работа 2 семестр по физике МЭИ.
Характеристики лабораторной работы
Предмет
Учебное заведение
Программы
Просмотров
13
Размер
813,49 Kb
Список файлов
ЛР 3 ОФ 1.docx

Спасибо за покупку! Я буду очень рад, если поставишь справедливую оценку купленному файлу :3 Ищи больше работ в моём профиле, там много нужного тебе!