Для студентов РГАУ — МСХА им. К. А. Тимирязева по предмету Электрические станции и подстанцииПроектирование районной трансформаторной подстанцииПроектирование районной трансформаторной подстанции
5,0053108
2023-12-152023-12-15СтудИзба
Курсовая работа: Проектирование районной трансформаторной подстанции вариант 7
Описание
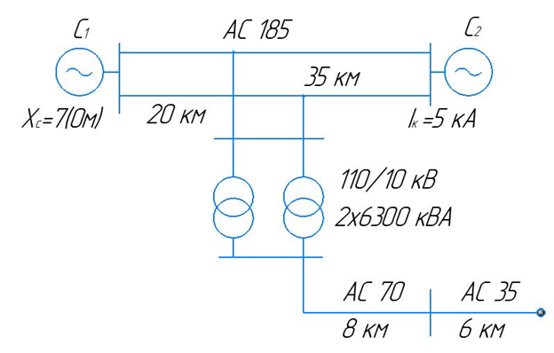
В данном курсовом проекте рассмотрено проектирование тупиковой районной трансформаторной подстанции 110/10 кВ.
![]()
- Количество и мощность трансформаторов: 2×6300 кВА.
- Номинальное напряжение: 110/10 кВ.
- Расчетная мощность: 6900 кВА.
- Количество отходящих линий: 6.

Характеристики курсовой работы
Учебное заведение
Вариант
Просмотров
2
Размер
2,12 Mb
Список файлов
Курсовой проект Егоров Д.И. ДН-306 Э.docx
трехлинейка тупик 110 Егоров Д.И..pdf

Если нужен другой вариант работы или отдельная задача из любой работы, пишите в комментарии