Для студентов РГАУ — МСХА им. К. А. Тимирязева по предмету Электрические станции и подстанцииПроектирование районной трансформаторной подстанцииПроектирование районной трансформаторной подстанции
5,0053108
2023-12-152023-12-15СтудИзба
Курсовая работа: Проектирование районной трансформаторной подстанции
Описание
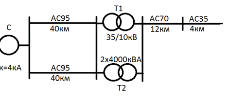
В данном курсовом проекте рассмотрено проектирование тупиковой районной трансформаторной подстанции 35/10 кВ.
![]()
- Количество и мощность трансформаторов: 2×4000 кВА.
- Номинальное напряжение: 35/10 кВ.
- Расчетная мощность: 4000 кВА.
- Количество отходящих линий: 4.

Характеристики курсовой работы
Учебное заведение
Просмотров
1
Размер
2,88 Mb
Список файлов
Курсовая_работа_Белогрудов306ДН.doc
Чертеж_35КВ_Тупик.pdf

Если нужен другой вариант работы или отдельная задача из любой работы, пишите в комментарии