Для студентов РГАУ — МСХА им. К. А. Тимирязева по предмету Электрические станции и подстанцииПроектирование районной трансформаторной подстанцииПроектирование районной трансформаторной подстанции
5,0053090
2023-12-152023-12-15СтудИзба
Курсовая работа: Проектирование районной трансформаторной подстанции
Описание
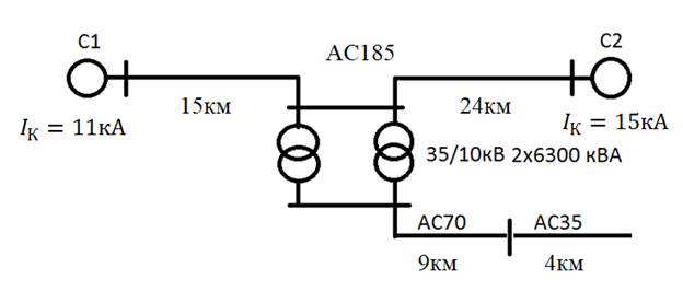
В данном курсовом проекте рассмотрено проектирование проходной районной трансформаторной подстанции 35/10 кВ.
- Количество и мощность трансформаторов: 2×6300 кВА.
- Номинальное напряжение: 35/10 кВ.
- Расчетная мощность: 7100 кВА.
- Количество отходящих линий: 8.

Характеристики курсовой работы
Учебное заведение
Просмотров
3
Размер
897,73 Kb
Список файлов
КР ШишимороваТ.С. (3).docx
Шишиморова Т.С. схема.pdf

Все деньги, вырученные с продажи, идут исключительно на шаурму