Для студентов по предмету Электроэнергетические сетипроектирование тупиковой районной трансформаторной подстанции 110/10 кВпроектирование тупиковой районной трансформаторной подстанции 110/10 кВ
5,0053116
2022-10-272022-10-27СтудИзба
Курсовая работа: проектирование тупиковой районной трансформаторной подстанции 110/10 кВ
Описание
Проектирование районной трансформаторной подстанции»
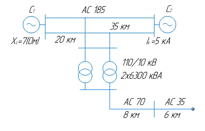
1.Исходные данные.
рассмотрено проектирование тупиковой районной трансформаторной подстанции 110/10 кВ.
1.Исходные данные.
рассмотрено проектирование тупиковой районной трансформаторной подстанции 110/10 кВ.
- Количество и мощность трансформаторов: 2×6300 кВА.
- Номинальное напряжение: 110/10 кВ.
- Расчетная мощность: 6900 кВА.
- Количество отходящих линий: 6.
-
3. Выбор главной схемы электрических соединений.
4. расчет токов КЗ
5. Выбор электрических аппаратов
6. Релейная защита подстанций 110/10 кВ
7. Защита подстанций от перенапряжений и прямых ударов молнии.
8. Расчет заземляющего устройства подстанции.
9. Автоматизация электрических сетей.
Характеристики курсовой работы
Предмет
Просмотров
7
Размер
1,83 Mb
Список файлов
Rabota_11496356.docx

Если нужен другой вариант работы или отдельная задача из любой работы, пишите в комментарии