Для студентов МГТУ им. Н.Э.Баумана по предмету Детали машин (ДМ)ДМ 397 - Привод ленточного транспортера с червячным редуктором (с нижним расположением червяка) и ременной передачей от электродвигателя к редукторуДМ 397 - Привод ленточного транспортера с червячным редуктором (с нижним расположением червяка) и ременной передачей от электродвигателя к редуктору
5,0051
2021-07-012024-09-03СтудИзба
ДМ 397 - Привод ленточного транспортера с червячным редуктором (с нижним расположением червяка) и ременной передачей от электродвигателя к редуктору
-64%
Описание
Реферат
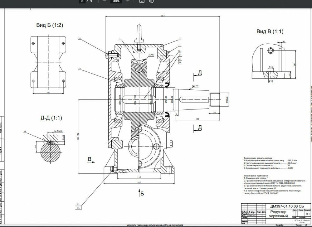
Пояснительная записка содержит 48 страниц машинописного текста, 7 рисунков, 5 таблиц. Пояснительная записка содержит расчеты и проектирование механизмов привода ленточного транспортера: червячного редуктора (с нижним расположением червяка) и ременной передачей от электродвигателя к редуктору, упруго-компенсирующей муфты со стальными стержнями, приводного вала, расчет подшипников на ресурс, расчет вала-червяка на прочность и усталость.
Введение
Ленточный транспортер – машина непрерывного транспорта для горизонтального перемещения различных грузов, устанавливаемая в отапливаемом помещении. С его помощью можно также перемещать сыпучие и кусковые материалы. Транспортер широко применяют для механизации погрузочно-разгрузочных операций, для транспортировки изделий в технологических поточных линиях и т.д. В настоящее время, известно большое количество разнообразных транспортирующих устройств, различающихся как по принципу действия, так и по конструкции. Передача вращения осуществляется посредством червячного редуктора с нижним расположением червяка, подключенным к электродвигателю. Вращение быстроходного вала передается с помощью ременной передачи. Вращение тихоходного вала передается с помощью упруго-компенсирующей муфты.
![]()
Пояснительная записка содержит 48 страниц машинописного текста, 7 рисунков, 5 таблиц. Пояснительная записка содержит расчеты и проектирование механизмов привода ленточного транспортера: червячного редуктора (с нижним расположением червяка) и ременной передачей от электродвигателя к редуктору, упруго-компенсирующей муфты со стальными стержнями, приводного вала, расчет подшипников на ресурс, расчет вала-червяка на прочность и усталость.
Введение
Ленточный транспортер – машина непрерывного транспорта для горизонтального перемещения различных грузов, устанавливаемая в отапливаемом помещении. С его помощью можно также перемещать сыпучие и кусковые материалы. Транспортер широко применяют для механизации погрузочно-разгрузочных операций, для транспортировки изделий в технологических поточных линиях и т.д. В настоящее время, известно большое количество разнообразных транспортирующих устройств, различающихся как по принципу действия, так и по конструкции. Передача вращения осуществляется посредством червячного редуктора с нижним расположением червяка, подключенным к электродвигателю. Вращение быстроходного вала передается с помощью ременной передачи. Вращение тихоходного вала передается с помощью упруго-компенсирующей муфты.







Файлы условия, демо
Характеристики курсовой работы
Предмет
Учебное заведение
Семестр
Номер задания
Вариант
Просмотров
366
Размер
8 Mb
Список файлов
Привод ленточного транспортера с червячным редуктором (с нижним расположением червяка) и ременной передачей от электродвигателя к редуктору
1.PNG
Задание.pdf
Записка.pdf
Лилулный лист.PNG
Лист 1+2+3+4.dwg
Лист 1+2+3+4.pdf
Лист 1.PNG
Лист 2.PNG
Листы.pdf

Друзья, спасибо за доверие! Если вам понравилась работа – поставьте 5⭐ и напишите отзыв. Это поможет другим студентам, а мне даст силы делать ещё больше качественных материалов для вас 🔥