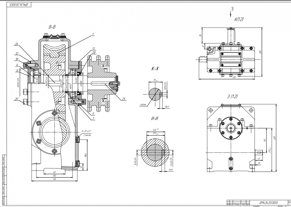
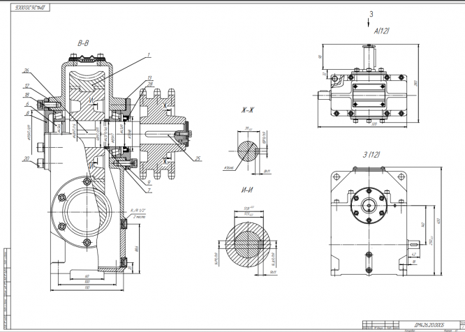
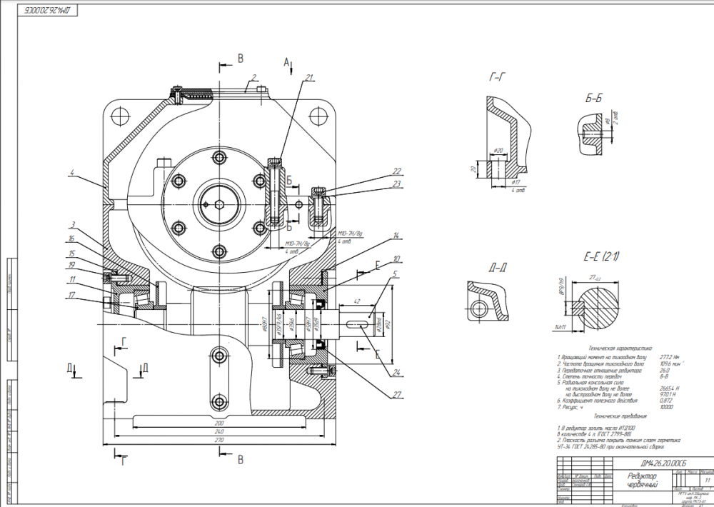
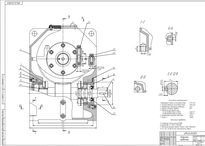
Для студентов МГТУ им. Н.Э.Баумана по предмету Детали машин (ДМ)ДМ 426 - Проектирование червячного редуктораДМ 426 - Проектирование червячного редуктора
4,90546973
2021-04-222024-09-03СтудИзба
Курсовая работа ДМ: ДМ 426 - Проектирование червячного редуктора вариант 426
-64%
Описание
Характеристики курсовой работы
Предмет
Учебное заведение
Семестр
Номер задания
Вариант
Просмотров
480
Размер
1,24 Mb
Список файлов
Курсовой проект ДМ 426
1.PNG
1.pdf
2.PNG
2.pdf
Вал.pdf
Лист 1.pdf
Лист 2 -редуктор.pdf
Лист 3.pdf
Лист 4.pdf
Лист 5.pdf
Приложение 2.pdf
колесо.pdf
приложение 1.pdf

Друзья, спасибо за доверие! Если вам понравилась работа – поставьте 5⭐ и напишите отзыв. Это поможет другим студентам, а мне даст силы делать ещё больше качественных материалов для вас 🔥