Главная » Учебные материалы » Детали машин (ДМ) » Курсовые работы » МГТУ им. Н.Э.Баумана » 6 семестр » Номер ДМ » Вариант 426 » ДМ 426 - привод ленточного транспортера с коническо - цилиндрическим редуктором
Для студентов МГТУ им. Н.Э.Баумана по предмету Детали машин (ДМ)ДМ 426 - привод ленточного транспортера с коническо - цилиндрическим редукторомДМ 426 - привод ленточного транспортера с коническо - цилиндрическим редуктором
4,90550381
2024-09-03СтудИзба

Курсовая работа ДМ: ДМ 426 - привод ленточного транспортера с коническо - цилиндрическим редуктором вариант 426

-64%

Описание

СОДЕРЖАНИЕ

Техническое задание

1. Кинематический расчет привода

1.1 Подбор электродвигателя

2

  1. Определение частот вращения и вращающих

моментов на валах

2

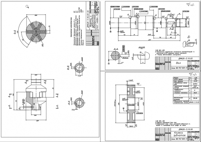
2. Расчет зубчатой передачи

3

2.1 Анализ результатов с ЭВМ

3. Эскизное проектирование

3.1 Проектные расчеты валов

3

3.2 Выбор типа и схема установки подшипников

4

4. Расчет соединений

4.1 Шпоночные соединения

5

4.2 Соединение с натягом

4.3 Сварные соединения

6

9

5. Подбор подшипников качения на заданный ресурс

12

  1. Расчет валов на статическую прочность и

сопротивление усталости

25

7. Выбор смазочных материалов

33

8. Расчет муфт

34

8.1 Выбор и расчет обгонной муфты

8.2 Выбор и расчет упругой муфты

9. Расчет цепной передачи

35

9.1 Анализ результатов с ЭВМ

10. Приложения

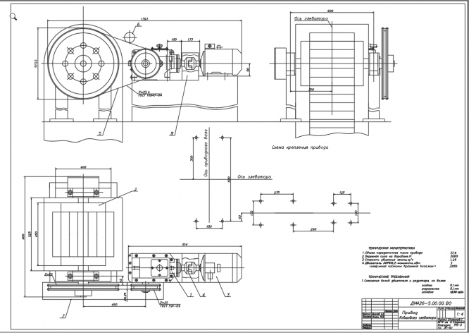
Кинематический расчет

  1. Подбор электродвигателя

Для выбора электродвигателя определяют требуемую его мощность и частоту вращения.

Потребляемую мощность привода (мощность на выходе) определяют по формуле:

Рпр = Ft * V/ 103,

где Ft – окружное усилие на барабане, V – скорость ленты.

Рпр = 2500*1,4 /103 = 3,5 кВт.

Тогда требуемая мощность электродвигателя

Pдв = Рпр / hпр,

где hпр – КПД привода, равный произведению КПД отдельных звеньев кинематической цепи.

hпр = hц* h кон. з..п. * h цил. з..п. * h м.

где hц - КПД цепной передачи, h кон. з.п. - КПД конической зубчатой передачи, h цил. з..п – КПД цилиндрической зубчатой передачи, hм – КПД муфты с горообразной оболочкой.

hпр = 0,96*0,96*0,97*0,99 = 0,89

Pдв = 2,5/0,89 =2,81 кВт.

Определим частоту вращения приводного вала

nпр = 60000*V/p*D = 60000*1,4/3,14*355 = 134,5 об/мин;

Требуемая частота вращения вала электродвигателя

nдв = nпр*uц *uБ*uТ

где uц - передаточное отношение цепной передачи, а uБ и uТ – передаточные числа быстроходной и тихоходной ступеней коническо - цилиндрического редуктора.

uц = 2,5; uБ = 2,35; uТ = 3,455.

Подставляя значения, получим

nдв = 134,5*2,5*2,35*3,455 = 2730 об/мин

Следовательно берем синхронную частоту вращения двигателя равной nдв =2850 об/мин.

Затем, используя таблицу, выбираем электродвигатель АИР100S2:

Р = 4 кВт, nдв = 2850 об/мин.


Характеристики курсовой работы

Учебное заведение
Семестр
Номер задания
Вариант
Просмотров
223
Размер
1,68 Mb

Список файлов

Проект №426
Лист 1.PNG
Лист 1.dwg
Лист 1.frw
Лист 2.dwg
Лист 2.frw
Лист 3.PNG
Лист 3.dwg
Лист 3.frw
Лист 4.1.cdw
Лист 4.1.dwg
Лист 4.2.cdw
Лист 4.2.dwg
Лист 5.PNG
Лист 5.dwg
Лист 5.frw
Листы.dwg
РПЗ.doc
Расчет.doc
Картинка-подпись
Друзья, спасибо за доверие! Если вам понравилась работа – поставьте 5⭐ и напишите отзыв. Это поможет другим студентам, а мне даст силы делать ещё больше качественных материалов для вас 🔥

Комментарии

Нет комментариев
Стань первым, кто что-нибудь напишет!
Поделитесь ссылкой:
Цена: 5 000 1 790 руб.
Расширенная гарантия +3 недели гарантии, +10% цены
Рейтинг автора
4,9 из 5
Поделитесь ссылкой:
Сопутствующие материалы

Подобрали для Вас услуги

Вы можете использовать курсовую работу для примера, а также можете ссылаться на неё в своей работе. Авторство принадлежит автору работы, поэтому запрещено копировать текст из этой работы для любой публикации, в том числе в свою курсовую работу в учебном заведении, без правильно оформленной ссылки. Читайте как правильно публиковать ссылки в своей работе.
Свежие статьи
Популярно сейчас
Почему делать на заказ в разы дороже, чем купить готовую учебную работу на СтудИзбе? Наши учебные работы продаются каждый год, тогда как большинство заказов выполняются с нуля. Найдите подходящий учебный материал на СтудИзбе!
Ответы на популярные вопросы
Да! Наши авторы собирают и выкладывают те работы, которые сдаются в Вашем учебном заведении ежегодно и уже проверены преподавателями.
Да! У нас любой человек может выложить любую учебную работу и зарабатывать на её продажах! Но каждый учебный материал публикуется только после тщательной проверки администрацией.
Вернём деньги! А если быть более точными, то автору даётся немного времени на исправление, а если не исправит или выйдет время, то вернём деньги в полном объёме!
Да! На равне с готовыми студенческими работами у нас продаются услуги. Цены на услуги видны сразу, то есть Вам нужно только указать параметры и сразу можно оплачивать.
Отзывы студентов
Ставлю 10/10
Все нравится, очень удобный сайт, помогает в учебе. Кроме этого, можно заработать самому, выставляя готовые учебные материалы на продажу здесь. Рейтинги и отзывы на преподавателей очень помогают сориентироваться в начале нового семестра. Спасибо за такую функцию. Ставлю максимальную оценку.
Лучшая платформа для успешной сдачи сессии
Познакомился со СтудИзбой благодаря своему другу, очень нравится интерфейс, количество доступных файлов, цена, в общем, все прекрасно. Даже сам продаю какие-то свои работы.
Студизба ван лав ❤
Очень офигенный сайт для студентов. Много полезных учебных материалов. Пользуюсь студизбой с октября 2021 года. Серьёзных нареканий нет. Хотелось бы, что бы ввели подписочную модель и сделали материалы дешевле 300 рублей в рамках подписки бесплатными.
Отличный сайт
Лично меня всё устраивает - и покупка, и продажа; и цены, и возможность предпросмотра куска файла, и обилие бесплатных файлов (в подборках по авторам, читай, ВУЗам и факультетам). Есть определённые баги, но всё решаемо, да и администраторы реагируют в течение суток.
Маленький отзыв о большом помощнике!
Студизба спасает в те моменты, когда сроки горят, а работ накопилось достаточно. Довольно удобный сайт с простой навигацией и огромным количеством материалов.
Студ. Изба как крупнейший сборник работ для студентов
Тут дофига бывает всего полезного. Печально, что бывают предметы по которым даже одного бесплатного решения нет, но это скорее вопрос к студентам. В остальном всё здорово.
Спасательный островок
Если уже не успеваешь разобраться или застрял на каком-то задание поможет тебе быстро и недорого решить твою проблему.
Всё и так отлично
Всё очень удобно. Особенно круто, что есть система бонусов и можно выводить остатки денег. Очень много качественных бесплатных файлов.
Отзыв о системе "Студизба"
Отличная платформа для распространения работ, востребованных студентами. Хорошо налаженная и качественная работа сайта, огромная база заданий и аудитория.
Отличный помощник
Отличный сайт с кучей полезных файлов, позволяющий найти много методичек / учебников / отзывов о вузах и преподователях.
Отлично помогает студентам в любой момент для решения трудных и незамедлительных задач
Хотелось бы больше конкретной информации о преподавателях. А так в принципе хороший сайт, всегда им пользуюсь и ни разу не было желания прекратить. Хороший сайт для помощи студентам, удобный и приятный интерфейс. Из недостатков можно выделить только отсутствия небольшого количества файлов.
Спасибо за шикарный сайт
Великолепный сайт на котором студент за не большие деньги может найти помощь с дз, проектами курсовыми, лабораторными, а также узнать отзывы на преподавателей и бесплатно скачать пособия.
Популярные преподаватели
Добавляйте материалы
и зарабатывайте!
Продажи идут автоматически
6926
Авторов
на СтудИзбе
266
Средний доход
с одного платного файла
Обучение Подробнее
{user_main_secret_data}