Для студентов МГТУ им. Н.Э.Баумана по предмету Детали машин (ДМ)Привод цепного транспортераПривод цепного транспортера
5,00510
2025-04-07СтудИзба

Курсовая работа ДМ: Привод цепного транспортера вариант 858

-50%

Описание

Привод цепного транспортера - ДМ-858-06

  • Оглавление
  • Введение 3
  • 1. Кинематический расчет 3
  • 1.1. Выбор электродвигателя 3
  • 1.2. Вращающие моменты на валах привода 4
  • 2. Расчет зубчатой передачи 4
  • 3. Эскизное проектирование 5
  • 3.1. Проектные расчеты валов 5
  • 3.1.1 Быстроходный вал 5
  • 3.1.2 Промежуточный вал 5
  • 3.1.3 Тихоходный вал 5
  • 3.2. Расстояние между деталями передач 5
  • 3.3. Выбор типа подшипника и схемы их установки 6
  • 4. Конструирование зубчатых колес 6
  • 4.1. Цилиндрическое зубчатое колесо 6
  • 4.2. Коническое зубчатое колесо 7
  • 5. Расчет соединений 7
  • 4.3. Соединение быстроходный вал – муфта 7
  • 4.4. Соединение коническое колесо – промежуточный вал 9
  • 4.5. Соединение цилиндрическое колесо – тихоходный вал 12
  • 4.6. Соединение звездочка – приводной вал 13
  • 4.7. Соединение тихоходный вал – муфта 14
  • 6. Конструирование корпусных деталей 14
  • 6.1. Толщины стенок корпуса и крышки корпуса 14
  • 6.2. Крепление крышки редуктора к корпусу 15
  • 6.3. Крепление редуктора к плите 15
  • 7. Расчет подшипников качения 15
  • 7.1. Быстроходный вал 15
  • 7.2. Промежуточный вал 19
  • 7.3. Тихоходный вал 22
  • 8. Расчет валов на статическую прочность и сопротивление усталости 25
  • 8.1. Быстроходный вал 25
  • 8.1.1 Опасные сечения 26
  • 8.1.2 Геометрические характеристики опасных сечений вала 27
  • 8.1.3 Статическая прочность 27
  • 8.1.4 Сопротивление усталости 28
  • 8.2. Промежуточный вал 30
  • 8.2.1 Опасные сечения 30
  • 8.2.2 Геометрические характеристики опасных сечений вала 31
  • 8.2.3 Статическая прочность 31
  • 8.2.4 Сопротивление усталости 32
  • 8.3. Тихоходный вал 33
  • 8.3.1 Опасные сечения 33
  • 8.3.2 Геометрические характеристики опасных сечений вала 34
  • 8.3.3 Статическая прочность 34
  • 8.3.4 Сопротивление усталости 35
  • 9. Смазывание, смазочные устройства и уплотнения. Расчет уровня масленой ванны и способы его контроля 36
  • 10. Упруго – предохранительная муфта 37
  • 11. Приводной вал 38
  • 11.1. Расчет подшипников качения 38
  • 11.2. Расчет на статическую прочность и сопротивление усталости 40
  • 11.2.1 Опасные сечения 41
  • 11.2.2 Геометрические характеристики опасных сечений вала 42
  • 11.2.3 Статическая прочность 42
  • 11.2.4 Сопротивление усталости 43
  • Список используемой литературы 44

Введение

В данной работе выполнено проектирование привода цепного транспортера, состоящего из двухступенчатого редуктора, компенсирующей муфты, комбинированной муфты и приводного
вала со звездочками. Приведены основные расчеты, выбрана оптимальная конструкция. Вычисление и выбор параметров описаны в данной пояснительной записке. Графическая часть проекта представлена на 5 листах формата А1.

Чертежи

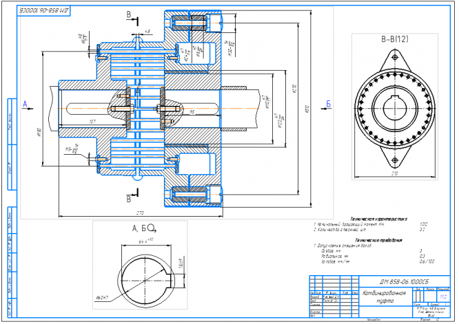
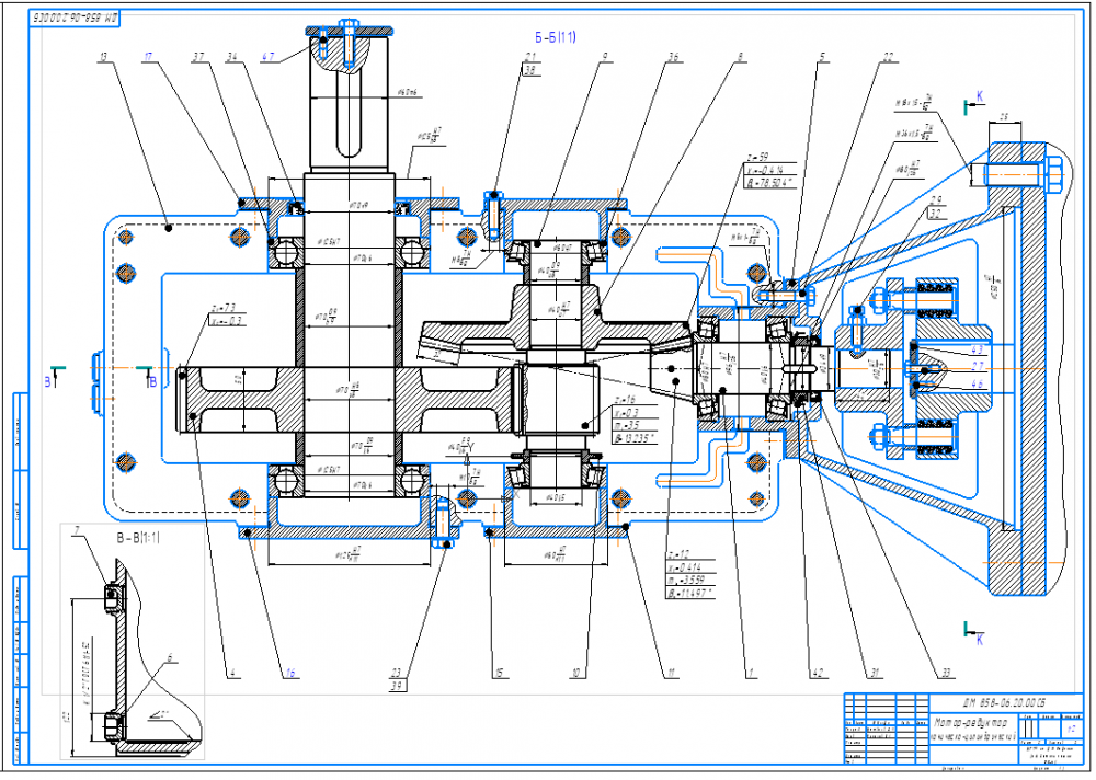
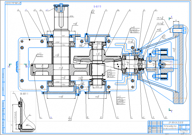
Лист 1,2 - Редуктор + Спецификация

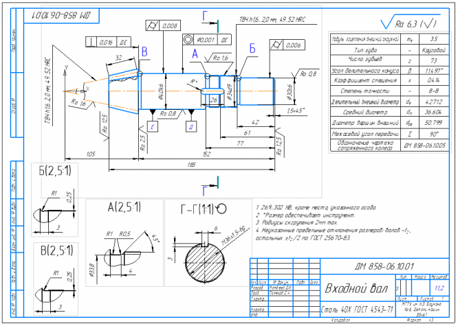
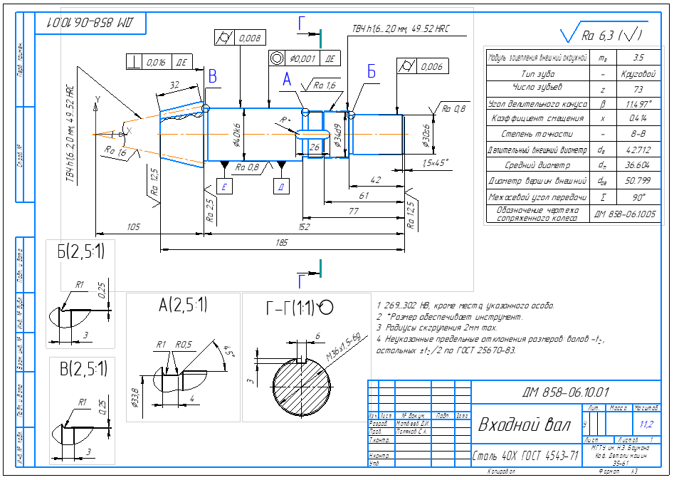
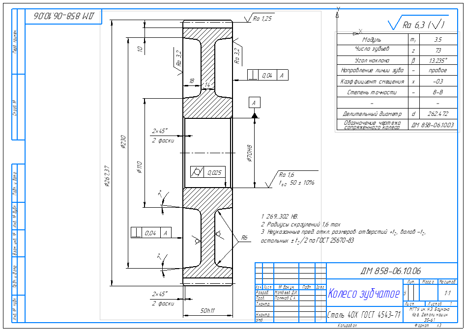
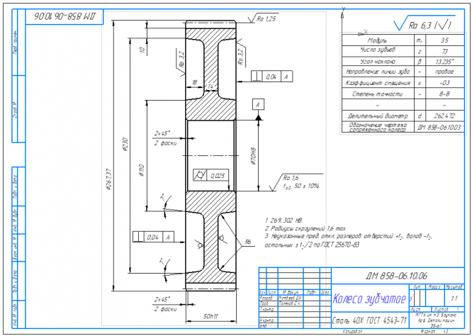
Лист 3 - Деталировка (Входной вал; Колесо зубчатое; Муфта комбинированная)

Лист 4 - Приводной вал

Лист 5 - Привод цепного транспортера + Спецификация

Расчеты

Характеристики курсовой работы

Учебное заведение
Семестр
Номер задания
Вариант
Теги
Просмотров
1851
Качество
Идеальное компьютерное
Размер
2 Mb

Список файлов

Привод цепного транспортера
Mathcad
Быстроходный вал
Муфта.mcdx
Размеры.mcdx
Расчет на прочность.mcdx
Расчет подшипников.mcdx
Стакан.mcdx
Шпонка.mcdx
Приводной вал
Крышки.mcdx
Расчет на прочность.mcdx
Расчет подшипников.mcdx
Шпонка.mcdx
Промежуточный вал
Крышки.mcdx
Размеры.mcdx
Расчет на прочность.mcdx
Расчет подшипников.mcdx
Тихоходный вал
Крышки.mcdx
Размеры.mcdx
Расчет на прочность.mcdx
Расчет подшипников.mcdx
Шпонка.mcdx
Звездочка.mcdx
Кинематический расчет.mcdx
Коническое зубчатое колесо.mcdx
Корпус редуктора.mcdx
Муфта комбинированная.mcdx
Опорный фланец.mcdx
Картинка-подпись
Вам все понравилось? Получите кэшбэк - 40 рублей на Ваш счёт при покупке. Поставьте оценку и напишите положительный комментарий к купленному файлу. После Вы получите деньги на ваш счет.

Комментарии

Нет комментариев
Стань первым, кто что-нибудь напишет!
Поделитесь ссылкой:
Цена: 5 000 2 490 руб.
Расширенная гарантия +3 недели гарантии, +10% цены
Рейтинг покупателей
5 из 5
Поделитесь ссылкой:
Сопутствующие материалы

Подобрали для Вас услуги

Вы можете использовать курсовую работу для примера, а также можете ссылаться на неё в своей работе. Авторство принадлежит автору работы, поэтому запрещено копировать текст из этой работы для любой публикации, в том числе в свою курсовую работу в учебном заведении, без правильно оформленной ссылки. Читайте как правильно публиковать ссылки в своей работе.
Свежие статьи
Популярно сейчас
А знаете ли Вы, что из года в год задания практически не меняются? Математика, преподаваемая в учебных заведениях, никак не менялась минимум 30 лет. Найдите нужный учебный материал на СтудИзбе!
Ответы на популярные вопросы
Да! Наши авторы собирают и выкладывают те работы, которые сдаются в Вашем учебном заведении ежегодно и уже проверены преподавателями.
Да! У нас любой человек может выложить любую учебную работу и зарабатывать на её продажах! Но каждый учебный материал публикуется только после тщательной проверки администрацией.
Вернём деньги! А если быть более точными, то автору даётся немного времени на исправление, а если не исправит или выйдет время, то вернём деньги в полном объёме!
Да! На равне с готовыми студенческими работами у нас продаются услуги. Цены на услуги видны сразу, то есть Вам нужно только указать параметры и сразу можно оплачивать.
Отзывы студентов
Ставлю 10/10
Все нравится, очень удобный сайт, помогает в учебе. Кроме этого, можно заработать самому, выставляя готовые учебные материалы на продажу здесь. Рейтинги и отзывы на преподавателей очень помогают сориентироваться в начале нового семестра. Спасибо за такую функцию. Ставлю максимальную оценку.
Лучшая платформа для успешной сдачи сессии
Познакомился со СтудИзбой благодаря своему другу, очень нравится интерфейс, количество доступных файлов, цена, в общем, все прекрасно. Даже сам продаю какие-то свои работы.
Студизба ван лав ❤
Очень офигенный сайт для студентов. Много полезных учебных материалов. Пользуюсь студизбой с октября 2021 года. Серьёзных нареканий нет. Хотелось бы, что бы ввели подписочную модель и сделали материалы дешевле 300 рублей в рамках подписки бесплатными.
Отличный сайт
Лично меня всё устраивает - и покупка, и продажа; и цены, и возможность предпросмотра куска файла, и обилие бесплатных файлов (в подборках по авторам, читай, ВУЗам и факультетам). Есть определённые баги, но всё решаемо, да и администраторы реагируют в течение суток.
Маленький отзыв о большом помощнике!
Студизба спасает в те моменты, когда сроки горят, а работ накопилось достаточно. Довольно удобный сайт с простой навигацией и огромным количеством материалов.
Студ. Изба как крупнейший сборник работ для студентов
Тут дофига бывает всего полезного. Печально, что бывают предметы по которым даже одного бесплатного решения нет, но это скорее вопрос к студентам. В остальном всё здорово.
Спасательный островок
Если уже не успеваешь разобраться или застрял на каком-то задание поможет тебе быстро и недорого решить твою проблему.
Всё и так отлично
Всё очень удобно. Особенно круто, что есть система бонусов и можно выводить остатки денег. Очень много качественных бесплатных файлов.
Отзыв о системе "Студизба"
Отличная платформа для распространения работ, востребованных студентами. Хорошо налаженная и качественная работа сайта, огромная база заданий и аудитория.
Отличный помощник
Отличный сайт с кучей полезных файлов, позволяющий найти много методичек / учебников / отзывов о вузах и преподователях.
Отлично помогает студентам в любой момент для решения трудных и незамедлительных задач
Хотелось бы больше конкретной информации о преподавателях. А так в принципе хороший сайт, всегда им пользуюсь и ни разу не было желания прекратить. Хороший сайт для помощи студентам, удобный и приятный интерфейс. Из недостатков можно выделить только отсутствия небольшого количества файлов.
Спасибо за шикарный сайт
Великолепный сайт на котором студент за не большие деньги может найти помощь с дз, проектами курсовыми, лабораторными, а также узнать отзывы на преподавателей и бесплатно скачать пособия.
Популярные преподаватели
Добавляйте материалы
и зарабатывайте!
Продажи идут автоматически
6948
Авторов
на СтудИзбе
265
Средний доход
с одного платного файла
Обучение Подробнее
{user_main_secret_data}