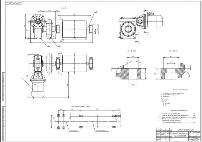
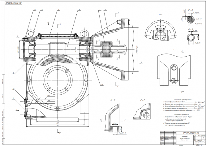
Для студентов МГТУ им. Н.Э.Баумана по предмету Детали машин (ДМ)ДМ 317 - Привод ленточного транспортера с червячным мотор-редуктором (верхнее расположение червяка)ДМ 317 - Привод ленточного транспортера с червячным мотор-редуктором (верхнее расположение червяка)
5,005101
2021-04-212024-09-03СтудИзба
Курсовая работа ДМ: ДМ 317 - Привод ленточного транспортера с червячным мотор-редуктором (верхнее расположение червяка) вариант 317
-64%
Описание
Файлы условия, демо
Характеристики курсовой работы
Предмет
Учебное заведение
Семестр
Номер задания
Вариант
Просмотров
661
Размер
4,81 Mb
Список файлов
Курсовой проект ДМ 317
1.PNG
Все 5 листы.pdf
Задание.PNG
Лист 5.PNG
Листы.pdf
РПЗ.pdf
лист 1.PNG
расчет.PNG

Друзья, спасибо за доверие! Если вам понравилась работа – поставьте 5⭐ и напишите отзыв. Это поможет другим студентам, а мне даст силы делать ещё больше качественных материалов для вас 🔥
Комментарии

Отзыв
отлично