ТСС раздел СС (от 2016) (995472)
Текст из файла
ТРАНСПОРТНО-СКЛАДСКОЙ КОМПЛЕКС
Раздел 1. Складские системы (СС).
-
Принципы построения и структура складской системы.
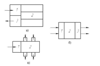
Цель складской системы состоит в приеме грузопотока с одними параметрами и передача его на транспортную систему с другими параметрами, при этом это должно проводиться с минимальными затратами при обеспечении качества продукции (рис. 1. а) и б))
Рис.1. Принцип построения СС: а) без изменения параметров; б) с изменением параметров; в) детерминированность СС.
Если {Аi} = {Bi}, то W=0; если {Аi} ≠ {Bi}, то W=1
М – цех механический; С – цех сборочный;
Аi – грузопоток из М, выходящий;
Вi – входящий грузопоток в цех С;
W - склад
-
Основными функциями СС являются:
-
снабжение основного технологического оборудования изделиями (станков, сборочных участков или машин-автоматов) для запланированного хода машиностроительного производства;
-
подготовка транспортных партий;
-
хранение готовой продукции;
-
детерминирование входных и выходных грузопотоков.
Заметки:
*) Количественные, геометрические, временные параметры входящих и выходящих грузопотоков на складе могут быть детермированными (определенными) или случайными величинами (рис.1. в)).
*) Непоточное производство характеризуется величиной пролеживания, достигающей 90 – 100% от цикла производства.
*) Использование полуфабрикатов позволяет закупать их и хранить при необходимости в СС.
1.1.2. Классификация складских систем механосборочного производства (рис.2):
Рис.2. Классификация СС.
-
по организационной структуре: децентрализованная, централизованная и комбинированная;
-
по функциональному назначению: цеховой склад; склад на производственном участке; накопитель у основного оборудования;
-
по виду хранения груза : склад металла и заготовок; межоперационный склад; склад комплектующих изделий; склад технологической оснастки; склад готовой продукции;
-
по технологии работ: комплектовочные склады и склады, предназначенные для хранения грузов, поступающих в таре;
-
по способу складирования: штабельные, стеллажные и конвейерные;
-
по высоте хранения грузов: низкие до 5 м, средние – 5-8 м, высокие – свыше 8 м;
-
по компоновке склада по отношению к приемо-сдаточным секциям: прямоточные (поточные), тупиковые и комбинированные (Рис. 3).
Рис.3. Компоновка склада: а) тупиковая; б) прямоточная; в) комбинированная.
Децентрализованная складская система, (рис.4. б)) обеспечивает хранение полуфабрикатов, заготовок и покупных изделий, технологической оснастки непосредственно на производственных участках. Это чаще всего используется в производствах, построенных по предметному принципу.
Централизованная СС, (рис.4. а)), состоит из единого материального склада, с которого полуфабрикаты поступают непосредственно на основное оборудование без промежуточного хранения на производственном участке. Это используют преимущественно при незначительных сроках хранения полуфабрикатов и их объемах.
Комбинированные СС чаще всего применяют при технологическом принципе построения производства, т.к. эти системы обладают значительной гибкостью и вместительностью складирующих устройств.
Комплектовочные склады (КС) создают транспортную партию в соответствии с плановым заданием; КС выдают комплект либо одного наименования, либо разных наименований (обработка партий деталей и сборка определенных узлов и машин).
Рис.4. Организационная структура СС: а) централизованная; б) децентрализованная.
1.1.3.. Факторы, влияющие на построение СС:
-
экономические возможности данного предприятия;
-
организационная форма техносборочного производства;
-
технологические особенности производства изделий;
-
годовой грузопоток производства;
-
нормативный запас груза (срок хранения в днях)
-
общее число наименований грузов, одновременно хранящихся на складе
1.1.4. Характеристика технологического процесса складирования
Процесс складирования предусматривает следующие этапы:
1) приемка грузов;
2) размещение грузов и их хранение;
3) отпуск грузов с созданием транспортных партий.
А. Основные операции этапа приемки грузов:
-
разгрузка на приемную площадку;
-
проверка соответствия поступивших грузов по наименованиям, количеству и качеству;
-
подготовка транспортных партий (установка в тару: спутники, поддоны, паллеты);
-
перемещение грузов в отделение расконсервации;
-
передача (перемещение) поступающих грузов на хранение;
-
подготовка и передача сведений о поступивших грузах (ввод информации в компьютер).
Б. Основные операции этапа размещения и хранения грузов:
-
определение свободных мест для хранения грузов;
-
перемещение транспортных партий и поступивших грузов к соответствующему участку (ячейке) на складе;
-
установка грузов на место хранения;
-
хранение в течение нормативного запаса времени
-
подготовка и введение информации о грузе в соответствующую службу (ввод информации в компьютер).
В. Основные операции при отпуске грузов:
-
поиск требуемого груза;
-
удаление данного груза из ячейки склада и перемещение грузов нужного наименования и количества в зону комплектования;
-
подготовка производственных комплектов (партий);
-
перемещение груза или комплекта на участок расконсервации
-
перемещение производственных комплектов и хранение их в сдаточных секциях;
-
погрузка производственных комплектов на транспортную систему с выдачей информации о готовности передачи данного комплекта на рабочее место.
1.1.5.Обобщенная структурно-логическая схема склада
Рис.5. Обобщённая структурно-логическая схема склада.
СС состоит из (рис. 5):
-
подсистемы приема грузов:
-секция разгрузки Р;
-секция временного хранения ВХ1;
-секция сортировки и раскладки грузов в складскую тару С;
-необходимые транспортные средства;
-
подсистемы хранения принятых грузов:
-зона хранения Х;
-накопитель грузов Н1 на входе и накопитель Р2 на выходе;
-штабеллеры, стеллажи и другие элементы для хранения и перемещения грузов;
-
подсистема выдачи грузов на внешний транспорт:
-секция отбора заказов ОТ;
-секция комплектации заказов Л;
-секция временного хранения ВХ2;
-секция погрузки на внешний транспорт;
-
Т1 … Т16 – возможные транспортные перемещения.
1.2.Проектирование подсистемы хранения проката и штучных заготовок
1.2.1.Компоновочные решения
При механических цехах единичного и мелкосерийного производства организуют склады для размещения проката и штучных заготовок; предусматриваются также заготовительные участки для резки металла.
В массовом производстве склады заготовок обычно располагают при заготовительных цехах, а уже в начале линий образуют зоны для размещения тары с заготовками шириной 2-3 метра.
Размещение склада в механическом цехе в специальном пролете (перпендикулярно к пролетам со станками) позволяет использовать для комплексной механизации мостовой кран и даже мостовой кран-штабеллер.
Автоматизированные склады с кранами-штабеллерами могут находиться как в начале пролета, так и в отдельном пролете. Иногда склады проката и штучных заготовок предусматривают рядом со зданием механического цеха под навесом с крановой эстакадой, либо используют козловые краны. Заготовки перед обработкой размещают на площадке для их подогрева.
Листовой материал располагают на складах со специальными площадками; транспортируют его кран-балками или мостовыми кранами со специальными захватными устройствами. Часто рядом с этой площадкой находится участок резки листов (ножницами, плазменными и лазерными установками) на штучные заготовки.
1.2.2. Стеллажи для заготовок из металлопроката
Для удобства размещения металлопроката используют специальные стеллажи, конструкция и размещений которых зависит от вида подъемно-транспортных средств на складе (рис. 6):
Рис.6. Стеллажи для заготовок из металлопроката: а) стоечные; б) консольные; в) мостовые краны штабеллёры;
г) стеллажные краны-штабеллёры.
-
стоечные (стойка на поддоне) стеллажи, (рис. 6 а)), устанавливают на полу; металлопрокат перемещают мостовыми, подвесными или козловыми кранами; недостатком таких стеллажей является неиспользование объема склада, а, вследствие этого, большая площадь складирования при значительных объемах и номенклатуре проката;
-
консольные стеллажи; для их обслуживания необходимы специальные погрузчики с боковым выдвижным грузозахватывающим устройством, (рис. 6 б)), масса заготовок тоже ограничена;
-
консольные стеллажи с обслуживанием мостовыми кранами-штабеллерами (рис. 6 в));
-
стеллажные краны-штабеллеры (рис. 6 г)); при использовании программного управления обеспечивают высокий уровень автоматизации и наибольшую производительность складских работ по размещению и выдаче грузов.
1.2.3. Заготовительное отделение при складе заготовок и проката
Для резки проката на штучные заготовки в помещении склада устанавливают отрезные станки и другое оборудование, на котором производится разрезание и центрирование заготовок из пруткового материала, а также обдирка прутков и труб.
В автоматизированных складах металлопроката транспортные средства, например кран-штабеллер, могут подавать со склада порциями прокат непосредственно к станкам, которые снабжены полуавтоматическими питателями.
Номенклатуру и потребное количество оборудования заготовительного отделения при проектировании определяют на основании операционных карт на заготовительные операции.
Для механических цехов с небольшим числом токарных станков, требующих штучных заготовок из проката, в заготовительном отделении часто достаточно установить ножовочную и циркулярную пилы, отрезной, центровочный, токарно-обдирочный, револьверный, правильный и рихтовальный станки, пресс для правки коротких заготовок в призмах и наждачное точило – всего 10 станков.
Удельная площадь на станок принимается равной 25-30 кв.м.; площадь всего отделения Fзаг.отд. = (25 ÷ 30 ) Sзаг.отд., где Sзаг.отд – число станков заготовительного отделения.
1.2.4. Хранение и транспортирование штучных заготовок
Штучные заготовки и резанный прокат лучше всего хранить в таре. Применение тары (особенно унифицированной) позволяет исключить перекладывание заготовок при транспортировании. Тара может быть в виде плоских и специальных поддонов. По конструкции они таковы, что погрузчики могут поднимать и перемещать их с помощью вил-захватов (рис. 7).
Характеристики
Тип файла документ
Документы такого типа открываются такими программами, как Microsoft Office Word на компьютерах Windows, Apple Pages на компьютерах Mac, Open Office - бесплатная альтернатива на различных платформах, в том числе Linux. Наиболее простым и современным решением будут Google документы, так как открываются онлайн без скачивания прямо в браузере на любой платформе. Существуют российские качественные аналоги, например от Яндекса.
Будьте внимательны на мобильных устройствах, так как там используются упрощённый функционал даже в официальном приложении от Microsoft, поэтому для просмотра скачивайте PDF-версию. А если нужно редактировать файл, то используйте оригинальный файл.
Файлы такого типа обычно разбиты на страницы, а текст может быть форматированным (жирный, курсив, выбор шрифта, таблицы и т.п.), а также в него можно добавлять изображения. Формат идеально подходит для рефератов, докладов и РПЗ курсовых проектов, которые необходимо распечатать. Кстати перед печатью также сохраняйте файл в PDF, так как принтер может начудить со шрифтами.
















