Фрезерование (970869), страница 3
Текст из файла (страница 3)
Отечественные станки последних моделей, в частности мод. 6Н могут быть настроены на работу по маятниковому циклу.
Непрерывное фрезерование, высокопроизводительный способ обработки плоскостей, получило распространение в крупносерийном и массовом производстве. Осуществляется оно в большинстве случаев на карусельно-фрезерных или барабанно-фрезерных станках и иногда на вертикально-фрезерных станках (например, мод. 656П) с поворотным столом.
7. Режимы фрезерования. Силы резания. Возможности фрезерования.
Режим резания. К режиму резания при фрезеровании относят скорость резания V, подачу S, глубину резания t, ширину фрезерования В.
Скорость резания - окружная скорость вращения фрезы в м/мин
где D - диаметр фрезы, мм; n - частота вращения фрезы, об/мин.
Подача - величина перемещения обрабатываемой заготовки относительно вращающейся фрезы. Различают три размерности подачи: подачу на один зуб фрезы Sz в мм/зуб; величину перемещения заготовки относительно фрезы за время ее углового поворота на один зуб; подачу на один оборот фрезы S0 - величину перемещения заготовки относительно фрезы за один ее оборот; минутную подачу S, величину перемещения заготовки в минуту. Эти подачи связаны между собой зависимостями: SМ = S0· n = Sz·Z·n, Z - число зубьев фрезы.
Глубина резания в мм показана на Рис.5.
Ширина фрезерования В (в мм) - величина обрабатываемой поверхности, измеренная в направлении, параллельном оси фрезы при цилиндрическом фрезеровании и перпендикулярном к направлению, подачи при торцовом фрезеровании.
Силы резания. В процессе фрезерования каждый зуб фрезы преодолевает силу сопротивления металла резанию. Фрезы должны преодолеть суммарные силы резания, которые складываются из сил, действующих на зубья, находящиеся в контакте с заготовкой.
Рис.13 Силы резания при работе цилиндрической фрезой
При фрезеровании цилиндрической фрезой с прямыми зубьями равнодействующую сил резания R, приложенную к фрезе в некоторой точке А, можно разложить на окружную составляющую силу Р, касательную к траектории движения точки режущего лезвия, и радиальную составляющую силу Ру, направленную по радиусу (рис.13,а). Силу R можно также разложить на горизонтальную составляющую силу РН и вертикальную составляющую силу РV.
В зависимости от способа фрезерования (против подачи или по подаче) направление и величина сил изменяются. При фрезеровании цилиндрической фрезой с винтовыми зубьями в осевом направлении действует осевая сила Р0 (рис.13,б). Чем больше угол наклона винтовых канавок ω, тем больше будет сила Р0. При больших значениях силы Р0 применяют две фрезы с разным направлением наклона зубьев. В этом случае осевые силы направлены в разные стороны и взаимно уравновешиваются.
Окружная сила Р производит основную работу резания. По этой силе определяют эффективную мощность Ne и рассчитывают детали и узлы механизма коробки скоростей на прочность. Радиальная сила Ру=(0,6÷0,8) Р действует на подшипники шпинделя и изгибает оправку, на которой крепят фрезу. Горизонтальная составляющая сила Рн действует на механизм подачи станка и элементы крепления заготовки.
Осевая сила Р0 = (0,35÷0,55) Р действует на подшипники шпинделя станка и механизм поперечной подачи стола; вертикальная составляющая сила РV - на механизм вертикальной подачи стола. При встречном фрезеровании сила Pv прижимает фрезу к заготовке, а сила peaкции Pv’, действующая на заготовку и направленная вверх, стремится оторвать заготовку от стола. При попутном фрезеровании, наоборот, сила Pv отжимает фрезу от заготовки, а сила реакции Pv’, действующая на заготовку и направленная вниз, прижимает- ее к столу.
Сила резания Р вычисляется по эмпирической фрмуле
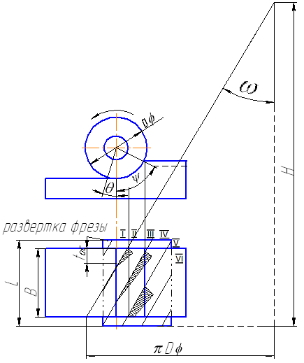
Равномерность фрезерования. Для обеспечения безвибрационной работы при фрезеровании необходимо стремиться к постоянству нагрузки фрезы усилиями резания. Это возможно, когда суммарная длина режущих лезвий фрезы, находящихся в работе, остается постоянной, и, таким образом, суммарное сечение срезаемого слоя материала остается также постоянным.
Условие равномерности фрезерования цилиндрическими фрезами с винтовыми зубьями будет выполняться при постоянстве суммарного сечения срезаемого материала.
Рис.14 Схема работы цилиндрической фрезы при равномерном фрезеровании
На рис.14 показан момент, в котором зуб I начинает свою работу, зуб II, пройдя некоторый путь по поверхности резания, выполнил лишь часть среза материала, а зубья III, IV и V уже выходят из работы, зуб VI выполнил срезание материала на участке, дополняющим работу зуба II до полного прохода зубьев по поверхности резания. Нетрудно видеть, что при дальнейшем повороте фрезы площадь сечения среза снимаемого всеми одновременно участвующими в работе зубьями, останется постоянной. Площадь поперечного сечения среза будет постоянной, если ширина фрезерования равна или кратна осевому шагу фрезы. Поэтому для осуществления равномерности фрезерования необходимо, чтобы соблюдалось условие
,
где К - целое число зубьев, работающих одновременно (2 или 3).
Одним из наиболее ответственных моментов работы торцовой фрезы является врезание зуба в материал заготовки. Симметричная установка фрезы в большинстве случаев не может обеспечить оптимальных условий резания зуба, так как при этом имеет место перегрузка зуба в первоначальный момент (удар). Поэтому необходимо несколько уменьшить сечение среза в момент врезания зуба. Это может быть осуществлено при асимметричной установке фрезы (рис.4,в), у которой со стороны врезания зуба величину смещения С рекомендуется выдерживать равной 0,1Dф при Dф/В = 1,40÷1,7, а при Dф/В > 2 и при γ = 10° следует принимать С = (0,5÷0,6)Dф.
Возможности фрезерования. Фрезерование разделяют на черновое, получистовое, чистовое и тонкое.
Черновое фрезерование применяют для предварительной обработки заготовок, припуск на предварительную обработку которых превышает 3 мм. Черновое фрезерование плоскостей обеспечивает шероховатость Rz = 250÷12,5 мкм и отклонение от прямолинейности 0,15÷0,3 мм на 1 м длины.
Получистовое фрезерование применяют с целью уменьшения погрешностей геометрических форм и пространственных отклонений. Оно обеспечивает шероховатость поверхности Rа = 25÷6,3 мкм, отклонение от плоскостности 0,1÷0,2 мм на 1 м длины.
Чистовое фрезерование применяют для окончательной обработки или перед отделочной обработкой. Оно обеспечивает шероховатость поверхности Rа = 10-1,25 мкм и отклонение от плоскостности 0,04-0,08 мм на 1 м длины.
Тонкое фрезерование применяют как метод отделочной обработки плоских поверхностей торцевыми фрезами. Оно обеспечивает шероховатость Rа = 2,5÷0,63 мкм и отклонение от плоскостности 0,02-0,04 мм на 1 м длины.
Применение скоростных режимов фрезерования позволяет получить шероховатость поверхности при черновом Rz = 80 – 20 мкм, при получистовом Rz =40 до Rа = 2,5 мкм, при чистовом Rа = 2,5-0,63 мкм.
Плоское шлифование
Плоское шлифование – основной метод черновой и чистовой обработки плоскостей заготовок.
Существуют два метода плоского шлифования – шлифование пе5риферией круга (рис.12.5,а,в) на станках с прямоугольным и круглым столами,шлифование торцом круга (рис.12.4,в,г) на станках с прямоугольным и круглым столами.
Рис. 12.5. Схемы плоского шлифования:
а, в — периферией круга; б, г — торцом круга; 1 — заготовка; 2 — шлифовальный круг;
3 — прямоугольный стол; 4 — круглый стол
Кинематика движений понятна из рисунка.
22
















