Курсовая работа по электротехнике (968395)
Текст из файла
МОСКОВСКИЙ
ГОСУДАРСТВЕННЫЙ ТЕХНИЧЕСКИЙ УНИВЕРСИТЕТ
им. Н. Э. Баумана
Курсовая работа по электротехнике и
промышленной электронике.
Тема: "Расчет выпрямителей"
Студентка: Калинина Е. С.
Группа: См 11-51
Преподаватель: Васюков С.А.
Москва 2005г.
Задание:
Часть 1
Рассчитать полупроводниковый выпрямитель. Режим работы – продолжительный. Нагрузка – активная. Данные для расчета взять из таблицы в соответствии с номером варианта.
В процессе расчета студент должен:
-
Выбрать (с обоснованием выбора) схему выпрямления.
-
Выбрать (с обоснованием выбора) схему фильтра.
-
Рассчитать основные параметры полупроводникового диода для выбранной схемы и фильтра.
-
Выбрать (с обоснованием выбора) по справочнику полупроводниковый диод.
-
Рассчитать параметры фильтра, обеспечивающие заданный коэффициент пульсаций напряжения.
-
Выбрать (с обоснованием выбора) по справочникам конденсатор и дроссель необходимых номиналов.
-
Построить внешнюю характеристику выпрямителя и определить его внутреннее сопротивление.
-
Рассчитать напряжение и ток вторичной обмотки трансформатора для выбранной схемы и фильтра.
-
Выбрать (с обоснованием выбора) материал и тип сердечника трансформатора. Если эти параметры заданы, то обосновать их применение для данной схемы.
-
Рассчитать геометрические размеры сердечника трансформатора.
-
Рассчитать параметры обмоток (числа витков, диаметры проводов и. т. д.).
-
Рассчитать электрические и эксплуатационные параметры трансформатора (к. п. д., ток холостого хода, температуру перегрева обмоток).
-
Изобразить схему выпрямителя и эскиз магнитопровода и катушек трансформатора.
Пояснительная записка к курсовой работе должна содержать необходимые расчеты, схемы, графики, чертежи и состоять из 20 – 25 листов.
Часть 2
-
Составить электрическую схему замещения выпрямителя для моделирования с использованием программ Electronics Workbench или Multisim.
-
По результатам моделирования провести корректировку основных электрических и геометрических параметров выпрямителя.
Данные:
| Номер по журналу | Сетевое Напряжение U1, В | Частота сетевого Напряжения f, Гц | Номинальное среднее выпрямленное напряжение Uн, В | Номинальный средний ток нагрузки Iн, А | Коэффициент пульсаций напряжения нагрузки kп, % | Марка электротехн. стали | Тип магнито-провода | Схема выпрямления |
| 24.2 | 36 | 400 | 590 | 0,14 | 8 | Э340 | стержневой | мостовая |
Предварительный расчет.
Выбор типа выпрямителя.
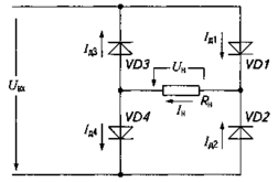
Так как однофазный мостовой двухполупериодный выпрямитель обладает рядом преимуществ по сравнению с другими схемами выпрямления, то его целесообразно выбрать в качестве схемы выпрямления.
Однофазный мостовой двухполупериодный выпрямитель
Рис. 1 Рис. 2
Также как и в двухполупериодной схеме выпрямления со средней точкой, в мостовой схеме напряжение прикладывается к нагрузке в течение всего периода изменения напряжения Uвх. При этом его значение при Uвх = Uвх 1 + Uвх 2 в два раза превышает выходное напряжение схемы Рис. 1. Поэтому при одном и том же напряжении нагрузки в мостовой схеме к обратносмещенным диодам прикладывается напряжение в два раза меньшее, чем в схеме Рис. 1.
Средние значения тока и напряжения на нагрузке для однофазного мостового двухполупериодного выпрямителя будут такими же, как и в двухполупериодной схеме со средней точкой:
Основная частота пульсаций выпрямленного напряжения в двухполупериодной мостовой схеме будет равна удвоенной частоте входного напряжения. Коэффициент пульсаций такой же, как и в двухполупериодной схеме со средней точкой: Kп = 0,67.
Особенностью мостовой схемы является то, что в ней последовательно с нагрузкой все время включено два диода, в то время как в описанных выше однофазной однополупериодной и однофазной двухполупериодной схемах такой диод один. Поэтому при низких входных напряжениях (4...5 В) использование мостовой схемы может оказаться неэффективным (падение напряжения на диодах по величине будет сравнимо с выходным напряжением выпрямителя) - для повышения КПД обычно применяют двухполупериодную схему со средней точкой (возможен также переход к использованию диодов Шоттки с малым падением напряжения при прямом смещении). С повышением напряжения разница в КПД схем уменьшается и определяющим фактором становится величина обратного напряжения, прикладываемого к запертым диодам в процессе работы выпрямителя. Поэтому при больших уровнях выходного напряжения обычно используют выпрямитель, выполненный по мостовой схеме.
Выбор типа сглаживающего фильтра.
Так как ток нагрузки меньше 0,5 А, то в качестве фильтра необходимо взять емкостный фильтр.
Емкостный фильтр является наиболее простым из всех видов сглаживающих фильтров. Он состоит из конденсатора, включаемого параллельно нагрузке. Коэффициент пульсаций напряжения на выходе выпрямителя с емкостным фильтром может быть найден по формуле:
m зависит от схемы выпрямителя (m = 1 для однофазного однополупериодного выпрямителя, m = 2 для однофазного двухполупериодного и мостового выпрямителей),
f - частота входного переменного напряжения.
Из приведенной формулы видно, что коэффициент пульсации на выходе выпрямителя с емкостным фильтром обратно пропорционален емкости применяемого конденсатора и величине сопротивления нагрузки. Поэтому применение такого фильтра рационально только при достаточно больших значениях этих величин. По мере совершенствования технологии изготовления конденсаторов большой емкости, рассматриваемый тип фильтра вследствие своей простоты и эффективности находит все большее применение.
Выбор типа диода.
Так как величина обратного напряжения на диодах достаточно велика, то целесообразно выбрать кремниевый диод (не Шоттки), потому что арсенид-галлиевые и кремниевые диоды Шоттки имеют маленькие значения пробивных напряжений.
Кремниевые выпрямительные диоды с p–n переходом — это наиболее распространенный в настоящее время вид диодов, применяемых во всех классах выпрямителей. Их основные свойства:
• максимально допустимые прямые токи кремниевых диодов различных типов
составляют 0,1... 1600 А, падение напряжения на диодах при этих токах не
превышает обычно 1,5 В;
• с увеличением температуры прямое падение напряжения уменьшается;
• обратная ветвь ВАХ кремниевых диодов не имеет ярко выраженного участка
насыщения;
• пробой кремниевых диодов имеет лавинный характер, поэтому пробивное
напряжение с увеличением температуры увеличивается (для некоторых типов
кремниевых диодов при комнатной температуре пробивное напряжение может
составлять 1500...2000 В);
• диапазон рабочих температур для кремниевых выпрямительных диодов
ограничен значениями-60...+125 °С.
Выбор типа трансформатора.
Ввиду того, что маломощные трансформаторы стержневого типа с двумя катушками имеют лучшее охлаждение и требуют меньшего расхода меди ввиду меньшей средней длины витка и возможной большей плотности тока в обмотках, то я возьму именно этот тип (Рис. 3 ).
Рис.3
Ориентировочное значение активного сопротивления трансформатора, приведенного к фазе вторичной обмотки, подсчитывается по формуле
а ориентировочное значение индуктивности рассеяния трансформатора, приведенной к фазе вторичной обмотки, — по формуле
kr и kL — коэффициенты, зависящие от схемы и характера нагрузки выпрямителя;
Uн — выпрямленное напряжение, В;
Iн — выпрямленный ток, А;
f — частота сети, Гц;
Вm, — максимальная магнитная индукция в сердечнике трансформатора, Тл;
s — число стержней трансформатора, на которых расположены обмотки.
Если первичная обмотка располагается между половинами вторичной обмотки или вторичная — между половинами первичной обмотки, то полученное значение Ls следует уменьшить в 4 раза.
Если при s = 2 витки вторичной обмотки расположены на двух стержнях трансформатора, а катушки соединены последовательно, то для для мостовой схемы полученное значение Ls следует уменьшить в 2 раза.
Величину максимальной индукции Вm в зависимости от выбранного материала сердечника и габаритной мощности трансформатора можно подобрать по таблице 1, а коэффициенты kr и kL при емкостной нагрузке по таблице 2.
Таблица 1.
| Марка стали | Э310, Э320, Э330, Э41, Э42, Э43 | Э340, Э350, Э360 | Э310, Э320, Э330, Э44, Э45, Э46 | Э340,Э350, Э360 |
| Толщина листа или ленты | 0,35 – 0,5 мм | 0,05 – 0,1 мм | 0,2 – 0,35 мм | 0,05 – 0,1 мм |
| Pгаб, ВА | Индукция Bm, тл | |||
| f =50 гц | f =400 гц | |||
| 10 | 1,1 | 1,2 | 1,0 | 1,15 |
| 20 | 1,26 | 1,4 | 1,08 | 1,33 |
| 40 | 1,37 | 1,55 | 1,13 | 1,47 |
| 70 | 1,39 | 1,6 | 1,14 | 1,51 |
| 100 | 1,35 | 1,6 | 1,12 | 1,5 |
| 200 | 1,25 | 1,51 | 1,02 | 1,4 |
| 400 | 1,13 | 1,43 | 0,92 | 1,3 |
| 700 | 1,05 | 1,35 | 0,83 | 1,2 |
| 1000 | 1,0 | 1,3 | 0,78 | 1,15 |
| 2000 | 0,9 | 1,2 | 0,68 | 1,05 |
Характеристики
Тип файла документ
Документы такого типа открываются такими программами, как Microsoft Office Word на компьютерах Windows, Apple Pages на компьютерах Mac, Open Office - бесплатная альтернатива на различных платформах, в том числе Linux. Наиболее простым и современным решением будут Google документы, так как открываются онлайн без скачивания прямо в браузере на любой платформе. Существуют российские качественные аналоги, например от Яндекса.
Будьте внимательны на мобильных устройствах, так как там используются упрощённый функционал даже в официальном приложении от Microsoft, поэтому для просмотра скачивайте PDF-версию. А если нужно редактировать файл, то используйте оригинальный файл.
Файлы такого типа обычно разбиты на страницы, а текст может быть форматированным (жирный, курсив, выбор шрифта, таблицы и т.п.), а также в него можно добавлять изображения. Формат идеально подходит для рефератов, докладов и РПЗ курсовых проектов, которые необходимо распечатать. Кстати перед печатью также сохраняйте файл в PDF, так как принтер может начудить со шрифтами.
















