Шахназаров Г.А. - Динамический расчет автоматических регуляторов и СУ сварочным технологическим оборудованием (963108)
Текст из файла
Московский государственный технический университет имени Н.Э.Баумана
Факультет “Информатика и системы управления”
Кафедра «Системы автоматического управления»
ДОМАШНЕЕ ЗАДАНИЕ
по дисциплине "Управление в технических системах"
для групп специальности МТ7
«Динамический расчет автоматических регуляторов и
систем управления сварочным технологическим
оборудованием»
Автор ШАХНАЗАРОВ Г.А
Москва 2007
Введение.
Домашнее задание ставит своей основной целью практическое применение студентами специальности МТ7 знаний основных положений и методов теории автоматического управления, приобретенных ими в процессе изучения дисциплины "Управление в технических системах" для решения задач динамического проектирования автоматических регуляторов и систем управления сварочным технологическим оборудованием.
Домашнее задание можно условно представить состоящим из двух частей.
Первая часть - связана с решением задач начального этапа процесса динамического проектирования систем управления, а именно:
-
формирование концептуальной, функциональной схемы проектируемой системы автоматического управления сварочным технологическим оборудованием;
-
формирование математического описания функциональных элементов проектируемой системы управления сварочным технологическим оборудованием;
-
преобразование математических моделей с целью их приведения к эффективным для использования различным стандартным каноническим формам;
-
решение задач предварительного анализа устойчивости, статической точности и динамического качества системы управления.
Вторая часть домашнего задания непосредственно связана с решением задач динамического проектирования автоматических регуляторов и систем, а именно:
-
определение структуры и параметров автоматического регулятора;
-
коррекция динамических характеристик проектируемой системы с целью обеспечения требуемых показателей динамического качества;
-
анализ устойчивости, получение оценок запасов устойчивости спроектированной системы;
-
получение оценок показателей статической точности и динамического качества спроектированной системы;
Вариант Домашнего задания зависит от порядкового номера студента в списке группы. Номер Варианта Домашнего задания определяет:
-
тип автоматической системы, которая должна быть спроектирована и исследована в процессе выполнения Домашнего задания;
-
математические модели элементов проектируемой автоматической системы и числовые значения их параметров;
-
требования к показателям статической точности и динамического качества проектируемой автоматической системы.
В Домашнем задании рассматриваются четыре различных варианта типовых автоматических приводов, широко используемых для управления элементами сварочного технологического оборудования:
-
“Автоматический следящий привод с аналоговым регулятором и коррекцией последовательного типа” (вариант «А»);
-
“Цифровой привод автоматического позиционирования элементов технологического оборудования“ (вариант «B»);
-
“Скоростной автоматический привод с аналоговым регулятором и коррекцией последовательного типа” (вариант «C»);
-
“Цифровой скоростной автоматический привод” (вариант «D»).
Функциональные схемы перечисленных выше типов автоматических систем, математические модели их отдельных функциональных элементов приведены ниже.
Принятые условные обознаечния.
| Обозначение | Наименование | Обозначение | Наименование |
| ДПСГ | Датчик положения сварочной головки | Ред | Редуктор |
| ПрУс | Предварительный усилитель | КОНТ | Цифровой контроллер |
| УМ | Усилитель мощности | ЦАП | Цифро-аналоговый преобразователь |
| КУ | Корректирующее устройство | ЦДП | Цифровой датчик положения сварочной головки; |
| ДВ | Исполнительный двигатель | СГ | Сварочная головка |
Технические требования к проектируемой автоматической системе, а также числовые значения параметров математических моделей функциональных элементов системы приведены в Таблице 1.
Функциональные блок-схемы автоматических систем
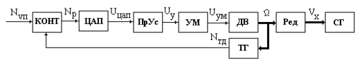
Тип системы «А»
Автоматический следящий привод с аналоговым регулятором и коррекцией последовательного типа
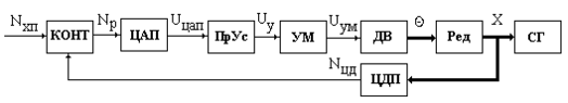
Тип системы «B»
Цифровой привод автоматического позиционирования элементов технологического оборудования
Тип системы «C»
Скоростной автоматический привод с аналоговым регулятором и коррекцией последовательного типа
Тип системы «D»:
Цифровой, скоростной автоматический привод
Математическое описание функциональных элементов
автоматических систем.
Математическая модель дaтчика положения сварочной головки (ДПСГ):
где:
- напряжение на выходе датчика положения [мВ];
- коэффициент передачи датчика положения [мВ/мм];
- текущее значение координаты сварного шва [мм];
- фактическое значение координаты сварочной головки [мм];
- отклонение координаты
сварочной головки от её требуемого положения, ошибка позиционирования [мм];
Математическая модель цифрового дaтчика положения сварочной головки (ЦДП):
где:
- цифровой код на выходе датчика положения [дв.ед.]
- коэффициент передачи цифрового датчика положения [дв ед/мм];
- фактическое значение координаты
сварочной головки [мм];
- максимальное значение координаты
сварочной головки [мм];
- число двоичных разрядов представления
[ед];
Математическая модель тахогенератора:
где:
- напряжение на выходе тахогенератора [В];
- коэффициент передачи тахогенератора [в/(рад/с)];
- угловая скорость вращения ротора тахогенератора [рад/с];
- мгновенное значение угла поворота ротора тахогенератора [рад];
Математическая модель цифрового таходатчика:
где:
- код на выходе тахогенератора [дв.ед.];
- коэффициент передачи цифрового таходатчика [ед./(рад/с)];
- угловая скорость вращения ротора таходатчика [рад/с];
- мгновенное значение угла поворота ротора таходатчика [рад];
Математическая модель цифрового контроллера:
Разностное уравнение цифрового регулятора в операторной форме;
где:
- код ошибки регулирования [дв ед];
- код регулирующего воздействия [дв ед];
- код программного, требуемого значения положения СГ [дв ед];
- код программного, требуемого значения скорости перемещения СГ
[дв ед];
Математическая модель цифро-аналогового преобразователя (ЦАП):
где:
- напряжение на выходе ЦАП [В];
- коэффициент передачи ЦАП [В/дв ед];
- код регулирующего воздействия [дв ед];
- максимальное напряжение на выходе ЦАП [В];
- число двоичных разрядов ЦАП [ед];
Математическая модель предварительного усилителя:
где:
- напряжение на выходе предварительного усилителя [В];
- коэффициент усиления предварительного усилителя [ед];
- напряжение на выходе ЦАП [В];
- напряжение на выходе датчика положения СГ [В];
Математическая модель усилителя мощности:
где:
- напряжение на выходе усилителя мощности [В];
- коэффициент усиления усилителя мощности [ед];
- постоянная времени усилителя мощности [с];
- напряжение на входе усилителя мощности (на выходе предварительного усилителя) [B];
Математическая модель исполнительного двигателя:
где:
- электромеханическая постоянная времени двигателя [c];
- коэффициент передачи двигателя [paд/c B];
- угловая скорость вращения ротора двигателя [paд/c];
- мгновенное значение угла поворота ротора двигателя [paд];
Математическая модель рeдуктopа:
где:
- коэффициент передачи редуктора[мм/рад];
- линейное перемещение головки сварочного автомата [мм];
Характеристики
Тип файла документ
Документы такого типа открываются такими программами, как Microsoft Office Word на компьютерах Windows, Apple Pages на компьютерах Mac, Open Office - бесплатная альтернатива на различных платформах, в том числе Linux. Наиболее простым и современным решением будут Google документы, так как открываются онлайн без скачивания прямо в браузере на любой платформе. Существуют российские качественные аналоги, например от Яндекса.
Будьте внимательны на мобильных устройствах, так как там используются упрощённый функционал даже в официальном приложении от Microsoft, поэтому для просмотра скачивайте PDF-версию. А если нужно редактировать файл, то используйте оригинальный файл.
Файлы такого типа обычно разбиты на страницы, а текст может быть форматированным (жирный, курсив, выбор шрифта, таблицы и т.п.), а также в него можно добавлять изображения. Формат идеально подходит для рефератов, докладов и РПЗ курсовых проектов, которые необходимо распечатать. Кстати перед печатью также сохраняйте файл в PDF, так как принтер может начудить со шрифтами.
















