Лабораторная работа №2 (955164)
Текст из файла
3
Министерство образования и науки Российской Федерации
ГОСУДАРСТВЕННОЕ ОБРАЗОВАТЕЛЬНОЕ УЧЕРЕЖДЕНИЕ ВЫСШЕГО
ПРОФЕССИОНАЛЬНОГО ОБРАЗОВАНИЯ
Московский Государственный Технический
Университет им. Н.Э. Баумана
ФАКУЛЬТЕТ РАДИОЭЛЕКТРОНИКИ И ЛАЗЕРНОЙ ТЕХНИКИ
КАФЕДРА ТЕХНОЛОГИИ ПРИБОРОСТРОЕНИЯ
Сагателян Г.Р.
РАСЧЁТ КОЛИЧЕСТВЕННЫХ ПОКАЗАТЕЛЕЙ ТЕХНОЛОГИЧНОСТИ СБОРОЧНЫХ ЕДИНИЦ ИЗДЕЛИЯ
(Методические указания для выполнения лабораторной работы №2 по курсу «Основы технологии приборостроения»)
(Учебное пособие)
Москва 2009
Методику расчёта показателей технологичности изложим применительно к изделию, рассматривавшемуся в рамках предыдущей лабораторной работы.
Общий вид изделия приведен на рис. 1, схема сборки изделия приведена на рис. 2, дерево конструкции изделия приведено на рис. 3.
ПОСТРОЕНИЕ ГРАФА ПОКАЗАТЕЛЕЙ ТЕХНОЛОГИЧНОСТИ ИЗДЕЛИЯ
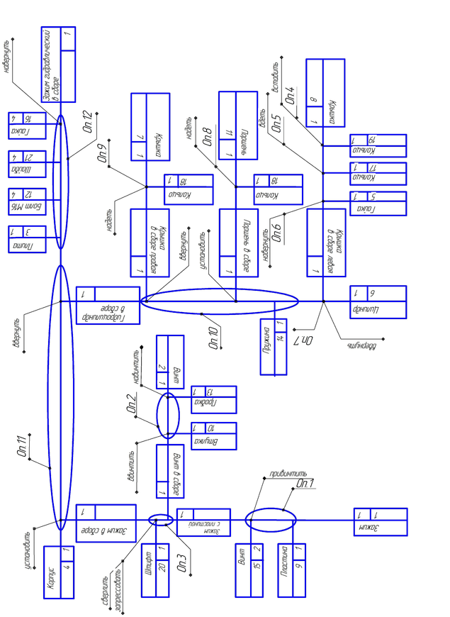
Дерево (граф) показателей технологичности изделия обосновывает расчёт комплексного показателя технологичности изделия КТ (рис. 4).
Граф показателей технологичности имеет уровневую структуру. На нулевом (наивысшем) уровне располагается комплексный показатель технологичности изделия КТ, который состоит из обобщающего показателя технологичности сборочных единиц КСЕ и обобщенного показателя технологичности деталей, входящих непосредственно в состав изделия КД. Этот уровень (первый) является уровнем обобщающих показателей технологичности.
Таким образом, вершины графа, приведенного на рис. 4, являются численными значениями, а дуги графа соответствует отношению «состоит из».
Следующим (вторым) уровнем является уровень конкретных показателей.
Обобщенный показатель технологичности деталей КД состоит из показателей технологичности конкретных деталей «Корпус» (поз. 4) - КД13, «Плита» (поз. 3) - КД11 и «Болт М16» (поз. 12) - КД12. Стандартные и покупные изделия в состав графа показателей технологичности не входят.
Обобщенный показатель технологичности сборочных единиц КСЕ состоит из показателей технологичности конкретных сборочных единиц СЕ1 («Зажим в сборе») – КСЕ 1 и СЕ4 («Гидроцилиндр в сборе») – КСЕ 4, а также показателем технологичности КС.О., характеризующего технологичности сборки составных частей изделия на данном уровне. Для рассматриваемого изделия показатель КС.О. характеризует технологичность сборки (соединения между собой) сборочных единиц СЕ1 («Зажим в сборе»), СЕ4 («Гидроцилиндр в сборе») и деталей Д13 («Корпус»), Д11 («Плита»), четырех деталей Д12 («Болт М16»), а также четырех шайб (поз. 21) и четырех гаек (поз.16).
Вершины графа КС.О являются конечными (висячими) вершинами и не связаны с дугами вершинами низлежащих уровней. Такими же конечными (висячими) вершинами графа являются вершины, относящиеся к конкретным деталям.
В то же время вершины графа, соответствующие конкретным сборочным единицам, не являются конечными и связаны дугами с вершинами, соответствующими обобщающим показателем технологичности для сборочных единиц и деталей низлежащего уровня.
Так, в рассмотренном примере показатель технологичности КСЕ 4 конкретной сборочной единицы СЕ4 «Гидроцилиндр в сборе» состоит из обобщающих показателей КСЕ IV и КДIV, характеризующих обобщенно технологичность сборочных единиц и деталей, входящих в состав этой сборочной единицы.
Это же относится к показателю КСЕ 1, но, поскольку непосредственно в состав сборочной единицы СЕ1 «Зажим в сборе» входит только одна стандартная деталь «Штифт» (поз. 20), то оказывается, что показатель КСЕ1 состоит только из показателя КСЕI.
Показатель технологичности КСЕI обобщает технологичность сборочных единиц СЕ2 «Зажим с пластиной» и СЕ3 «Винт в сборе», а также технологичность сборки между собой этих сборочных единиц с применением детали «Штифт» (поз. 20). Указанное обобщение отображается тем, что вершина графа КСЕI связана дугами с вершинами КСЕ2, КСЕ3, и КС.ОI.
Возвращаясь к сборочной единице СЕ4 «Гидроцилиндр в сборе», отметим, что характеризующий обобщенно технологичность изготовления её деталей показатель КДIV состоит только из показателя технологичности Кд10 детали «Пружина» (поз. 14), а характеризующий обобщенно технологичность её сборки показатель КСЕIV состоит из показателей КСЕ5 (характеризует технологичность сборочной единицы СЕ5 «Крышка в сборе левая»), КСЕ 6 (характеризует технологичность сборочной единицы СЕ6 «Поршень в сборе»), КСЕ7 (характеризует технологичность
| Формат | Зона | Позиция | Обозначение | Наименование | Колич. | Прим. |
| А2 А3 А3 А3 А3 А4 А3 А4 А3 А4 А4 А3 А4 А4 А4 | 1 2 3 4 5 6 7 8 9 10 11 12 13 14 15 16 17 18 19 20 21 | МЧ00.04.00.00.СБ МЧ00.04.00.01 МЧ00.04.00.02 МЧ00.04.00.03 МЧ00.04.00.04 МЧ00.04.00.05 МЧ00.04.00.06 МЧ00.04.00.07 МЧ00.04.00.08 МЧ00.04.00.09 МЧ00.04.00.10 МЧ00.04.00.11 МЧ00.04.00.12 МЧ00.04.00.13 МЧ00.04.00.14 | Документация Сборочный чертеж Детали Зажим Винт Плита Корпус Гайка Цилиндр Крышка Крышка Пластина Втулка Поршень Болт М16 Пробка Пружина Стандартные изделия Винт А.М16х30.58 ГОСТ 1491-80 Гайка М16.5 ГОСТ 5915-70 Кольцо 0288-033-30 ГОСТ 9833-73 Кольцо 055-060-30 ГОСТ 9833-73 Кольцо СГ 28-17-3 ГОСТ 6418-81 Штифт 4h8x25 ГОСТ 3128-70 Шайба 16.01.019 ГОСТ 11371-78 | 1 1 1 1 1 1 1 1 1 1 1 4 1 1 2 4 1 2 1 1 4 |
Описание работы изделия. Гидравлический зажим одностороннего действия предназначен для закрепления обрабатываемой детали.
Зажим устанавливают в поперечный паз стола станка при помощи нижнего выступа плиты поз.3 и закрепляют четырьмя болтами поз.12. Зажим устанавливают в одно из трех фиксируемых положений (верхний выступ в плите поз.3 соответственно входит в одну из трех канавок в корпусе поз.4) перпендикулярно станочным пазам, что обеспечивает его неподвижность при большом зажимном усилии.
В корпусе поз.4 расположен зажим поз.1, соединенный с винтом поз.2 и поршнем поз.11 гидроцилиндра. К резьбовому отверстию крышки поз.7 присоединяют гибкий шланг системы. Под давлением масла поршень перемещается влево, действуя на зажим поз.1, который закрепляет обрабатываемую деталь. В исходное положение зажим возвращает пружина поз.14. Уплотнительные кольца поз. 17,18,19 обеспечивают герметичность гидроцилиндра.
Материал Деталей: Поз.1,4 – 6, 8 – Отливка 15Л-1 ГОСТ 977-25; Поз.2,10,12,13 – Сталь 20 ГОСТ 1050-74; Поз. 14 – Сталь 65Г ГОСТ 1050-74; Поз. 3, 7 – сталь 45; Поз. 9 – сталь У8А; Поз. 11 – сталь 40х.
Рис. 1. Зажим гидравлический.
4
Рис. 2. Схема сборки изделия «Зажим гидравлический»
Рис. 3. Дерево конструкции изделия «Зажим гидравлический»
сборочной единицы СЕ7 «Крышка в сборе правая» и КС.ОIV (характеризует технологичность соединения между собой сборочных единиц СЕ5 «Крышка в сборе левая», СЕ6 «Поршень сборе», СЕ7 «Крышка в сборе правая» и детали Д10 «Пружина»).
Аналогично, технологичность каждой из сборочных единиц СЕ2, СЕ3, СЕ5, СЕ6 и СЕ7 характеризуется технологичностью изготовления входящих в их состав деталей и технологичностью сборки сборочных единиц. Это отражается на графе тем, что конкретные показатели технологичности КСЕ 2, КСЕ 3, КСЕ 5, КСЕ 6, и КСЕ 7 состоят из обобщающих показателей соответственно: КСЕ II и КДII; КСЕ III и КДIII; КСЕ V и КДV; КСЕ VI и КДVI; КСЕ VII и КДVII.
Поскольку эти сборочные единицы не содержат в себе других сборочных единиц, то оказывается, что соответствующие обобщенные показатели технологичности КСЕ II, КСЕ III, КСЕ V, КСЕ VI и КСЕ VII состоят только из показателей технологичности соответственно КС.ОII, КС.ОIII, КС.ОV, КС.ОVI и КС.ОVII, характеризующих технологичность сборки этих сборочных единиц из деталей.
Наконец, обобщающие показатели технологичности изготовления деталей КДII, КДIII, КДV, КДVI и КДVII состоят из показателей технологичности изготавливаемых (т. е. не стандартных и не покупных) деталей соответствующих сборочных единиц. А именно:
- показатель КДII состоит из показателей КД1 детали «Зажим» (поз. 1) и КД2 детали «Пластина» (поз. 9);
- показатель КДIII состоит из показателей КД3 детали «Винт» (поз. 2), КД4 детали «Пробка» (поз. 13) и КД5 детали «Втулка» (поз. 10);
- показатель КДV состоит из показателя КД6 детали «Крышка» (поз. 8) и КД7 детали «Гайка» (поз. 5);
Характеристики
Тип файла документ
Документы такого типа открываются такими программами, как Microsoft Office Word на компьютерах Windows, Apple Pages на компьютерах Mac, Open Office - бесплатная альтернатива на различных платформах, в том числе Linux. Наиболее простым и современным решением будут Google документы, так как открываются онлайн без скачивания прямо в браузере на любой платформе. Существуют российские качественные аналоги, например от Яндекса.
Будьте внимательны на мобильных устройствах, так как там используются упрощённый функционал даже в официальном приложении от Microsoft, поэтому для просмотра скачивайте PDF-версию. А если нужно редактировать файл, то используйте оригинальный файл.
Файлы такого типа обычно разбиты на страницы, а текст может быть форматированным (жирный, курсив, выбор шрифта, таблицы и т.п.), а также в него можно добавлять изображения. Формат идеально подходит для рефератов, докладов и РПЗ курсовых проектов, которые необходимо распечатать. Кстати перед печатью также сохраняйте файл в PDF, так как принтер может начудить со шрифтами.
















