Лабораторная работа №2 (955164), страница 2
Текст из файла (страница 2)
- показатель КДVI состоит только из показателя КД8 детали «Поршень» (поз. 11);
- показатель КДVII состоит только из показателя КД9 детали «Крышка» (поз. 7).
ПОСТРОЕНИЕ МАТЕМАТИЧЕСКИХ МОДЕЛЕЙ ДЛЯ РАСЧЕТОВ ПОКАЗАТЕЛЕЙТЕХНОЛОГИЧНОСТИ
Разработанный граф показателей технологичности изделия служит для расчёта в соответствии с ним показателей технологичности, являющихся вершинами графа.
Каждый из показателей технологичности, будучи численной оценкой нечёткого понятия «технологичность», является числом из диапазона [0;1]. При этом единице соответствует максимальная приспособленность конструкции детали или сборочной единицы к её изготовлению или сборке с минимальными издержками на производство и минимальными затратами труда при максимальной комфортности выполнения работ с возможностью применения средств механизации и автоматизации.
Нулевое значение показателя технологичности свидетельствует о полном несоответствии конструкции изделия указанным критериям.
Для того чтобы обеспечивалось попадание численного значения каждого из показателей технологичности в диапазон [0;1], каждый вышележащий показатель технологичности (см. граф на рис. 4) должен определённым образом «усреднять» те показатели технологичности, из которых он состоит.
При расчёте показателя технологичности изделия КТ, предполагается, что изготовление деталей и сборка изделия являются равнозначными видами производства. Поэтому показатель технологичности конкретного изделия является средним арифметическим от обобщающих показателей технологичности.
где КТ, КСЕ и КД – показатели технологичности – вершины графа на рис. 4.
Из тех же соображений показатели технологичности
каждой конкретной сборочной единицы CEJ определяются аналогично выражению (1) по формуле:
где КJСЕ и КJД – обобщенные показатели технологичности сборочных единиц и деталей, входящих в состав сборочной единицы CEJ.
Поэтому показатель технологичности сборочной единицы СЕ1 «Зажим с боре» определяется по формуле:
где КICE – обобщающий показатель технологичности сборочных единиц «Зажима в сборе».
Показатель технологичности сборочной единицы СЕ4 «Гидроцилиндр в сборе» определяется по формуле:
где КIVСЕ и КIVД – обобщенные показатели технологичности соответственно сборочных единиц и деталей, входящих в состав «Гидроцилиндра в сборе».
Показатель технологичности сборочной единицы СЕ2 «Зажим с пластиной» определяется по формуле:
где КIIСЕ и КIIД – обобщающие показатели технологичности соответственно сборочных единиц и деталей, входящих в состав «Зажима с пластиной».
Показатель технологичности сборочной единицы СЕ3 «Винт в сборе» определяется по формуле:
где КIIIСЕ и КIIIД – обобщающие показатели технологичности соответственно сборочных единиц и деталей, входящих в состав «Винта в сборе».
Показатель технологичности сборочной единицы СЕ5 «Крышка в сборе левая» определяется по формуле:
где КVСЕ и КVД – обобщающие показатели технологичности соответственно сборочных единиц и деталей, входящих в состав «Крышки в сборе левой».
Показатель технологичности сборочной единицы СЕ6 «Поршень в сборе» определяется по формуле:
где КVIСЕ и КVIД – обобщающие показатели технологичности соответственно сборочных единиц и деталей, входящих в состав «Поршня в сборе».
Показатель технологичности сборочной единицы СЕ7 «Крышка в сборе правая» определяется по формуле:
где КVIIСЕ и КVIIД – обобщающие показатели технологичности соответственно сборочных единиц и деталей, входящих в состав «Крышки в сборе правой».
Входящий в состав формулы (1) обобщающий показатель технологичности КСЕ сборки изделия «Зажим гидравлический» рассчитывается по следующей усредняющей формуле:
где КСЕ1 и КСЕ4 – показатели технологичности сборочных единиц СЕ1 «Зажим в сборе» и СЕ4 «Гидроцилиндр в сборе»;
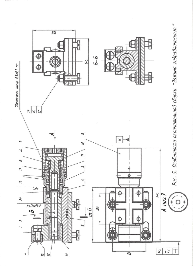
КС.О – показатель технологичности сборочных операций, при которых соединяют между собой «Зажим в сборе», «Гидроцилиндр в сборе», «Плиту», четыре «Болта М16», а также четыре «Шайбы» (поз. 21) и четыре «Гайки» (поз.16).
Р1, Р4 – общее число составных частей, т. е. деталей и сборочных единиц (включая стандартные и покупные) с учётом количества одинаковых составных частей, входящих в состав соответственно «Зажима в сборе» (сборочная единица СЕ1) и «Гидроцилиндра в сборе» (сборочная единица СЕ4).
Р – определяемое аналогично количество составных частей изделия при его общей сборке.
Из рассмотрения формулы (10) видно, что она обеспечивает попадание величины КСЕ в диапазон [0;1], при условии попадания в диапазон [0;1] величин КСЕ1, КСЕ4 и КС.О.
РАСЧЁТ ПОКАЗАТЕЛЕЙ ТЕХНОЛОГИЧНОСТИ
Определим численное значение величине Р, Р1 и Р4.
Поскольку изделие «Зажим гидравлический» при своей общей сборке состоит из следующих составных частей:
- «Зажим в сборе» – 1 шт.;
- «Гидроцилиндр в сборе» – 1 шт.;
- Плита (поз. 3) – 1 шт.;
- Болт М16 (поз. 12) – 4 шт.;
- Шайба (поз. 21) – 4 шт.;
- Гайка (поз. 16) – 4 шт.,
то оказывается, что Р = 15.
В свою очередь, сборочная единица СЕ1 «Зажим в сборе» при своей поузловой сборке собирается из следующих составных частей:
- «Зажим с пластиной» - 1 шт.;
- «Винт в сборе» - 1 шт.;
- Штифт (поз. 21) – 1 шт.,
поэтому Р1 = 3.
Сборочная единица СЕ4 «Гидроцилиндр в сборе» при своей поузловой сборке собирается из следующих составных частей:
- «Крышка в сборе левая» - 1 шт.;
- «Поршень в сборе» - 1 шт.;
- «Крышка в сборе правая» - 1 шт.;
- Пружина (поз. 14) – 1 шт.,
поэтому Р4 = 4.
Полученные величины Р, Р1 и Р4 можно подставить в формулу (10).
Из входящих в формулу (10) величин на данный момент можно рассчитать величину КС.О, которая определяется по формуле:
где Ai – поправки, соответствующие i-тому частному показателю технологичности и выбранные по табл. 1.
Для определения частотных показателей технологичности, определяющих КС.О, оцениваем технологичность установки сборной единицы СЕ1 «Зажим в сборе» на «Корпус» (поз. 4) и ввинчивания сборочной единицы СЕ2 «Гидроцилиндр в сборе», а также свинчивания «Плиты» (поз. 3) с корпусом четырьмя «Болтами М16» (поз. 12), шайбами (поз. 21) и гайками (поз. 16) при окончательной сборке изделия «Зажим гидравлический».
Таблица 1.
Номенклатура частных показателей технологичности и численные значения соответствующих поправок для механических сборочных единиц
Поправка А1 учитывает количество «Зажимов гидравлических», входящих в состав некоторого (более крупного) изделия. Поскольку мы не имеем этой информации, считаем, что каждый потребитель применяет лишь один «Зажим гидравлический». Поэтому, в соответствие с табл. 1,
А1 = 0,15.
Поправка А2 учитывает количество наименований деталей, входящих в состав изделия «Зажим гидравлический». В соответствии со спецификацией (см. рис. 1) имеется 14 наименований деталей. Поэтому, в соответствии с табл. 1,
















