лр3 бр7 (945960)
Текст из файла
Московский энергетический институт (технический университет)
Кафедра электротехники и интроскопии
Лабораторно-практическое занятие №3
Последовательное соединение элементов в цепи синусоидального тока.
Студент:
Группа:
Бригада: 7
Преподаватель:
К работе допущен:
Работа выполнена:
Отчет принят:
Москва 2003
Цель работы: изучение свойств электрической цепи при последовательном соединении элементов в цепи синусоидального тока. Определение параметров схемы замещения индуктивной катушки. Изучение режима резонанса напряжений.
Задача
К источнику электрической энергии с напряжением U = 170 В, частотой f = 50 Гц подключены последовательно элементы с параметрами R = 150 Ом, L = 4,8 Гн и C = 2 мкФ. Рассчитать: XL, XC, Z, I, cos, мощности P, Q и S. Построить в масштабе векторную диаграмму тока и напряжений.
Решение:
1
) XL = L = 2L = 250Гц4,8Гн = 1507,2 Ом
cos = 0,869; sin = -0,493
Р
абочее задание
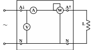
1. Определение параметров индуктивной катушки методом амперметра, вольтметра и ваттметра.
1.1. Изменяя действующее значение напряжения U источника питания, установили действующий ток в цепи в пределах от 0,6 до 1 А. Измерили и получили значения тока, напряжения и мощности.
I=0.8 A U=37.5 В P=8.5 Вт
1.2. По результатам измерений рассчитали параметры индукционной катушки.
2. Определение параметров индуктивной катушки методом резонанса.
Активная мощность: P = IрезU = 0,904 А12В = 10.84Вт.
3. Включили последовательно с индукционной катушкой батарею конденсаторов. Установили напряжение 6 В. Изменяя емкость батареи конденсаторов, получили режим резонанса напряжений.
Напряжение источника: U = 6,2 В.
Резонансная емкость: C = 70 мкФ.
Резонансный ток: I = 0,38 А.
Активная мощность: P = 2,1 Вт.
Напряжение на конденсаторе: UC = 16,8 В.
Напряжение на катушке: UК = UC = 18,1 В.
4. Рассчитали параметры L и R индуктивной катушки резонансным методом.
5. Сняли зависимости I(C), UC(C), P(C) при U = 13 В для 5-7 значений с батареи конденсаторов в интервале от Срез/3 до 1,5Срез.
| C (мкФ) | 42 | 52 | 62 | 72 | 82 | 92 | 102 |
| I (A) | 0.36 | 0,55 | 0,74 | 0,83 | 0,76 | 0,64 | 0,55 |
| UC (B) | 20,6 | 22,3 | 24,9 | 26,9 | 26,8 | 25,6 | 24.7 |
| P (Вт) | 2,2 | 4,5 | 7,7 | 9,5 | 8 | 5,9 | 4 |
| k | 0,51 | 0,68 | 0,87 | 0,95 | 0,88 | 0,77 | 0,61 |
Графики зависимостей:
Характеристики
Тип файла документ
Документы такого типа открываются такими программами, как Microsoft Office Word на компьютерах Windows, Apple Pages на компьютерах Mac, Open Office - бесплатная альтернатива на различных платформах, в том числе Linux. Наиболее простым и современным решением будут Google документы, так как открываются онлайн без скачивания прямо в браузере на любой платформе. Существуют российские качественные аналоги, например от Яндекса.
Будьте внимательны на мобильных устройствах, так как там используются упрощённый функционал даже в официальном приложении от Microsoft, поэтому для просмотра скачивайте PDF-версию. А если нужно редактировать файл, то используйте оригинальный файл.
Файлы такого типа обычно разбиты на страницы, а текст может быть форматированным (жирный, курсив, выбор шрифта, таблицы и т.п.), а также в него можно добавлять изображения. Формат идеально подходит для рефератов, докладов и РПЗ курсовых проектов, которые необходимо распечатать. Кстати перед печатью также сохраняйте файл в PDF, так как принтер может начудить со шрифтами.
















