ЭЛ_ТЕХ~3 (945958)
Текст из файла
Московский энергетический институт
(Технический Университет)
Кафедра электротехники и интроскопии
Лабораторно-практическое занятие №3
Последовательное соединение элементов в цепи синусоидального тока.
Студент: Кирпичников А. В.
Группа: ТФ-7-01
Бригада: 7
К работе допущен:
Работа выполнена:
Отчет принят:
Москва 2003 г.
Цель работы: изучение свойств электрической цепи при последовательном соединении элементов в цепи синусоидального тока. Определение параметров схемы замещения индуктивной катушки. Изучение режима резонанса напряжений.
Задача
К источнику электрической энергии с напряжением U = 160 В, частотой f = 50 Гц подключены последовательно элементы с параметрами R = 140 Ом, L = 4,2 Гн и C = 2,31 мкФ. Рассчитать: XL, XC, Z, I, cos, мощности P, Q и S. Построить в масштабе векторную диаграмму тока и напряжений.
Решение:
1
) XL = L = 2L = 250Гц4,2Гн = 1318,8 Ом
Cos = 0,855; sin = -0,519
Р
абочее задание
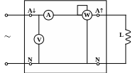
1. Определение параметров индуктивной катушки методом амперметра, вольтметра и ваттметра.
1.1. Изменяя действующее значение напряжения U источника питания, установили действующий ток в цепи в пределах от 0,6 до 1 А. Измерили и получили значения тока, напряжения и мощности.
I = 0,8 А
U = 38 В
P = 9 Вт
1.2. По результатам измерений рассчитали параметры индукционной катушки.
2. Определение параметров индуктивной катушки методом резонанса.
Активная мощность: P = IрезU = 0,421 А6В = 2,53Вт.
3. Включили последовательно с индукционной катушкой батарею конденсаторов. Установили напряжение 6 В. Изменяя емкость батареи конденсаторов, получили режим резонанса напряжений.
Напряжение источника: U = 6,2 В.
Резонансная емкость: C = 70 мкФ.
Резонансный ток: I = 0,38 А.
Активная мощность: P = 2,1 Вт.
Напряжение на конденсаторе: UC = 16,8 В.
Напряжение на катушке: UК = UC = 18,1 В.
4. Рассчитали параметры L и R индуктивной катушки резонансным методом.
5. Сняли зависимости I(C), UC(C), P(C) при U = 13 В для 5-7 значений с батареи конденсаторов в интервале от Срез/3 до 1,5Срез.
| C (мкФ) | 30 | 40 | 50 | 70 | 80 | 90 | 100 |
| I (A) | 0,1 | 0,16 | 0,25 | 0,36 | 0,33 | 0,29 | 0,26 |
| UC (B) | 10,7 | 13,6 | 16,6 | 17,2 | 13,6 | 10,6 | 8,6 |
| P (Вт) | 0,1 | 0,4 | 1 | 2,1 | 1,8 | 1,4 | 1,1 |
| k | 0,09 | 0,42 | 0,67 | 0,97 | 0,91 | 0,8 | 0,71 |
Графики зависимостей:
Характеристики
Тип файла документ
Документы такого типа открываются такими программами, как Microsoft Office Word на компьютерах Windows, Apple Pages на компьютерах Mac, Open Office - бесплатная альтернатива на различных платформах, в том числе Linux. Наиболее простым и современным решением будут Google документы, так как открываются онлайн без скачивания прямо в браузере на любой платформе. Существуют российские качественные аналоги, например от Яндекса.
Будьте внимательны на мобильных устройствах, так как там используются упрощённый функционал даже в официальном приложении от Microsoft, поэтому для просмотра скачивайте PDF-версию. А если нужно редактировать файл, то используйте оригинальный файл.
Файлы такого типа обычно разбиты на страницы, а текст может быть форматированным (жирный, курсив, выбор шрифта, таблицы и т.п.), а также в него можно добавлять изображения. Формат идеально подходит для рефератов, докладов и РПЗ курсовых проектов, которые необходимо распечатать. Кстати перед печатью также сохраняйте файл в PDF, так как принтер может начудить со шрифтами.
















