СБ-ЗАДАЧ-УС (944137), страница 3
Текст из файла (страница 3)
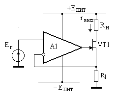
Задание № 12.4 | |
| | Дано: ОУ (А1): Кu д= 104, rвых ОУ=50 ом, VT1 =Si, Y21=100 mA/В, rси= 50кОм. R1= 1к, Rн =2к, Ег=+2В. Опр: Iн, rвых. |
13. ПРИЛОЖЕНИЕ
13.1 Пример построения АЧХ активного “частотно-независимого” фильтра |
| |
| |
13.2 Задание режима по постоянному току
13.2.1 Биполярные транзисторы– полярность подключения |
| |
| Для обеспечения положения рабочей точки (IК) в активной области характеристик биполярного транзистора необходимо: 1.создать прямое смещение эмиттер-базового перехода – (эмиттер инжектирует), 2.создать обратное смещение коллектор-базового перехода – (коллектор собирает). |
13.2.2 Характеристики биполярного транзистора в схеме ОЭ и ОБ |
| |
| |
| |
| Вычисление температурной нестабильности рабочей точки в каскаде на биполярном транзисторе |
13.3.1 Задание режима по постоянному току ПТУП транзистору | |
| | Для обеспечения рабочей точки в активной области характеристик необходимо: 1.полярность напряжения UЗИ должна быть запирающей, 2.полярность напряжения UСИ противоположна полярности UЗИ. . |
| |
| В области пологих характеристик IC = IСm (1- UЗИ / U0 )2. U0 - напряжение отсечки, IC T-2. |
13.3.2 Задание режима по постоянному току МОП транзистору | |||
| | Для обеспечения рабочей точки в активной области характеристик необходимо: 1.полярность напряжения UЗИ должна быть запирающей, 2.полярность напряжения UСИ совпадает с полярностью UЗИ. | ||
| | В области крутых характеристик IC = b(UСИ(UЗИ - U0) - 0,5 UСИ2), В области пологих характеристик IC = b/2 (UЗИ - U0)2. U0 - напряжение отсечки, | ||
13.3.3 Выходные характеристики ПТУП и МОП транзисторов | |
| | Выходные характеристики ПТУП и МОП транзисторов качественно похожи. Имеют область крутых и область пологих характеристик.Необходимо быть внимательным к полярностям напряжений UСИ и UЗИ ! |
| 13.4.1. Схемотехническое обозначение операционного усилителя | ||||
| | | |||
| | ||||
| Обозначение старое, упро-щенное (показаны только сигнальные цепи). | Обозначение старое, полное. | Обозначение современное, полное | ||
| 13.4.2. Передаточная характеристика операционного усилителя | ||||
| | ||||
14. БИБЛИОГРАФИЧЕСКИЙ СПИСОК
-
Степаненко И.П. Основы теории транзисторов и транзисторных схем - М.: Энергия, 1973, - 608с.
-
Степаненко И.П. Основы микроэлектроники: учебное пособие для вузов - М.: Сов. Радио, 1980, - 424с.
-
Алексенко А.Г. Основы микросхемотехники - М.: Сов. Радио, 1977
-
Гусев В.Г., Гусев Ю.Н. Электроника. - М.: Высш. Шк., 1991, - 622с.
-
Шило В.Л. Линейные интегральные схемы в радиотехнической аппаратуре - М.: Сов. Радио, 1979. - 368с.
-
Опадчий Ю.Ф., Глудкин О.П., Гуров А.И. Аналоговая и цифровая электроника: учебник для вузов. - М.: Телеком, 1999.
-
Гребен А.Б. Проектирование аналоговых интегральных схем. Пер. с англ., - М.: Энергия, 1976. - 256с.
-
П. Хорвиц, У. Хилл Исскуство схемотехники; в 2х томах, т.1, перевод с англ. - М.: Мир, 1984, - 598с.
-
Справочник по интегральным микросхемам / Под ред. Тарабрина В.В. - М.: Энергия, 1980.
-
Аналоговые и цифровые интегральные микросхемы / Под ред. С.В. Якубовского - М.: Радио и связь, 1985.
-
Мячин Ю.А. 180 аналоговых микросхем / Приложение к журналу “Радио” - М.: Патриот, 1993.
-
Справочник по расчету и проектированию АРС-схем / Под ред. А.А. Ланне. - М.: Радио и связь, 1984.
-
Каретников И.А., Соловьев А.К., Чарыков Н.А. Усилительные устройства и стабилизаторы напряжения: Лабораторные работы № 1-8. Методическое пособие по курсу “Электронные цепи и микросхемотехника” - М.: Издательство МЭИ, 2004. (Имеется электронный вариант).
СОДЕРЖАНИЕ
1. РАСЧЕТ РЕЖИМА КАСКАДА НА ОДИНОЧНОМ
ТРАНЗИСТОРЕ ПО ПОСТОЯННОМУ ТОКУ. . . . . . . . . . . 2
2. УСИЛИТЕЛЬНЫЕ СВОЙСТВА КАСКАДА
НА ОДИНОЧНОМ ТРАНЗИСТОРЕ. . . . . . . . . . . . . . . . . .4
3. УСИЛИТЕЛИ МОЩНОСТИ. . . . . . . . . . . . . . . . . . . . . . 6
4. ДВУХКАСКАДНЫЕ УСИЛИТЕЛИ. . . . . . . . . . . . . . . . . . 7
5. ДИФФЕРЕНЦИАЛЬНЫЕ КАСКАДЫ. . . . . . . . . . . . . . . . . 8
6. РАЗБАЛАНС ДИФФЕРЕНЦИАЛЬНОГО КАСКАДА. . . . . . . . 9
7. ЧАСТОТНО-НЕЗАВИСИМЫЕ ОБРАТНЫЕ СВЯЗИ . . . . . . . 10
8. АКТИВНЫЕ ФИЛЬТРЫ I ПОРЯДКА. . . . . . . . . . . . . . . . 12
9. АКТИВНЫЕ ФИЛЬТРЫ II ПОРЯДКА. . . . . . . . . . . . . . . 14
10. ВЫПОЛНЕНИЕ МАТЕМАТИЧЕСКИХ ОПЕРАЦИЙ. . . . . . 15
11. СТАБИЛИЗАТОРЫ НАПРЯЖЕНИЯ. . . . . . . . . . . . . . . . 18
12. ИСТОЧНИКИ ТОКА. . . . . . . . . . . . . . . . . . . . . . . . . .20
13. ПРИЛОЖЕНИЕ. . . . . . . . . . . . . . . . . . . . . . . . . . . . . 21
14. БИБЛИОГРАФИЧЕСКИЙ СПИСОК . . . . . . . . . . . . . . . . 25
0
















