СБ-ЗАДАЧ-УС (944137)
Текст из файла
Каретников И.А.
СБОРНИК ЗАДАЧ
УСИЛИТЕЛЬНАЯ ТЕХНИКА
1. Расчет режима каскада на одиночном транзисторе по постоянному току
(задание, определение)
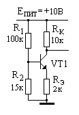
Задание № 1.1 | |
| | Дано: VT1= Si, =50, UБЭ=0,7В, IК0=0,1мкA. Опр: IК, К, IК T. |
Задание № 1.2 | |
| | Дано: VT1= Si, =50, UБЭ=0,7В, IК0=0,1мкA. Выбрать рабочий ток IК. Опр: К и необходимую для этого величину Rб, IК T. |
Задание № 1.3 | |
| | Дано: VT1= Si, =50, UБЭ=0,7В, IК0=0,1мкA. Выбрать рабочий ток IК. Опр: К и необходимую для этого величину EПИТ 2, IК T. |
Задание № 1.4 | |
| Дано: VT1= Si, =50, UБЭ=0,7В, IК0=0,1мкA. Выбрать рабочий ток IК. Опр. К и необходимую для этого величину резисторов R1 и R2 , IК T. | |
Задание № 1.5 | |
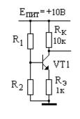
| | Дано: VT1= Si, =50, UБЭ=0,7В, IК0=0,1мкA. Определить рабочий ток IК и К , Б , Э, IК T. |
Задание № 1.6 | |
| | Дано: VT1= VT2= Si, =50, UБЭ=0,7В, IК0=0,1мкA. Выбрать рабочий ток IК. Опр. К , Б , Э и необходимую для этого величину резистора R1 . |
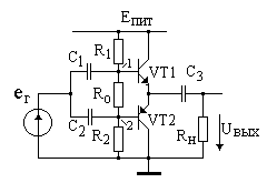
Задание № 1.7 | |
| | Дано: VT1= VT2= Si, =50, UБЭ=0,7В, IК0=0,1мкA. Выбрать рабочий ток IК. Опр. К , Б , Э и необходимые для этого величины резистора R1 и эдс EСМ. |
2. Усилительные свойства каскада на одиночном транзисторе
Задание № 2.1, 2.1, а | ||
| | Дано: VT1= Si, =50, UБЭ=0,7В, IК0=0,1мкA. Выбрать и обеспечить рабочий ток IК. Определить: К , Б , Э. Оценить амплитудные возможности каскада и полярность ограничения UВЫХ | |
| | Воспользоваться малосигнальной схемой замещения каскада ОЭ и вычислить для средних частот KU, KI, rВХ.,. | |
Задание № 2.2 | |
| | Дано: VT1= Si, =50, UБЭ=0,7В, IК0=0,1мкA , f =1МГц. Определить: рабочий ток IК и К , Б , Э, вычислить KU, KI, rВХ. Вычислить fН, fВ. Построить АЧХ каскада. Оценить амплитудные возможности каскада и полярность ограничения UВЫХ |
Задание № 2.3 | ||
| | Дано: VT1= Si, =50, UБЭ=0,7В, IК0=0,1мкA, , f =1МГц. Определить: рабочий ток IК и К , Б , Э, вычислить KU, KI, rВХ. Вычислить fН, fВ. Построить АЧХ каскада. Оценить амплитудные возможности каскада и полярность ограничения UВЫХ | |
Задание № 2.4 | ||
| | Дано: VT1= Si, =50, UБЭ=0,7В, IК0=0,1мкA, f =1МГц. Определить: рабочий ток IК и К , Б , Э, вычислить KU, KI, rВХ. Вычислить fН, fВ. Построить АЧХ каскада. Оценить амплитудные возможности каскада и полярность ограничения UВЫХ | |
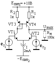
Задание № 2.5 | |
| | Дано: VT1= Si, n- p-n, =50, UБЭ=0,7В, IК0=0,1мкA. VT1= VT2= Si, p-n-p, =50, UБЭ=0,7В, IК0=0,1мкA. Найти рабочий ток каскада IК. и необходимую для этого величину ЭДС EСМ. Опр. К , Б , Э транзисторов Построить малосигнальную схему замещения каскада и вычислить KU, rВХ. |
Задание № 2.6 | |
| | Дано: VT1= Si, n- p-n, =50, Найти рабочий ток каскада IК. Построить малосигнальную схему замещения каскада и вычислить KU для области средних частот. Вычислить fН и fВ, построить АЧХ каскада. |
Задание № 2.7 | |
| | Дано: На входе схемы (Задание №2.6) генератор еГ дает сигнал малой амплитуды. Его форма – идеальной прямоугольной положительный импульс (A=1mВ, ТИ=1mc). Нарисовать форму сигнала на выходе усилителя. Определить искажения фронтов и вершины импульса. |
3. Усилители мощности
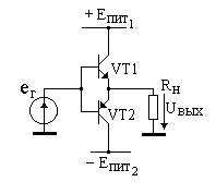
Задание № 3.1 | |
| | Дано: VT1, VT2 = Si, =100, еГ =Sint. Опр: KU, rВХ, rВЫХ, UВЫХмак, форму иска-жения выходного сигнала. |
Задание № 3.2 | |
| | Дано: VT1, VT2 = Si, =100, R1=R2=10к. ЕПИТ =20В, С1=10,0, С2=100,0, Rн =10 Ом еГ =Sint. Опр: KU, rВХ, rВЫХ, UВЫХмак, Н, В. |
Задание № 3.3 | |
| | Дано: VT1, VT2= Si, =100, R1 = R2= =750 Ом. ЕПИТ =20В, С1=10,0, С2=100,0, Rн =10 Ом еГ =Sint. УМ кл “A”, ”AB” Опр: KU, rВХ, rВЫХ, UВЫХмак, форму иска-жения выходного сигнала, величину R0 для обеспечения перехода каскада в кл. А. |
4. Двухкаскадные усилители
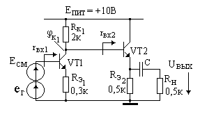
Задание № 4.1 | |
| | Дано: VT1= VT2= Si, =50, UБЭ=0,7В, IК0=0,1мкA, средние частоты. Если ег=0, выбрать Есм так, чтобы к1= 5В. Опр: Кu1, Кu2 , rвх1, rвх2, Полярность искажения сигнала Uвых2, и макс. его амплитуду. Ток, потребля-емый всем усилителем (Iпит ) и его КПД при макс. неискаженной амплитуде сигнале. |
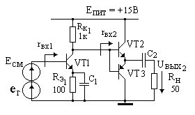
Задание № 4.2 | |
| | Дано: VT1= VT2= VT3= Si, =50, UБЭ=0,7В, IК0=0,1мкA, средние частоты. Если ег=0, выбрать Есм так, чтобы к1= 7,5В. Опр: Кu1, Кu2 , rвх1, rвх2, Полярность искажения сигнала Uвых2, и макс. его амплитуду. Pнагр макс и КПД УМ при максимальной неискаженной амплитуде сигнале. |
5. Дифференциальные каскады
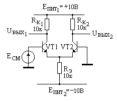
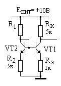
Задание № 5.1 | |
| | Дано: VT1= VT2= Si, n- p-n, =50, UБЭ=0,7В, IК0=0,1мкA. RК1= RК2 = RЭ=5к, EПИТ 1= EПИТ 2=10В Найти рабочий ток каскада IК . Опр. К , Б , Э транзисторов. Построить малосигнальные схемы замещения каскада и вычислить KU ПФ, KU СИНФ, rВХ ПФ, rВХ СИНФ . Нарисовать амплитудную х-ку каскада для парафазного и синфазного сигналов. |
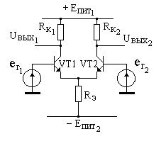
Задание № 5.2 | |
| | Дано: VT1= VT2= VT3= VT4= Si, n- p-n, =50, UБЭ=0,7В, IК0=0,1мкA. Найти рабочий ток каскада IК . Опр. К , Б , Э транзисторов. Построить малосигнальные схемы замещения каскада и вычислить KU ПФ, KU СИНФ, rВХ ПФ, rВХ СИНФ . Нарисовать амплитудную х-ку каскада для парафазного и синфазного сигналов. |
Задание № 5.3 | |
| | Дано: VT1= VT2=Si n- p-n, VT3= VT4=Si p-n-p, UБЭ=0,7В, rКБ = 100к, IК0=0,1мкA, 1=2= 3= 4=50. Найти рабочий ток каскада IК . Опр. К , Б , Э транзисторов. Построить малосигнальную схему замещения каскада и вычислить KU ПФ, KU СИНФ, rВХ ПФ, rВХ СИНФ . Нарисовать амплитудную х-ку каскада для парафазного и синфазного сигналов.. |
6. Разбаланс дифференциального каскада.
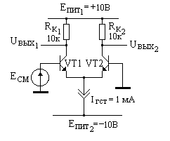
Задание № 6.1 | |
| | Дано: VT1, VT2= Si, n- p-n, = 100, UБЭ 2=0,7В, I10-1 = 2 I10-2, (IЭ= I10(e Uбэ/т-1)) EПИТ 1= EПИТ 2=10В. Найти величину ЕСМ, необходимую для балансировки каскада. |
Задание № 6.2 | |
| | Дано: VT1, VT2= Si, n- p-n, = 100, UБЭ 2=0,7В, I10-1 = 2 I10-2, (IЭ= I10(e Uбэ/т-1)) EПИТ 1= EПИТ 2=10В. Найти величину ЕСМ, необходимую для балансировки каскада. |
Задание № 6.3 | |
| | Дано: VT1, VT2= Si, n- p-n, 1= 100, 2= 130, UБЭ 1=0,7В, I10-1 = I10-2, EПИТ 1= EПИТ 2=10В. Найти величину ЕСМ, необходимую для балансировки каскада. . |
7. Частотно-независимые обратные связи
(последовательные, параллельные, по току, по напряжению)
Задание № 7.1 |
|
|
| Дано: А1: КUД=104, rВХД=104Ом, rВЫХ= 100 Ом ; RН=10к, R1=10к, R2 =1к. Опр: Вид обратной связи, КU, КI, rВХ, rВЫХ усилителя с ОС, сравнить схемы. |
Характеристики
Тип файла документ
Документы такого типа открываются такими программами, как Microsoft Office Word на компьютерах Windows, Apple Pages на компьютерах Mac, Open Office - бесплатная альтернатива на различных платформах, в том числе Linux. Наиболее простым и современным решением будут Google документы, так как открываются онлайн без скачивания прямо в браузере на любой платформе. Существуют российские качественные аналоги, например от Яндекса.
Будьте внимательны на мобильных устройствах, так как там используются упрощённый функционал даже в официальном приложении от Microsoft, поэтому для просмотра скачивайте PDF-версию. А если нужно редактировать файл, то используйте оригинальный файл.
Файлы такого типа обычно разбиты на страницы, а текст может быть форматированным (жирный, курсив, выбор шрифта, таблицы и т.п.), а также в него можно добавлять изображения. Формат идеально подходит для рефератов, докладов и РПЗ курсовых проектов, которые необходимо распечатать. Кстати перед печатью также сохраняйте файл в PDF, так как принтер может начудить со шрифтами.
















