Билет №32 (943755)
Текст из файла
2
Билет №32
§ 5.3. одноэлементные магнитооптические устройства
Под одноэлементными устройствами будем понимать устройства с однородной по площади магнитооптической средой, функционирующей в однородном внешнем управляющем магнитном поле как единое целое. Рассмотрим некоторые из наиболее перспективных таких устройств.
5.3.1. Магнитооптические модуляторы
Модуляторы света предназначены для управления интенсивностью света в системах передачи данных и обработки оптической информации. Принципиальная схема магнитооптического модулятора представлена на рис. 5.3.
Ферромагнетик, прозрачный в рабочей области спектра, размещается внутри катушки, по которой протекает электрический ток, создающий управляющее магнитное поле.
Такой магнитооптический элемент с катушкой 1 размещается между поляризатором 2 и анализатором 3. При отсутствии тока в катушке магнитооптический элемент не влияет на поляризацию проходящего через него света. Следовательно, если интенсивность излучения, падающего на поляризатор, Iо, а угол между осями пропускания света поляризатора и анализатора составляет (3, то интенсивность света на выходе системы при условии пренебрежения всевозможными потерями определяется законом Малюса:
I = I0cos2β (5.15)
При подаче тока в катушку возникшее магнитное поле, направленное параллельно направлению проходящего линейно-поляризованного света, будет поворачивать плоскость поляризации в соответствии с законом Фарадея на угол Ф. В этом случае выражение (5.15) изменится:
I= I0со52(β±Ф). (5.16)
Реально же необходимо учитывать как отражение света на границах двух сред, так и поглощение света, соответственно, в поляризаторе, магнитооптическом элементе и анализаторе. Эти потери могут быть достаточно
большими. Так, в магнитооптическом элементе из феррит-граната потери в видимой области спектра составляют десятки процентов.
Известно, что интенсивность света, прошедшего через пластинку с параллельными гранями, при учете многократного отражения, определяется выражением
I=Io (1-R) 2ехр(-αd)/(1-R2)exp(-2αd)
где α — коэффициент поглощения материала; d—толщина пластинки; R — коэффициент отражения.
Кроме того, поскольку реальные поляризаторы в скрещенном положении (β = π/2) не приводят к полному гашению излучения, в выражение (5.16) необходимо ввести некоторый поправочный параметр Р, учитывающий эту особенность.
Таким образом, интенсивность света, прошедшего через систему поляризатор—магнитооптический элемент—анализатор, можно записать в следующем виде:
I = γI0[(1-P)соs2(β±Ф) + P], (5.18)
где обобщенный коэффициент у учитывает потери излучения в системе. Величина угла поворота плоскости поляризации за счет эффекта Фарадея равна
Ф = θF dсоsδ, (5.19)
где θF — удельное фарадеевское вращение ферромагнетика, зависящее от отношения IM/IMH; IM —намагниченность магнитооптического элемента, вызванная внешним магнитным полем; IMH — намагниченность насыщения; 5 — угол между направлением вектора намагниченности и направлением распространения света.
Для изменения намагниченности IM в прозрачном ферромагнетике используется либо смещение доменных стенок, либо вращение вектора намагниченности насыщенного образца IMN во внешнем магнитном поле.
В магнитооптических модуляторах, основанных на первом физическом процессе, обычно используются ортоферриты и феррит-гранаты. В эпитаксиальных структурах феррит-гранатов с ромбической анизотропией скорость движения стенок Блоха превышала 1700м/с, что позволило получить глубину модуляции в несколько десятков процентов на частотах в сотни мегагерц в магнитных полях порядка десятков гаусс.
5.3.2. Ma eckue изоляторы
С развитием волоконно-оптических линий связи возникла проблема устранения отраженных сигналов в лазерных резонаторах, в различных разъемах и контактных узлах, т. е. появилась необходимость в создании оптических изоляторов — устройств, пропускающих сигнал по оптическому каналу в одном направлении и гасящих сигнал, распространяющийся в обратном направлении.
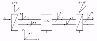
Структурная схема оптического изолятора на основе эффекта Фарадея представлена на рис. 5.4. Изолятор состоит из двух поляризаторов,
Рис. 5.4. Структурная схема оптического изолятора на основе эффекта Фарадeя.
оси пропускания которых установлены под углом 45°, и фарадеевского магнитооптического элемента, расположенного между ними. Физические параметры фарадеевского элемента таковы, что при прохождении через него линейно-поляризованного света плоскость поляризации поворачивается на 45°. При распространении света вдоль оси X луч проходит через поляризатор /, ось пропускания которого направлена вдоль оси Z, фара-деевский элемент 2, поворачивающий плоскость поляризации света на угол +45°, и анализатор 3, ось пропускания которого совпадает с направлением поляризации света, прошедшего через фарадеевский элемент.
Свет, проходящий в обратном направлении, проходит через анализатор J, затем через фарадеевский элемент, в котором плоскость его поляризации дополнительно поворачивается на угол +45°. (Напомним, что эффект Фарадея является нечетным элементом по Н.) После прохождения фарадеевского элемента плоскость поляризации света оказывается перпендикулярной оси пропускания поляризатора /. Следовательно, свет, распространяющийся в обратном направлении, полностью гасится поляризатором.
Оптический изолятор, созданный по вышеприведенной схеме, в котором в качестве материала для фарадеевского элемента использовалась пластинка из иттриевого феррит-граната^ характеризовался следующими параметрами. Рабочая длина света— 1,3 мкм; затухание при комнатной температуре в обратном направлении составляло 32 дБ, а потери в прямом направлении равнялись 1,4 дБ; диаметр фарадеевского элемента — 3 мм, толщина — 2,1 мм.
Дальнейшее развитие оптических изоляторов связано с использованием эпитаксиальных монокристаллических пленок феррит-гранатов вместо пластин, вырезанных из объемных монокристаллов. Пленки намного технологичнее объемных монокристаллов, и из одной эпитакси-альной структуры можно изготовить большое количество идентичных магнитооптических элементов. Кроме того, монокристаллические пленки феррит-фанатов с вектором намагниченности /т в плоскости пленки требуют для насыщения значительно более слабые магнитные поля, чем объемные кристаллы.
Разработаны пленочные оптические изоляторы двух типов: с прохождением света вдоль пленки и перпендикулярно ее плоскости. В табл. 5.3 приведены основные магнитооптические параметры пленок весьма сложного состава: Gd Вi Fе А1 Gа О , используемых для создания оптических изоляторов горизонтального и вертикального типов.
Магнитооптические изоляторы вертикального типа на основе Bi-содержащих монокристаллических пленок феррит-гранатов по эффективности и экономичности превосходят все другие типы оптических изоляторов.
Характеристики
Тип файла документ
Документы такого типа открываются такими программами, как Microsoft Office Word на компьютерах Windows, Apple Pages на компьютерах Mac, Open Office - бесплатная альтернатива на различных платформах, в том числе Linux. Наиболее простым и современным решением будут Google документы, так как открываются онлайн без скачивания прямо в браузере на любой платформе. Существуют российские качественные аналоги, например от Яндекса.
Будьте внимательны на мобильных устройствах, так как там используются упрощённый функционал даже в официальном приложении от Microsoft, поэтому для просмотра скачивайте PDF-версию. А если нужно редактировать файл, то используйте оригинальный файл.
Файлы такого типа обычно разбиты на страницы, а текст может быть форматированным (жирный, курсив, выбор шрифта, таблицы и т.п.), а также в него можно добавлять изображения. Формат идеально подходит для рефератов, докладов и РПЗ курсовых проектов, которые необходимо распечатать. Кстати перед печатью также сохраняйте файл в PDF, так как принтер может начудить со шрифтами.
















