lektsii (832569), страница 7
Текст из файла (страница 7)
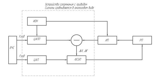
Состав и структура устройства сопряжения с приводом зависит от способа замыкания обратной связи типа ИП положения и режима его работы. Широко распространен вариант с замыканием обратной связи в устройстве сопряжения посредствам сравнения аналоговых сигналов.
Рисунок 1
Фактическое положение регулируемого привода РП определяется с помощью ИП положения с аналоговым выходным сигналом. Это индукционные ИП, работающие в фазовом или разностном режиме (вращающийся трансформатор, линейный индукторсин). Питание ИП осуществляется от источника опорного напряжения ИОН, вырабаываемый вычислителем код задания положения Хзад и преобразовываться в аналоговый сигнал. Результат сравнения Хзад и Хфакт используется с формирователе сигнала управления (ФСУП). Кроме Хзад . (по скорости это ЦАП и доп сигнал на ФСУП). На выходе ФСУП как правило мы имеем аналоговый сигнал в виде постоянного напряжения.
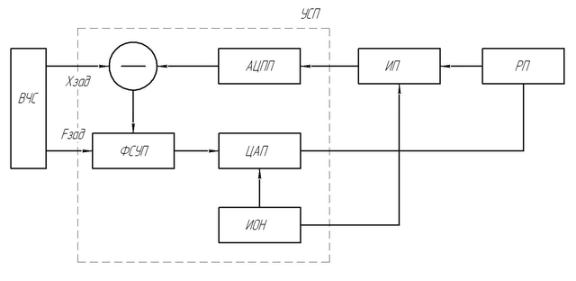
Структура следящего привода с замыканием обратной связи по средствам сравнения сигнала в цифровом виде показана на рисунке 2.
Рисунок 2
// количество блоков / сопряжений = количество управляемых координат
Доп вопрос – нарисовать цепочку привода с ИП. Схема преобразования информации при технологической задачи.
Фактическое положение регулируемого привода РП в данном случае определяется с помощью ИП положения с цифровым выходным сигналом. Это кодовой и импульсно-кодовый ИП. Сигнал Хзад от вычислителя ВЧАС сравнивается с сигналом обратной связи от аналогово-цифрового преобразователя АЦПП, связанного с измерительным преобразователем. Сигнал Fзад поступает ФСОП и в данной схеме является устройством преобразования цифровой информации. Основная задача – суммирование и вычитание кодов в цифровом виде.
Нерегулируемые приводы
Нерегулируемые приводы у станков с ЧПУ строятся на основе привода – например, привод системы охлаждения зоны резания. В станках также широкое применение нашли гидро и пневмоприводы. Нерегулируемый привод по отношению к микропроцессорному УЧПУ является исполнительным устройством дискретного действия. Поэтому для связи с приводом используются схемы приема и выдачи дискретных сигналов.
Сопряжение гидропривода с УЧПУ чаще всего реализуется с помощью электромагнита управляющего золотником. Возможно и прямое электрогидравлическое преобразование.
Гидропривод для устройства ЧПУ является исполнительным устройством с аналоговым входом в виде напряжения постоянного тока.
Пневмопривод – не надо значительных усилий и сопряжение также происходит с помощью электромагнита и золотника, но возможно применение средств электродинамики, реализующих прямое преобразование электрических сигналов в пневматические. Кроме сопряжения нерегилуриуемых приводов в станке надо обеспечить сопряжение с дискретными ИП и исполнительными устройствами, а также с аналоговыми ИП и исполнительными устройствами.
В станках это гидро и пневмодвигатели, нерегулируемые электродвигатели, зажимные устройства, переключатели скорости привода главного движения, устройства поиска и смены инструмента, устройства аварийного отключения, индикаторные лампы
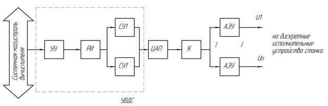
ИП дискретных сигналов подразделяются на две группы: ИП разового и постоянного контроля. К ИП разового контроля относят, например, ИП положения автооператора, который функционирует только при смене инструмента. А ИП постоянного контроля это ИП аварийного состояния механизма. Сопряжения этих устройств с УЧПУ выполняются через устройство вывода и приёма дискретных сигналов (УВДС и УПДС), через многоканальный цифроаналоговый преобразователь ЦАП, аналогово-цифровой преобразователь АЦП и коммутирующее устройство К. Структурная схема выдачи сигналов содержит аналоговое запоминающее устройство АЗУ по числу выходов дискретных сигналов.
Структурная схема устройства вывода дискретных сигналов содержит устройство управления УУ, регистры информации и согласующие устройства по количеству дискретных ИП. Здесь устройство УУ организует передачу в регистр РИ информации об изменении воздействия на объект. Согласующее устройство выполняет функцию преобразователей в форму сигналов и усилителей мощности. На рисунке 5 показана схема сопряжения микропроцессорного УЧПУ с устройствами аналогового действия станка.
Рисунок 3
Устройство приема дискретных сигналов включает в себя устройство управления УУ и согласующие устройства СУ по числу дискретных устройств. Согласующие устройства преобразуют сигналы ИП в сигналы с нормируемыми параметрами и здесь же выполняется гальваническая развязка для повышения помехоустойчивости. Устройство управления осуществляет передачу информации о состоянии группы ИП по запросу от вычислителя и посылает запрос в вычислитель при срабатывании ИП постоянного контроля
Рисунок 4
Рисунок 5
Из магистралей вычислителя принимаются адреса опрашиваемых источников напряжения U1, Un. Адреса пересылаются в регистр адресов РА, а затем на коммутатор К. Далее запускается АЦП и в информационном регистре РИ формируется код, который передается через УУ в системную магистраль вычислителя.
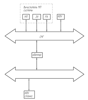
На блок схеме находим 3 вычислителя (пунктиром). Далее находим внешние устройства – привод подачи по координатам Х, Y, Z (станок) – для 2ой машины; ФСУ – фотосчитывающее устройство, дисплей, НГМД – накопитель гибких магнитных дисков, пульт оператора – возможность ввода программы с клавиатуры ЧПУ, кассета, запоминающее устройство ЦМ (флешка).
2101 – ввод и хранение системного программного обеспечения (ФСУ, пульт, дисплей, связь с ЭВМ внешнего уровня (идет магистраль к первому вычислителю)
Ввод и хранение управляющей программы (пульт, дисплей, ФСУ с перфоленты, с ЭВМ верхнего уровня, НГМД – накопитель гибких магнитных дисков, кассета)
Интерпретация кадра – 2 вычислитель
Интерполяция кадра – 2 вычислитель
Привод (но не хватает главного движения)
9220 может проводить диагностику, технологическую задачу, логическую задачу
9212 – логическая задача
Логическая задача. Стрелочки должны быть перечеркнуты и должно стоять число – 32 выхода и 64 входа
1 вычислитель: геометрическую, терминальную
2 вычислитель: геометрческая
3 вычислитель:
Вычислитель: микропроцессор, ПЗУ, ОЗУ)
12400.2 – геометрическая задача (привода), технологическая
12402.1 – логическая
Лекция 13
экзамен
1 – задачи и структура ЧПУ
2 – аппаратные средства микропроцессорных ЧПУ
Аппаратные средства микропроцессорных устройств
Аппаратные средства разделяются на средства организации микропроцессорной системы и средства преобразования сигналов управления о состоянии объекта. Для построения микропроцессорных систем ЧПУ используются элементы микропроцессорных комплектов, блоки памяти, стандартные и специализированные блоки связи с внешними устройствами, средства межпроцессорного обмена. Средства преобразования сигналов управления о состоянии объекта смотри две предыдущие лекции (элементы сопряжения микропроцессорных ЧПУ с основной частью).
Структура микропроцессорной системы определяется типом микропроцессора (о микропроцессоре смотри начальные лекции – там есть схема, состав).
Организация системной магистрали в ОМП (однокристальном микропроцессоре) КР1801ВМ1. На базе этого построено устройство ЧПУ элекроника МС2021 (лабы).
Системная магистраль представляет собой набор шин, каждая из которых состоит из нескольких элементов.
Рисунок 1
Различают шины адреса, управления и входных/выходных данных. Для уменьшения общего числа линий в шинах их часто объединяют (мультиплексирование). При этом каждое внешнее устройство подключается к линии через специальное устройство (прием-передатчик), обеспечивающий передачу данных от устройства к линии, прием данных из линии и полное отключение внешних устройств от линии. В зависимости от вида внешнего устройства подключаемая к системной магистрали микропроцессор обеспечивает три режима обмена данными.
1- программный режим обмена данными по инициативе микропроцессора
2 - обмен данными по прерыванию от внешнего устройства
3- обмен данными в режиме прямого доступа с отключением микропроцессора от магистрали
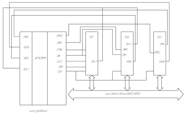
Организация управления обменом данными в системе с микропроцессором КР1801.
Структурная схема представляет взаимодействие микропроцессора с 3мя внешними устройствами: при программном режиме с внешним устройством 1, обмене при прерывании с внешним устройством 2 и обмене с внешним устройством 3.
Рисунок 2
ВУ – внешнее устройство
-
Цикл обмена данными программным путем
Этот обмен осуществляется асинхронным путем за несколько этапов:
-
Микропроцессор при обращении к внешнему устройству 1 выдает сигнал BSY, свидетельствующий о занятности магистрали. Синхронно устанавливается сигнал SING, который сообщает внешнему устройству 1 об установке микропроцессором адреса внешнего устройства (для того, чтобы получить ответ от внешнего устройства) В ответ на этот сигнал внешнее устройство 1 выставляет сигнал СИП, то есть сигнал наличия внешнего устройства 1.
-
Далее микропроцессор активизирует сигнал DIN, сигнал готовности об вводе данных по отношению к активному устройству (готовность получения микропроцессором данных от внешнего устройства), а также выставляет сигнал DOUT (сигнал готовности вывода данных из микропроцессора). Сигнал DIN появляется с некоторой задержкой по отношению к сигналу SING.
-
Внешнее устройство 1 вырабатывает сигнал RPLY (сигнал готовности внешнего устройства к приему или выдачи данных).
-
После того, как микропроцессор примет сигнал RPLY, он начинает принимать данные и снимает сигнал DIN, затем внешнее устройство снимает сигнал RPLY, а микропроцессор снимает сигнал SING, завершая цикл обмена.
Обмен данными в режиме прерывания. Показан на схеме обмен с внешним устройством платы. Этот режим необходим в УЧПУ для обслуживания программ выполняемых с постоянным или малым временным циклом (8,32 миллисекунды) и реализующих например задачи интерполяции или аварийного останова привода (например, при наезде привода на концевой выключатель, который должен подать сигнал, что рабочий орган достиг некоторого положения). Каждое устройство, способное вызывать прерывание, имеет разряд, разрешение, прерывание, который должен быть установлен, если устройство разрешено прерывание. РРП – это разряд в регистре состояния внешнего устройства, разрешающая внешнему устройству прерывание программы.
Рисунок 1
Регистр состояния внешнего устройства – это ячейка внешнего устройства, содержащая информацию о состоянии внешнего устройства. Регистр данных внешнего устройства – это ячейка внешнего устройства, в которую можно записать или считать данные. Ячейка – это элемент памяти, предназначенный для хранения двоичного числа и имеющий определенный адрес. Для работы в режиме прерывания необходимо программно осуществить запись единицы в РРП. При наличие сигнала готовности внешнего устройства 2 и единицы в РРП внешнего устройства, внешнее устройство 2 сигнализирует микропроцессору о необходимости прерывания программы (сигнал VIRQ), который будет говорить о прерывании программы. Получив этот сигнал, микропроцессор вырабатывает сигнал IAKO, сигнал разрешения прерывания и вырабатывает сигнал DIN и DOUT. Получив этот сигнал внешнее устройство 2 устанавливает на шине данных вектор прерывания. Вектор прерывания – это содержимое 2х последовательно расположенных ячеек памяти. В первой из которых содержится новое словосостояние процесса ССП, а во второй ячейке стартовый адрес программы обслуживания внешнего устройства (например, программы остановки двигателя рабочего органа). Словосостояние процесса – это ячейка оперативной памяти, в которой содержится информация о результатах выполнения программы, которая подлежит прерыванию (например, программа перемещения рабочего органа).
Третий режим – режим обмена данными прямого доступа. Этот режим в УЧПУ применяется при передаче управляющей программы в память микропроцессорных систем (вычислителя) от таких внешних устройств как НГМД и НГМЛ (накопитель гибких магнитных лент). В этом режиме внешнее устройство 3 не является активным устройством. В этом устройстве микропроцессор 3 выдает сигнал DMG0 – сигнал требования прямого доступа. В ответ микропроцессор выдает сигнал DMR – сигнал предъявления прямого доступа. Прекращается обмен с шиной управления. Получив сигнал DMR внешнее устройство 3 вырабатывает сигнал SACK – сигнал захвата шиной управления и снимается сигнал DMGO. Микропроцессор снимает сигнал DMR и начинается обмен данными между внешним устройством 3 и памятью вычислителя. После окончания обмена внешнее устройство 3 снимает сигнал SACK и возвращает управление микропроцессору.
//слева принимает, справа выдает
Организация вычислителя
















