РПЗ (777665)
Текст из файла
Оглавление
Раздел 1. Разработка технологической схемы сборки узла (сборочной единицы) 2
1.1. Назначение узла. Анализ технических требований на сборку, выявление основных технологических задач, разработка схем контроля по основным параметрам. 2
1.2. Анализ технологичности конструкции: качественные и количественные критерии оценки технологичности конструкции, выводы. 8
1.3. Расчет размерных цепей с выбором методов достижения точности сборки. 9
1.4. Разработка и обоснование технологической схемы общей сборки узла. 11
1.5. Разработка технологического процесса сборки с выбором оборудования, инструментов, техническим нормированием времени и определением суммарной трудоемкости сборки узла. 13
1.6. Разработка эскизов сборки элементов узла. 19
Раздел 2. Разработка технологического маршрута изготовления детали. 19
2.1. Назначение детали в узле. Анализ технических требований чертежа детали, выявление основных технологических задач, разработка схем контроля по основным параметрам точности. 19
2.2. Отработка конструкции на технологичность для заданного типа производства. 23
2.3. Обоснование выбора материала детали: критерии выбора, условия эксплуатации, возможные варианты материала. 24
2.4. Выбор и обоснование метода получения заготовки: критерии выбора, схематическое изображение (эскиз) заготовки с припусками. 25
2.5. Маршруты обработки основных поверхностей детали, их обоснование. 28
2.6. Выбор баз и анализ схем базирования для нескольких операций. 29
2.7. Разработка маршрута изготовления детали для заданного типа производства с выбором технологического оборудования, инструментов, средств контроля. 29
2.8. Разработка технологических наладок для операций с выбором режущих инструментов, обоснованием и расчетом режимов обработки и припусков. 31
2.9. Точностные расчеты по разработанным операциям маршрута изготовления детали. 35
Раздел 3. Научно-исследовательская часть 37
3.1. Анализ принимаемых решений при выполнении технологической части работы и постановка задачи исследования. 37
3.2. Обзор технологических методов обеспечения качества изделий для выполнения задачи исследования. 38
3.3. Выбор метода средств технологического оснащения для решения задачи. 43
Список литературы: 45
Раздел 1. Разработка технологической схемы сборки узла (сборочной единицы)
1.1. Назначение узла. Анализ технических требований на сборку, выявление основных технологических задач, разработка схем контроля по основным параметрам.
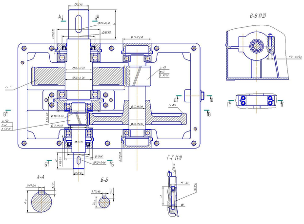
Двухступенчатый горизонтальный цилиндрический редуктор предназначен для понижения частоты вращательного движения и для увеличения крутящего момента.
Редуктор входит в состав конвейера и состоит из следующих основных деталей:
вал быстроходный – поз.1
вал промежуточный – поз.2
вал тихоходный – поз.3
колесо быстроходной ступени – поз.4
колесо тихоходной ступени – поз.5
корпус – поз.6,
а также подшипники, крышки подшипников, пробка контрольная, пробка сливная, уплотняющие кольца, уплотняющие прокладки, манжеты, ряд крепежных изделий.
На посадочных поверхностях валов и отверстий шестерен создан натяг, гарантирующий нераскрытие стыка, а для облегчения сборки предусматривается направляющий цилиндрический участок вала с полем допуска d9. При передаче вращающего момента соединением с натягом колесо устанавливают на гладком валу, осевую фиксацию обеспечивают силами трения.
Валы зафиксированы в двух опорах. Для снижения требований к точности изготовления деталей узла применяют радиально однорядные подшипники.
Внутренние кольца подшипников ставят на валы с натягом для предотвращения проворачивания кольца на шейке вала, а наружные ставят в корпус редуктора по переходной посадке или с минимальным зазором для выполнения осевой регулировки подшипников.
Подшипники в корпусе закрепляются закладными крышками (глухими или с отверстием для выходного конца вала). Регулируют подшипники при помощи компенсаторных колец, устанавливаемых под фланец крышки. В некоторые крышки устанавливают манжетное уплотнение, для этого выполняют расточку отверстия так, чтобы можно было выпрессовать изношенную манжету. Уплотнительные устройства применяют для предохранения от вытекания смазочного материала из подшипниковых узлов, а также для защиты их от попадания извне пыли и влаги.
В корпус редуктора заливают масло из расчета 0,4...0,7 л на 1 кВт передаваемой мощности, при этом колесо или червяк должны погружаться в масло на глубину не менее высоты зуба или витка. При окружной скорости колеса свыше 3 м/с происходит интенсивное разбрызгивание масла в корпусе и образование масляного тумана, обеспечивающего смазывание всех других зацеплений и подшипников. Во избежание больших гидравлических потерь окружная скорость погружаемой детали не должна превышать 15 м/с.
Для залива масла в редуктор применяют составную крышку-отдушину. Пространство между внутренней и внешней крышками заполнено фильтром из тонкой медной проволоки или синтетических нитей.
Для замены масла в корпусе предусмотрено сливное отверстие, закрываемое пробкой с конической резьбой.
Дно корпуса делают с уклоном 0.5…1.0° в сторону сливного отверстия. Перед сверлением сливного отверстия прилив в корпусе фрезеруют, поэтому он выступает над необработанной поверхностью.
Для наблюдения за уровнем масла в корпусе устанавливают пробки с конической резьбой. Пробки устанавливают парами для контроля за нижним и верхним уровнями масла.
Для установки и крепления к корпусной детали боковых крышек и фланцев предусматривают опорные платики.
Для подъема и транспортирования редуктора применяют проушины, отливая их заодно с корпусом.
Анализ технических требований на сборку цилиндрического редуктора.
-
Для корректной работы цилиндрического редуктора при его сборке необходимо обеспечить посадки сопрягаемых цилиндрических поверхностей, указанные на сборочном чертеже.
Наиболее точные посадки это:
-
посадка зубчатых колес на валы выполнена по 8-му квалитету (посадки H8/x8 и H8/z8 применяются в соединениях, подверженных переменным нагрузкам, ударам и вибрациям. Отверстие зубчатого колеса является посадочной поверхностью при сборке узла, такая посадка назначена с целью недопущения перекосов и заеданий при установке зубчатого колеса на вал). Посадка обеспечивается нагреванием и запрессовкой детали.
-
Посадка внутренних колец подшипников выполнена по 6-му квалитету (L0/к6). Посадки с натягом обеспечиваются запрессовкой детали.
-
Посадка наружных колец подшипников в корпус редуктора или закладные крышки выполнена по 7-му квалитету (H7). Устанавливаем с посадкой с зазором.
-
Посадка закладных крышек с манжетным уплотнением на валы – по 9-му квалитету (d9) (при сборке возникают радиальные смещения крышек валов относительно осей отверстий в пределах посадочного зазора. Это приводит к тому, что уплотнения манжет становится несоосным осям вращения соответствующих валов, что приводит к ненадежной работе манжеты и следствием этого является вытекание масла).
-
Посадка детали на шпонку – 16Р9/h9 и 8Р9/h9. Посадки с натягом обеспечиваются запрессовкой детали.
-
При напрессовке на вал подшипников нужно добиться плотности прилегания внутреннего кольца к заплечику вала, чтобы исключить возможный перекос кольца в процессе работы редуктора. Для контроля плотности прилегания используется щуп толщиной 0,02 мм.
-
Для компенсации теплового удлинения вала во время работы редуктора (что обеспечит его вращение без заклинивания) важно предусмотреть осевые зазоры в подшипниках.
Осевой зазор в подшипнике измеряют щупом, который вставляют между торцом одного из роликов и бортом наружного кольца после разборки блока подшипника. Измерения производят в трех местах при повороте наружного кольца вокруг оси. За осевой зазор принимают его минимальное значение. Осевой зазор в подшипнике можно определять в собранном виде на приборе или на приспособлении (рис). Для этой цели на плиту прибора устанавливают бортовое внутреннее кольцо поз. 10 (бортом вниз). На кольцо устанавливают блок измеряемого подшипника, а на его ролики - прижимное кольцо поз. 9, закрепляемое гайкой поз. 6. При помощи рычага поз. 1 поднимают и опускают наружное кольцо; штифт индикатора, упираемый в конец наружного кольца, определяет осевой зазор.
В этом случае за осевой зазор в подшипнике принимают наименьшее значение из трех измерений при повороте наружного кольца на 120° вокруг оси.
| Рис.2 Приспособление для измерения осевого зазора | |
| 1 – рычаг 2 – плита 3 – основание 4 – стойка 5 – стойка штатива 6 – гайка | 7 – индикатор 8 – направляющий конус 9 – прижимное кольцо 10 – внутреннее кольцо измеряемого подшипника |
-
Плоскости соприкосновения крышек подшипников и крышки редуктора необходимо покрыть тонким слоем герметика УТ-34 ГОСТ 24285-80 при окончательной сборке.
Слой герметика нужен для герметичности конструкции, чтобы не попадала грязь, пыль, вода в корпус, а также не вытекало масло.
-
Контролировать пятно контакта.
Основной причиной неправильного пятна контакта зубьев по длине является обычно непараллельность и перекос осей отверстий в корпусе или те же погрешности в узле колесо-вал. Нарушение контакта зубьев по высоте – результат неправильного их профиля, что приводит более быстрому износу зубьев колеса. Неправильное пятно контакта зубьев по длине приводит либо к увеличенному зазору между зубьями (нарушение плавности передачи), либо к уменьшенному зазору (возможность заклинивания передачи).
Рис.3
Для контроля по пятнам контакта боковые поверхности зубьев малого колеса окрашивают тонким слоем краски (берлинской лазурью, синькой и др.) и вращают колесо на два - четыре оборота в одну и другую сторону. При нормальном зацеплении пятна контакта располагаются в среднем участке боковой поверхности. У зубчатых передач средней точности пятна контакта охватывают 0,45.. .0,5 высоты зуба и 0,6...0,7 длины зуба.
-
Проверка работы редуктора в сборе.
После обкатки валы любой ступени должны легко проворачиваться от руки без заеданий. Если после обкатки в обоих направлениях вал проворачивается от руки туго, то это значит, что неверно подобраны толщины прокладок, регулирующих зацепление. При плохой регулировке будет происходить повышенное трение в зацеплении, крошение зуба колеса, не будет плавности передачи, повышенный шум.
Все технические требования заданы для правильной работы изделия и должны быть обеспечены.
1.2. Анализ технологичности конструкции: качественные и количественные критерии оценки технологичности конструкции, выводы.
Изделие в целом имеет простую компоновку и простое конструктивное решение, не вызывающее затруднение при сборке. Конструкция изделия допускает возможность его сборки из предварительно собранных узлов. Базовая деталь изделия (корпус редуктора поз.1) имеет технологическую базу (плоскость), обеспечивающую его достаточную устойчивость в процессе сборки (удобно установить корпус на стол и устанавливать в него сборочные узлы). При конструировании изделия обеспечивается возможность свободного подвода высокопроизводительных механизированных сборочных инструментов (винто-гайковертами) к местам соединения деталей.
На основании вышесказанного конструкцию изделия можно считать технологичной серийного производства.
Количественная оценка технологичности изделия
-
коэффициент применяемости стандартных частей изделий:
Кпр.ст =
, где
Nст – число стандартных изделий;
Nобщ – число всех изделий;
Характеристики
Тип файла документ
Документы такого типа открываются такими программами, как Microsoft Office Word на компьютерах Windows, Apple Pages на компьютерах Mac, Open Office - бесплатная альтернатива на различных платформах, в том числе Linux. Наиболее простым и современным решением будут Google документы, так как открываются онлайн без скачивания прямо в браузере на любой платформе. Существуют российские качественные аналоги, например от Яндекса.
Будьте внимательны на мобильных устройствах, так как там используются упрощённый функционал даже в официальном приложении от Microsoft, поэтому для просмотра скачивайте PDF-версию. А если нужно редактировать файл, то используйте оригинальный файл.
Файлы такого типа обычно разбиты на страницы, а текст может быть форматированным (жирный, курсив, выбор шрифта, таблицы и т.п.), а также в него можно добавлять изображения. Формат идеально подходит для рефератов, докладов и РПЗ курсовых проектов, которые необходимо распечатать. Кстати перед печатью также сохраняйте файл в PDF, так как принтер может начудить со шрифтами.
















