РПЗ (777640), страница 2
Текст из файла (страница 2)
Для зубков диаметром 12мм:
Давления в соединении р:
p = max /d/(C1/E1+ C2/E2)
где C1 и C2 – коэффициенты вставляемого и охватывающего материала соответственно
E1 = 630 МПа - модули упругости твердого сплава
E2 = 20 МПа – модули упругости стали
C1 = (1+d12/ d2)/ (1-d12/ d2)- 1
C2 = (1+d2/ d22)/ (1-d2/ d22)+ 2
С1=(1+02/122)/(1-02/122)-0,22=0,78
С2=(1+122/1302)/( 1-122/1302)+0,3=1,32
где d1 – диам. отверстия в штыре , мм
d – номинальный диаметр, мм
d2 – примерное наибольшее значение “наружного” диаметра корпуса
1 = 0,22 – коэффициент Пуассона для твердого сплава
2 = 0,3 – коэффициент Пуассона для стали
Подставив значения C1 и С2 найдем давление в соединении р:
Сила запрессовки Fпр:
Fпр = p**d*L*fmax
где L ,мм – длина соединения
fmax – максимальный коэффициент трения при запрессовке
Fпр=7,4Мпа*3,14*12мм*9,9мм*0,18=500Н
Для зубков диаметром 14мм:
Давления в соединении р:
p = max /d/(C1/E1+ C2/E2)
где C1 и C2 – коэффициенты вставляемого и охватывающего материала соответственно
E1 = 630 МПа - модули упругости твердого сплава
E2 = 20 МПа – модули упругости стали
C1 = (1+d12/ d2)/ (1-d12/ d2)- 1
C2 = (1+d2/ d22)/ (1-d2/ d22)+ 2
С1=(1+02/142)/(1-02/142)-0,22=0,78
С2=(1+142/1302)/( 1-142/1302)+0,3=1,32
где d1 – диам. отверстия в штыре , мм
d – номинальный диаметр, мм
d2 – примерное наибольшее значение “наружного” диаметра корпуса
1 = 0,22 – коэффициент Пуассона для твердого сплава
2 = 0,3 – коэффициент Пуассона для стали
Подставив значения C1 и С2 найдем давление в соединении р:
Сила запрессовки Fпр:
Fпр = p**d*L*fmax
где L ,мм – длина соединения
fmax – максимальный коэффициент трения при запрессовке
Fпр=6,3Мпа*3,14*14мм*15,5мм*0,18=772Н
1.5.2 Нормирование времени на слесарно-сборочные операции.
Проведем нормировку операций общей сборки коронки буровой по нормативам времени из методических указаний[2].
Таблица 2 – Нормирование сборочных переходов
| № п/п | Содержание переходов и приемов; размеры, необходимые для нормирования, мм. | Оперативное время, мин. |
| 1 2 | Взять корпус установить его на стол | 0,46 |
| 3 4 | Взять подкладки Заложить подкладки | 0,08 |
| 5 6 | Взять зубок Установить | 0,1 |
| 7 | Запрессовать зубок | 0,8 |
| 8 9 | Взять зубок Установить | 0,1 |
| 17 | Запрессовать зубок | 0,8 |
| ∑ | 2,34 | |
Штучное время
где
сумма оперативного времени по всем переходам нормируемой операции;
соответственно время на обслуживание рабочего места, личные надобности работающего и подготовительно-заключительное время в процентах от оперативного времени;
коэффициенты, учитывающее соответственно число приемов и комплексов приемов, выполненных одним рабочим,число деталей в партии, условие выполнения работы.
Трудоемкость сборки
где
штучное время для i-ой операции процесса сборки; I-число операций в ТП сборки. Таким образом трудоемкость сборки гидроцилиндра
2. Анализ исходных данных детали
2.1 Назначение детали в изделии
Деталь «Коронка буровая» является телом симметричным относительно оси, т.е. телом вращения. Коронка буровая штыревая предназначена для разрушения пород(материалов) с неоднородной текстурой(трещины, вкрапления более твердого материала и т.д.). Применяется в качестве рабочего органа пневмоударника.
2.2Конструкторско-технологическая характеристика
2.2.1Анализ технических требований и выявление технологических задач, возникающих при изготовлении детали
«Коронка буровая» - тело вращения с соотношением L/D>1, поэтому данная деталь может быть отнесена к классу валов.
Исполнительными поверхностями являются посадочные отверстия для режущих деталей коронки. К основным поверхностям относятся торцевые диаметром 62-0,2, торец 118-0.2 и цилиндрическая поверхность 62-0,2 служащая для крепления коронки в патроне. Внутренняя цилиндрическая поверхности Ø24+0,52 и Ø17+0,43 является вспомогательной.
Имеются четыре симметричные канавки, которые предназначены для крепления коронки и пазы для передачи крутящего момента с патрона. Также имеются с отверстием ∅17, необходимые для подвода СОЖ.
Рабочий чертеж содержит достаточное количество информации о детали: проекции, разрезы, виды, допуска на выполняемые размеры, технологические требования по форме, расположению поверхностей и их шероховатости.
Анализ чертежа детали показывает, что наиболее высокие требования по точности и качеству поверхности предъявляются к рабочей поверхности (посадочные отверстия) и поверхностям для фиксации коронки. Неответственные поверхности выполняются по IT14 и имеют шероховатость Ra 0,8.
На чертеже детали в технических требованиях задана твердость 42..45 HRC. Твердость достигается термообработкой. Режим: Закалка при температуре 880ов масле с последующим высоким отпуском при температуре 540oC.
Деталь изготовлена из материала Сталь 30ХН2МА ГОСТ 4543-71. В таблице 1 приведен химический состав и физико-механические свойства в состоянии поставки.
Таблица 3 – Химический состав в % и физико-механические свойства.
| С | Si | Mn | Ni | S | P | Cr | Mo | Ti | |||||
| 0,27- 0.34 | 0.9-1.2 | 0,3-0,6 | 1,25-1,65 | До 0,035 | До 0,035 | 0,6-0,9 | 0.2-0,3 | 0.03-0.09 | |||||
| σ0,2, МПа | σв,Мпа | δ, % | Ψ, % | KCU, кДж/м2 | |||||||||
| 785 | 980 | 10 | 45 | 780 | |||||||||
Хром обеспечивает прокаливаемость, способствует повышению твердости, износостойкости, уменьшает пространственные искажения вследствие термической обработки.
Марганец и Никель способствуют повышению прокаливаемости, твердости, устойчивости к низким температурам, сталь меньше истирается, а также повышаются антикоррозионные свойства.
Титан увеличивает прочность сплава.
2.2.2Разработка схем контроля заданных требований
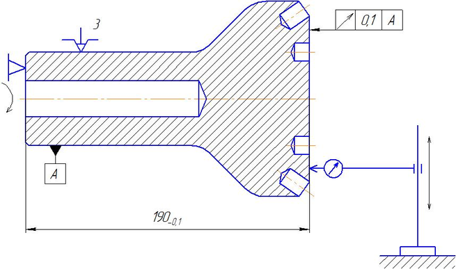
На чертеже задано торцевое биение не более 0,1 мм для двух плоских торцев детали. При контроле данного требования используется индикатор часового типа ИЧ-1 с ценой деления 0,01 мм.
Рис. 2
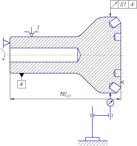
К конической поверхности задано биение не более 0,01 мм относительно оси детали. При контроле данного требования используется индикатор часового типаИЧ-1 с ценой деления 0,001 мм.
Рис. 3
Кроме того, задан допуск на круглости и допуск профиля продольного сечения ручья и оси детали не более 0,005 мм. Данное требование обеспечивается за счёт базирования по внутренней цилиндрической поверхности и закрепления в цанговом патроне, совмещаются измерительная и технологическая базы.
Рис. 4
2.3Анализ технологичности конструкции детали
Качественный анализ конструкции детали показал:
- Деталь имеет достаточную жесткость, несложную геометрическую форму, но присутствуют фасонные поверхности, которые требуют оборудования с ЧПУ и специального инструмента. К таким поверхностям относятся четыре симметричных паза с размером 78+0,74. У детали имеются удобные базовые поверхности, позволяющие совмещать технологические и измерительные базы;
- Масса детали позволяет её установку для обработки без применения наземно-транспортных средств;
- Обеспечен свободный подвод режущего инструмента;
- Отверстие Ø24+0,52 протяженностью 115±0,2 мм требует предварительной зацентровки.
- Многие поверхности детали имеют высокие показатели точности и низкую шероховатость, что снижает технологичность из-за необходимости применения более точного оборудования и более продолжительной обработки.
Количественные показатели
Анализ технологичности детали проводится по основным и вспомогательным коэффициентам. Из-за отсутствия данных расчет произведем по вспомогательным коэффициентам.
Коэффициент использования материала Ким:
| | |
где
– масса детали 0,9 кг (исходя из анализа чертежа);
– масса заготовки 1,45 кг (рассчитана на основе данных плотности и геометрических размеров заготовки).
| |
Деталь считается технологичной, так как
Коэффициент шероховатости поверхностей
Количество поверхностей с соответствующей шероховатостью приведено в Таблице 1.1.
| Таблица 3 | ||
| № п/п | Значения, Ra | Количество поверхностей |
| 1 | 6,3 | 15 |
| 2 | 3,2 | 4 |
| 3 | 1,6 | 0 |
| 4 | 0,8 | 17 |
| 5 | 0,4 | 0 |
| 6 | 0,2 | 0 |
| |
где
- средняя шероховатость поверхности, определяемая в значениях параметра Ra, мкм.
| |
где Б – количество поверхностей соответствующего квалитета,
n – количество поверхностей.
,
,















