РПЗ (777640), страница 3
Текст из файла (страница 3)
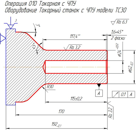
Деталь технологична, так как
Данная деталь в целом технологична для среднесерийного производства. Качественный и количественный анализ детали выявили ряд достоинств и недостатков. Все недостатки конструктивно обоснованы и не приводят к снижению технологичности.
2.4 Проектирование технологического процесса изготовления детали
2.4.1 Выбор вида и метода изготовления заготовки
Заготовка относится к классу валов, изготавливается из стали марки 30ХН2МА, многие поверхности имеют высокую точность и низкую шероховатость, поэтому основными видами заготовки могут быть: прокат, штамповка, поковка, реже – отливка.
Для уточнения вида заготовки и метода её изготовления ниже приведён анализ.
На основе кодирования основных признаков
Определяем четыре основных признака детали:
-
Код материала - 6 (табл. 3.1);
-
Код серийности - 3 (табл. 3.3);
-
Код конструктивных форм - 6 (табл. 3.2);
-
Код массы заготовки – 4 (табл. 3.4)
По четырём основным показателям детали (6-3-6-4) определим возможные виды и способы получения заготовки по таблице 3.7: К ним относятся 7..10.
В соответствии с данными табл.3.6 число возможных видов:
7. Штамповка на молотах и прессах;
8. Штамповка на ГКМ;
9. Свободная ковка;
10. Прокат.
Проведём анализ основных признаков детали для выбора метода получения заготовки.
Результаты анализа основных признаков детали приведены в таблице 2.
Таблица 4 – Результаты анализа основных признаков.
| Признак | Возможные значения | Приоритетные виды заготовок |
| Форма детали | простая | П, ПМ |
| Заготовительные свойства материала | ||
| Жидкотекучесть | неудовлетворительная | (О) |
| Пластичность | удовлетворительная | ОД, П, ПМ |
| Свариваемость | неудовлетворительная | (СК) |
| Обрабатываемость резанием | удовлетворительная | П, ПМ |
| Плотность материала | Обычная | любая |
| Ответственность | обычная | любая |
| Ориентированность структуры | нет | любая |
| Удельная стоимость материала | обычная | любая |
| Тип производства | Серийное | П, ОД, ПМ |
Вывод: на основании проведенного анализа выбираем в качестве заготовки – прокат сортовой горячекатаный круглый, обычной точности (В), IIкласса по кривизне, размер Ø135х195.Обозначение по ГОСТ 2590-88:
Круг В-II-195-135 ГОСТ 2590-88
2.5 Выбор технологических баз
Анализ типовых технологических процессов показал, что при обработке валов в качестве базовых поверхностей могут быть использованы наружная цилиндрические поверхности и торцы.
Использование данного сочетания базовых поверхностей обеспечивает возможность выполнения одного из основных принципов – последовательность смены баз. Кроме того, при обработке ответственных поверхностей применяется принцип постоянства баз.
На рис. 5 приведены возможные схемы установки, которые могут быть применены для обработки данной детали.
Рис.5 – Схемы установки.
2.6 Разработка маршрута обработки основных поверхностей детали
Рисунок 6 - Поверхности
В нижеприведенной таблице 3 для поверхностей, изображенных на рисунке 2, показан маршрут их обработки, достигаемый параметр точности и шероховатости, а также номер схемы установки, которая может быть использована при их обработке.
Таблица 5 – Маршрут обработки поверхностей.
| № Пов-ти | Маршрут обработки поверхности | Достигаемые параметры | Номер схемы | |
| Точность | Шероховатость | |||
| 1,3,7,8,9 | Точение черновое Точение получистовое Точение чистовое | IT12 IT11 IT8 | Ra 12.5 Ra 6.3 Ra 3,2 | 1 1 1 |
| 2 | Точение черновое Точение получистовое | IT 12 IT11 | Ra 6.3 Ra 6.3 | 1 1 |
| 4,5 | Черновое точение Получистовое точение | IT12 IT11 | Ra 12.5 Ra 6.3 | 1 1 |
| 10,11 | Сверление | IT 12 | Ra 6,3 | 1 |
| 12 | Фрезерование | IT11 | Ra 6.3 | 4 |
| 13 | Фрезерование черновое Фрезерование получистовое | IT12 IT9 | Ra 12.5 Ra 6.3 | 4 4 |
| 14,15 | Сверление Зенкерование Развертывание | IT12 IT9 IT8 | Ra 6.3 Ra 3,2 Ra 3,2 | 4 |
| 16,17,18 | Фрезерование черновое Фрезерование получистовое | IT12 IT10 | Ra 12.5 Ra 6.3 | 2 2 |
2.7 Расчет припусков на обработку
Маршрут изготавления внутренней цилиндрической поверхности Ø50Н7, Ra0,8:
1.Заготовка IT15 Rz160
2.Сверление IT12 Rz100
3.Зенкерование IT10 Rа 3,2
4. Развертывание IT7 Ra0,8
Диаметр поверхности исходной заготовки и обработанной поверхности детали принадлежат к одной размерной группе, поэтому могут быть определены допуски на диаметр, соответствующие квалитетам: IT15- 0,7мм ,IT12- 0,18 мм; IT10- 0,043 мм; IT7- 0,018 мм
Величину пространственных отклонений заготовки
определяем по формуле
где
общаяя кривизна заготовки, мкм.
где
удельная кривизна заготовки, полученной выбранным методом, мкм/мм;
расстояние до сечения, для которого определяется кривизна, от ближайшего наружнего торца, мм.
Средний диаметр штампованной детали
Это соответствует
[3].
Тогда
После каждого перехода механической обработки величина пространственного отклонения уменьшается с учетом соответствующего коэффициента уточнения
где
пространственное отклонение (i-1) перехода после обработки поверхности;
пространственное отклонение после i-го перехода обработки;
коэффициент уточнения для i-го перехода [3].
Для сверления
Для каждого i-го перехода обработки определяем погрешность установки заготовки
В представленном маршруте все переходы выполняются при установке в трехкулачковый патрон. Погрешность базирования всех диаметральных размеров равна нулю. Погрешность закрепления равна 20 мкм. Можно принят, что для каждого перехода
Определяем значение минимального припуска на диаметральный размер для i-го перехода механической обработки:
где
значение параметра шероховатости поверхности, полученное после (i-1) перехода ее обработки;
значение величины дефектного слоя, сформированного после (i-1) перехода;
значение пространственного отклонения после (i-1) перехода;
погрешность установки в i-м переходе.
Сверление:
мкм.
Зенкерование:
мкм.
Развертывание:
мкм.
Определяем значение наименьших расчетных размеров поверхности по переходам:
Наибольший размер после развертывания: 14,018;
Наибольший размер после зенкерования: 14,018-0,144=13,874;
Наибольший размер после сверление: 13,874-0,212=13,662;
Предельные наименьшие размеры по переходам определяем, отнимая от значений предельных наименьших размеров значения соответствующих допусков.
Развертывание: 14,018-0,018=14;
Зенкерование: 13,874-0,043=13,831;
Сверление: 13,662-0,180=13,482
Фактические минимальные припуски
где
;
предельные наименьшие размеры поверхности после (i-1) и i переходов соответственно.
Аналогично фактические максимальные припуски
Определяем общие припуски:
- общий наибольший припуск
- общий наименьший припуск
2.8 Маршрутный технологический процесс обработки детали
















