Радиолокационные и радионавигационные измерители угловых координат (774368), страница 6
Текст из файла (страница 6)
Рис. 2.2
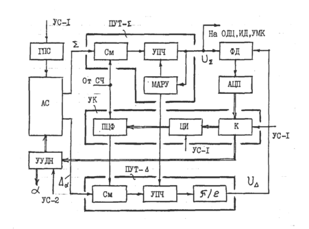
Структурная схема РЛ. В соответствии с поставленными перед РЛ общими задачами он должен иметь канал обнаружения движущихся целей (ОДЦ) и четыре измерительных канала, служащих для определения азимута, угла места, скорости и дальности цели. Наличие ОДЦ и необходимость измерения скорости требуют применения когерентного зондирующего сигнала. Последний, как указывалось, должен быть импульсным.
Упрощенная структурная схема такого РЛ представлена на рис. 2.2. Источником когерентных колебаний служит синтезатор частот СЧ. Основой СЧ является когерентный генератор частоты
, из которой путем дробно-рациональных преобразований формируются частоты всех сигналов, необходимых для работы РЛ. Передатчик Прд представляет собой умножитель частоты
выдаваемого СЧ сигнала (
- несущая частота) в k раз с последующим усилителем мощности, периодически отпирающимся при поступлении с СЧ синхронизирующих импульсов с частотой повторения (синхросигнал ОС). Полученный в Прд зондирующий сигнал через переключатель прием-передача ППП направляется к антенной системе АС.
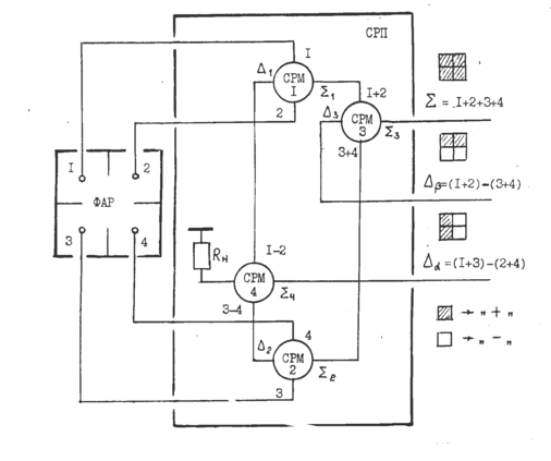
Антенная система, один из вариантов которой показан на рис. 2.3, состоит из приемно-передающей фазированной антенной решетки ФАР и суммарно-разностного преобразователя СРП. Антенная решетка имеет четыре идентичных модуля, объединение которых позволяет получить суммарную диаграмму направленности антенны (ДНА), используемую для излучения зондирующего сигнала. Последний подается от ППП на то плечо СРП, с которого в режиме приема снимается суммарный сигнал
. В режиме передачи СРП выполняет функцию делителя мощности Прд между модулями ФАР.
Рис. 2.3
В режиме приема СРП, содержащий суммарно-разностные мосты СРМ-1...СРМ-4, формирует суммарный сигнал
и два разностных сигнала
и
. Процессы формирования этих сигналов очевидны из рассмотрения рис. 2.3, на котором цифрами 1,…,4 обозначены сигналы соответствующих модулей ФАР, а символами
и
- выходы суммарного и разностного сигналов i-го СРП. Сигналы
и
используются в каналах азимута и угла места РЛ и аналогичны входным сигналам этих каналов при делении ФАР на две половины (см. рис. 1,4), фазовые центры которых разнесены в азимутальной и угломестной плоскостях соответственно на расстояние Б, называемое базой антенн. Управление сканированием ДНА в процессе поиска цели осуществляется с помощью управляющего сигнала УС-2 (см. рис. 2.2), поступающего с ЭВМ радиолокатора ЭВМ РЛ. Сигнал УС-1 служит для переключения коммутаторов измерителя угловых координат ИУК при коррекции неидентичностей приемно-усилительных трактов угломерных каналов. Информация о азимуте
и угле места
цели поступает в ЭВМ РЛ.
Усиленный и отфильтрованный суммарный сигнал с приемно-усилительного тракта ПУТ-
подается на обнаружитель движущихся целей ОДЦ, измеритель угловых координат ИУК и измеритель дальности ИД. Информация о скорости цели может сниматься с устройства селекции движущихся целей СДЦ при построении последнего на основе фильтрового метода. Обнаружитель Обн вырабатывает сигнал обнаружения СО. Этот сигнал, а также информация о дальности
и скорости
цели направляются (обычно в цифровой форме) в ЭВМ РЛ, которая вырабатывает команды для систем управления самолетом или его оружием, являющихся внешними потребителями информации ПИ, выдаваемой РЛ. Эта ЭВМ используется и для управления радиолокатором, выдавая, например, команды на изменение параметров РЛ при переходе от ближней зоны обзора к дальней зоне.
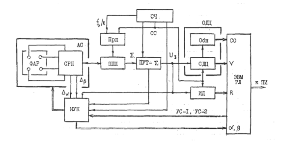
Структурная схема азимутального канала. Как указывалось выше, измеритель угловых координат ИУК должен определять азимут и угол места цели и содержит в связи с этим два идентичных по схеме канала: канал азимута и угломестный канал (УМК).
Структурная схема азимутального канала показана на рис. 2.4. Предусмотрены два режима работы азимутального канала: рабочий, когда измеряется угол
, и калибровочный, когда корректируются неидентичности трактов обработки сигналов. Последний режим и соответствующая ему схема устройства коррекции УК (выделена на рис. 2.4) будут рассмотрены отдельно.
Рис. 2.4
В рабочем режиме коммутатор К соединяет выход углового дискриминатора с устройством управления диаграммой направленности УУДН. Кроме того, отключается генератор пилот-сигнала ГПС.
Угловой дискриминатор содержит два ПУТ и базовый детектор ФД. Сигнал ФД преобразуется в цифровую форму с помощью аналого-цифрового преобразователя АЦП. Устройство мгновенной регулировки усиления МАРУ служит для нормировки сигналов, с помощью которой уменьшается влияние амплитудных флуктуаций входных сигналов на точность измерения угловых координат.
В идеальном фазовом суммарно-разностном радиопеленгаторе (т.е. в радиопеленгаторе с идентичными характеристиками трактов приема и усиления сигналов) суммарный
и разностный
сигналы, как показано на рис. 2.5,а, сдвинуты по фазе на угол
=90°. Такой же фазовый сдвиг имеют сигналы
и
, подаваемые на ФД (рис. 2.5,6). В таком случае напряжение на выходе ФД будет равно нулю при любом значении информативного сдвига фаз
принятых сигналов
и
. Фазовый сдвиг
, вводимый в разностный сигнал, приводит к тому, что сигналы
и
становятся синфазными.
Рис. 2.5
Из сказанного следует, что при одинаковых коэффициентах усиления ПУТ-
и ПУТ-
, т.е. при
, сигналы на входах ФД имеют вид
где
- амплитуды сигналов
и
;
- фазовый сдвиг этих сигналов, определяемый соотношением (1.4);
- промежуточная частота.
Тогда напряжение на выходе ФД идеального суммарно-разностного углового дискриминатора будет
где
- угол рассогласования, т.е. угол между равнофазным направлением РФН и направлением на цель (см. рис. 1.6);
- коэффициент передачи базового детектора, а наличие члена
в знаменателе есть следствие работы схемы МАРУ, уменьшающей коэффициенты усиления ПУТ-
и ПУТ-
пропорционально значению
.
Сигнал
подается (в данном АК в цифровой форме) на устройство управления диаграммой направленности УУДН, вызывая такой поворот ДНА, при котором
стремится к нулю.
Структурная схема устройства коррекции. В реальных фазовых суммарно-разностных радиопеленгаторах тракты обработки сигналов обычно неидентичны, что приводит к появлению аппаратурной погрешности
при определении угловых координат цели. Наибольшее влияние на аппаратурную погрешность оказывают:
-
- неидентичность фазовых сдвигов сигналов
и
на высокой частоте (до СРП);
-
- неидентичность коэффициентов передачи трактов прохождения этих сигналов до СРП;
-
- неидентичность фазовых сдвигов суммарного и разностного сигналов в трактах усиления на промежуточной частоте (в ПУТ).
Сигнал на выходе углового дискриминатора (2.2) при неидентичных трактах приема и усиления сигналов принимает вид
При нахождении цели на равнофазном направлении РФН, когда
, сигнал
не равен нулю и ДНА продолжает свое движение до тех пор, пока за счет возникающего приращения сдвига фаз
принимаемых сигналов
и
не будет достигнуто выполнение условия
.
Приравнивая
нулю, из соотношения (2.3) можно получить то значение
, которое соответствует установившемуся состоянию системы слежения за углом
. Это значение
является аппаратурной погрешностью, которая в рассматриваемом угломерном канале равна
Сказанное поясняется векторными диаграммами рис. 2.6, где диаграмма "а" соответствует сигналам до СРП при
и
; "б" - сигналам на входе фазового детектора при
, а "в" - то же, что и "б", но при
, т.е. при цели, находящейся на РФН. Из последней векторной диаграммы следует , что, когда цель находится на РФН, фазовый сдвиг сигналов
и
составляет
Так как υ
, то сигнал
отличен от нуля. Система слежения за утлом
придет в состояние равновесия, когда поворот ДНА приведет к такому значению углов
и
, при котором векторы
и
станут ортогональными.
Рис. 2.6
Источники и методы снижения аппаратурных погрешностей моноимпульсных радиопеленгаторов (в том числе и рассматриваемого класса) детально описаны в работе. Для уменьшения аппаратурной погрешности можно использовать также коррекцию неидентичностей трактов приема и усиления сигналов. Наиболее простой вариант устройства коррекции УК показан на рис. 2.4 и основан на введении дополнительного фазового сдвига
в сигнал, усиливаемый в ПУТ-
. Значение
должно быть таковым, чтобы угол υ, определяемый соотношением (2.5), был бы равен 90° при нахождении цели на РФН.
Структурная схема УК, показанная на рис. 2.4, идентична рассмотренной в §. 1.1.
Анализ соотношения (2.4) показывает, что для уменьшения аппаратурной погрешности можно изменять также параметры
и
. Регулировать значение
можно, включив, например, управляемый аттенюатор перед суммарно-разностным преобразователем и используя схему типа АРУ для управления его коэффициентом передачи. При этом управляющий этой схемой сигнал должен сниматься с фазового детектора углового дискриминатора.















