63783 (762963)
Текст из файла
УСТРОЙСТВА ДОМАШНЕЙ АВТОМАТИКИ НА МИКРОСХЕМАХ СТРУКТУРЫ КМОП
Современный уровень развития техники шагнул настолько вперёд, что, казалось бы, трудно чего-то ещё желать за те же деньги. А хотелось бы! В этой работе мы рассмотрим некоторые возможности реализации малой доли тех возможностей автоматизации бытовых ситуаций, которые могут быть решены практически бесплатно людьми, знакомыми с азам цифровой электроники.
Сенсорное выключение паяльника при работе с кмоп-микросхемами
Как известно, при работе с полевыми транзисторами и микросхемами структуры КМОП часто возникает проблема, связанная с высоким потенциалом жала паяльника, питаемого от промышленной сети напряжения. Связанно это с тем, что полевые транзисторы и микросхемы, построенные по технологии КМОП, очень чувствительны к электрическим полям. Наиболее опасными являются электрические поля, возникающие в результате сетевых наводок при питании паяльника переменным напряжением 220 В. Под действием таких полей деталь может выйти из строя даже при кратковременном касании её вывода жалом включённого паяльника.
В
радиолюбительской литературе встречаются описания приёмов борьбы с этим негативным явлением, которые обычно сводятся к понижению напряжения питания паяльника до 12 – 40 вольт или переделке самого паяльника. Все эти операции относительно трудоёмки и всё равно не дают полной защиты от пробоя детали.
Однако проблема может быть решена иначе. Ведь для того, чтобы полностью устранить влияние высоковольтных наводок достаточно просто на время пайки вывода микросхемы отключать паяльник от сети. Время пайки каждого вывода любой микросхемы или транзистора должно быть как можно меньшим, поэтому за время пайки даже нескольких выводов жало отключённого от сети паяльника просто не успевает остывать настолько, чтобы нельзя было осуществить качественную пайку. Естественно, на время когда жало опускается в канифоль, на него берётся припой или просто паяльник кладётся на подставку нужно не забывать включать его в сеть.
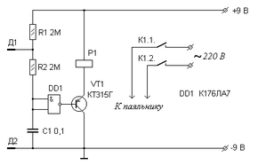
На рисунке 1 показана принципиальная схема устройства, позволяющего автоматизировать процесс включения/отключения паяльника на время пайки. Коммутация цепи нагревательного элемента осуществляется при помощи нормально замкнутых контактов электромагнитного реле Р1. Управляется реле при помощи сенсорного датчика Д1Д2. В исходном состоянии на входах логического элемента DD1 присутствует потенциал высокого логического уровня, а на его выходе – потенциал низкого уровня. Транзистор при этом заперт, и обмотка реле обесточена, а паяльник включён в сеть. Если коснуться пальцем электродов Д1Д2, то сопротивление между ними уменьшится и на входе инвертора DD1 выделится потенциал низкого логического уровня, а на базе транзистора появится высокий потенциал. Транзистор откроется, реле включится, и его контакты разомкнут цепь нагревательного элемента паяльника. Конденсатор С1 и резистор R2 образуют фильтр, устраняющий влияние на схему сетевых наводок.
В качестве сенсора можно использовать два отрезка хорошо залуженной медной проволоки диаметром около 0,5 мм и длиной 5 – 7 мм, которые крепятся на рукоятке паяльника в удобном месте на расстоянии около 3 мм друг от друга. Способ крепления произволен и зависит от конструкции ручки паяльника. Плата устройства размещается отдельно в пластмассовом корпусе, сенсор соединяется с платой при помощи экранированного провода. При этом оплётку провода следует соединить с общим проводом схемы. Чтобы провод не мешал при пайке, его можно обмотать «змейкой» вокруг рукоятки паяльника, закрепив у её конца изолентой.
В качестве электромагнитного реле может быть использовано любое реле, надёжно срабатывающее при напряжении 9 В (например, РЭС-37). Вместо указанной на схеме микросхемы К176ЛА7 можно использовать любую другую микросхему структуры КМОП, на базе которой можно построить инвертор.
Цифровой термостабилизатор воды в сосуде
Описываемое устройство позволяет автоматически выключать нагревательный элемент электрочайника при закипании воды и автоматически отключать его, когда температура воды становится градусов на десять ниже температуры кипения. Это позволяет всё время иметь в чайнике воду, готовую к завариванию чая или кофе. Однако со временем вода может выкипеть, нагреватель оголиться и перегореть. Чтобы этого не происходило, в схеме предусмотрен датчик уровня жидкости, что позволяет устройству автоматически выключать нагревательный элемент в случае критически низкого уровня воды.
Из соображений удобства пользования устройством, предусмотрена система звукового оповещения состояния воды в чайнике. Когда вода закипает и нагреватель отключается, раздаётся прерывистый звуковой сигнал регулируемой тональности и громкости. Число звуковых посылок в каждой пачке сигнала и временные интервалы между ними также могут быть отрегулированы. Когда же уровень воды приближается к поверхности нагревателя, последний отключается и раздаётся монотонный звуковой сигнал, продолжающийся до тех пор, пока в чайник не будет добавлено ещё воды.
Принципиальная схема такого устройства показана на рисунке 2. Основой устройства являются датчики уровня жидкости Д1 и температуры Д2, логические элементы DD1. 1., DD1. 2., DD3. 2. и DD3. 4., транзистор VT1 и электромагнитное реле Р. Присутствие в схеме остальных элементов непринципиально. Они обеспечивают управление стилем звукового оповещения о закипании воды и недопустимо низком её уровне в чайнике.
Когда нагреватель полностью покрыт холодной водой, на входах элемента DD1. 1. действует напряжение низкого уровня, а на входах элемента DD1. 2. присутствует высокого уровня напряжения. При этом на обоих входах логического элемента DD3. 2. будут действовать логические нули, а на его выходе – логическая единица. После инверсии логическим элементом DD3. 4. на базе транзистора VT1 окажется логический ноль, транзистор откроется, реле включится и своими контактами замкнёт цепь нагревателя.
Когда же вода закипит, сопротивление резистора R7 уменьшится настолько, что на входе элемента DD1. 2. появится логический ноль, а на его выходе – единица. При этом на выходе элемента DD3. 2. окажется ноль, а на базе транзистора VT1 – логическая единица, в результате чего транзистор закроется, обмотка реле обесточится и нагреватель выключится. Когда вода остынет, сопротивление резистора R7 вновь возрастёт и устройство вернётся в состояние, описанное выше.
Ну а если вода выкипела или её вовсе забыли налить, то на выходе элемента DD1. 1. появится логический ноль, а на выходе элемента DD1. 3. логическая единица, которая поступит на верхний по схеме вход элемента DD3. 2. и на его выходе появится логический ноль вне зависимости от состояния нижнего входа этого элемента, что приведёт к запиранию транзистора VT1 и обесточиванию обмотки реле.
Теперь рассмотрим назначение и принцип действия остальных узлов устройства. На элементах DD2.1., DD2.2. и DD2.3, DD2.4. собраны генераторы прямоугольных импульсов частотой порядка 1000 Гц и 1 Гц соответственно. Высокочастотный генератор работает непрерывно, а низкочастотный – только в том случае, когда на нижнем по схеме входе элемента DD2. 3. действует напряжение высокого логического уровня. Микросхема DD5 представляет собой счётчик импульсов, снабжённый внутренним десятичным дешифратором, то есть имеет десять выходов (имеется ещё одиннадцатый – выход переноса, но здесь он не используется), только на одном из которых действует высокий уровень напряжения, а на остальных – низкий. Номер выхода, на котором действует логическая единица, соответствует порядковому номеру импульса, пришедшего на вход CP счётчика. Когда вода закипит, то при погруженном в воду датчике Д1 на обоих входах элемента DD1. 4. одновременно начнут действовать логические единицы, а на входе R счётчика DD5 выделится логический ноль, который разрешит работу микросхемы в счётном режиме. Кроме того логический ноль на входе R JK-триггера DD6 переведёт его в нулевое состояние и логическая единица с его инверсного выхода окажется на нижнем по схеме входе элемента DD4. 2.. При этом триггер будет находиться в переключающем режиме, то есть при каждом перепаде на его входе С напряжения с низкого уровня на высокий триггер будет переключаться в противоположное состояние. В этот же момент логическая единица на выходе элемента DD1. 2. разрешит работу низкочастотного генератора на элементах DD2.3 и DD2.4., и на входе СР счётчика начнут действовать импульсы напряжения частотой порядка 1 Гц. При этом на входах элемента DD3. 3. поочерёдно начнут выделяться импульсы напряжения, причём на нижнем по схеме входе элемента выделяется логическая единица всякий раз, когда счётчик, переполняясь, обнуляется, а на верхний вход DD3. 3. поступают импульсы в моменты времени, соответствующие положению ползунка переключателя SA. Появление каждого такого импульса на любом входе элемента DD3. 3. приводит к переключению в противоположное состояние триггера DD6. В результате на нижнем по схеме входе элемента DD4. 2. выделяются импульсы, длительность которых и продолжительность пауз между ними определяются частотой низкочастотного генератора и положением переключателя SA. Например, если его ползунок замкнут на четвёртый выход (десятый вывод микросхемы), то после обнуления счётчика триггер переключится в противоположное состояние с приходом на вход счётчика четвёртого импульса, а затем ещё раз переключится, когда счётчик обнулится, то есть по прошествии ещё шести импульсов. Далее – процесс повторится.
Импульсы с выхода низкочастотного генератора так же поступают и на нижний по схеме вход элемента DD3. 1.. Действующий на его другом входе логический ноль, разрешит прохождение импульса на входы инвертора DD4. 1., а, значит и на средний по схеме вход элемента DD4. 2.. Поскольку на верхнем входе этого элемента всегда действуют импульсы напряжения высокой частоты, то при логической единице на нижнем входе элемента на базе транзистора VT2 начнут выделяться пачки импульсов частотой порядка 1000 Гц. При этом продолжительность пауз между этими пачками будет равна длительности пауз между импульсами низкочастотного генератора, а сами пачки импульсов будут выделяться на базе транзистора только в те отрезки времени, когда на нижнем по схеме входе элемента DD4. 2. действует логическая единица. Таким образом, в динамике Гр будет слышаться прерывистый звуковой сигнал, который время от времени будет исчезать и спустя определённые промежутки времени вновь возобновляться. Частоту звука можно регулировать сопротивлением резистора R1 и ёмкостью конденсатора С1, длительность звучания - сопротивлением резистора R2 и ёмкостью конденсатора С2, а временные интервалы между пачками звуковых импульсов – положением переключателя SA.
Если воды в чайнике недостаточно (датчик Д1 оголён), то на верхнем по схеме входе элемента DD3. 1. действует логическая единица, а на его выходе – ноль вне зависимости от состояния нижнего входа этого элемента. После инверсии элементом DD4. 1. на среднем входе элемента DD4. 2. будет зафиксирована логическая единица. Логическая единица, действующая на верхнем входе элемента DD3. 1. так же появится и на R входе триггера DD6, что переведёт его в нулевое состояние и логическая единица с его инверсного выхода будет зафиксирована на нижнем по схеме входе элемента DD4. 2.. При этом на базе транзистора VT2 непрерывно будут действовать импульсы напряжения высокой частоты. Таким образом, пока датчик Д1 не погружен в воду, вне зависимости от температуры датчика Д2, нагреватель будет отключён, а в динамике будет слышаться непрерывный звук.
Н
Рис.
Рис. 2.
еоновая лампа HL1 и резистор R16 обеспечивают индикацию включённого состояния нагревательного элемента, а светодиоды HL2 и HL3 предназначены для индикации состояния системы: когда воды в чайнике недостаточно – светится светодиод HL2, а когда вода закипит, начинает мигать светодиод HL3. Резистор R10 и конденсатор С3 обеспечивают гашение искры при коммутации контактов электромагнитного реле. Резистор R13 предназначен для регулировки громкости звука. Кнопка Кн позволяет настраивать стиль звукового оповещения даже при наличии в чайнике холодной воды. В нажатом состоянии её контакты шунтируют резистор R7, тем самым, имитируя закипание воды. При этом в динамике раздаётся прерывистый звук, параметры которого могут быть отрегулированы галетным переключателем SA и резисторами R1, R2 и R13.
Налаживание устройства сводится к установке порога срабатывания датчика Д2. Для этого оба датчика размещают внутри чайника с холодной водой, контакты кнопки Кн размыкают, движок резистора R13 устанавливают в верхнее, а движок подстроечного резистора R6 – в крайнее нижнее по схеме положение. Если схема собрана из исправных деталей и в монтаже нет ошибок, то после включения напряжения питания должно сработать электромагнитное реле, включив цепь питания нагревательного элемента. Звука в динамике при этом быть не должно. После того как вода закипит, медленно перемещают движок резистора R6 вверх по схеме до тех пор, пока обмотка реле ни обесточится. При этом в динамике должен раздаться прерывистый звуковой сигнал.
Конструктивно устройство может быть выполнено в пластмассовом корпусе, на панель которого выведены ручки переменных резисторов R1, R2 и R13, галетного переключателя SA, кнопка Кн, неоновая лампа HL1 и светодиоды HL1 и HL2, а также гнёзда XS для включения нагревательного элемента чайника. Питание устройства осуществляется от любого малогабаритного блока питания со стабилизированным напряжением 9 ÷ 12 В, размещаемого внутри корпуса устройства. Датчики Д1 и Д2 целесообразно подключать к устройству при помощи разъёма, который крепится на корпусе чайника в специально подготовленном в его верхней части отверстии. Разместить датчики внутри чайника можно, например, на пластинке из термостойкой пластмассы, аккуратно укрепив её отрезками медной проволоки непосредственно на самом нагревателе. Только делать это следует очень осторожно, чтобы не повредить самого нагревательного элемента. Можно также пластинку с датчиками прикрепить к крышке чайника двумя стержнями соответствующей длины из нержавеющей стали. Тогда разъём для подключения датчиков следует также разместить на крышке чайника. Такая конструкция более надёжна, так как в этом случае нагревательный элемент не подвергается никаким механическим воздействиям.
Следует отдельно сказать о конструкции датчика Д2. Он должен быть изготовлен таким образом, чтобы вода не шунтировала его выводов. Для этого терморезистор можно разместить внутри небольшой стеклянной трубки такой длины, чтобы контакты его выводов с идущими к датчику проводами находились внутри трубки, после чего торцы трубки следует надёжно заделать влаго-термостойким герметиком. Автор использовал для этой цели чёрный водо-атмосферостойкий герметик «ARGO» (согласно информации на его этикетке рабочий диапазон температур этого клея от –15 до +125 ºС). Если трубка окажется слишком большого диаметра, и между ней и терморезистором будет оставаться слишком много воздуха, то, для понижения инерционности датчика, терморезистор следует обернуть некоторым количеством слоёв слюды. Для этого удобно использовать слюдяные трубки от перегоревшего паяльника.
Характеристики
Тип файла документ
Документы такого типа открываются такими программами, как Microsoft Office Word на компьютерах Windows, Apple Pages на компьютерах Mac, Open Office - бесплатная альтернатива на различных платформах, в том числе Linux. Наиболее простым и современным решением будут Google документы, так как открываются онлайн без скачивания прямо в браузере на любой платформе. Существуют российские качественные аналоги, например от Яндекса.
Будьте внимательны на мобильных устройствах, так как там используются упрощённый функционал даже в официальном приложении от Microsoft, поэтому для просмотра скачивайте PDF-версию. А если нужно редактировать файл, то используйте оригинальный файл.
Файлы такого типа обычно разбиты на страницы, а текст может быть форматированным (жирный, курсив, выбор шрифта, таблицы и т.п.), а также в него можно добавлять изображения. Формат идеально подходит для рефератов, докладов и РПЗ курсовых проектов, которые необходимо распечатать. Кстати перед печатью также сохраняйте файл в PDF, так как принтер может начудить со шрифтами.















