122829 (756739)
Текст из файла
МОСКОВСКИЙ ГОСУДАРСТВЕННЫЙ ОТКРЫТЫЙ УНИВЕРСИТЕТ
Чебоксарский институт (филиал)
Доклад
на тему:
АНАЛИЗ ВЛИЯНИЯ ХИМИЧЕСКОГО СОСТАВА И ТЕХНОЛОГИИ ПОЛУЧЕНИЯ НА ЖАРОПРОЧНОСТЬ МЕТАЛЛОВ И СПЛАВОВ
Выполнили: студенты 2 курса Иванов С.В., Львов А.
Факультет: автомеханический, Группа А21\05
Научный руководитель:
Чебоксары 2006
ПЛАН
ВВЕДЕНИЕ 3
СПОСОБ И РЕЖИМ ВЫПЛАВКИ 4
СТАЛИ И СПЛАВЫ ДЛЯ ВЫСОКОТЕМПЕРАТУРНОЙ СЛУЖБЫ 6
ЖАРОПРОЧНЫЕ ЦВЕТНЫЕ СПЛАВЫ, ИХ СВОЙСТВА И НАЗНАЧЕНИЕ 22
МАГНИЕВЫЕ СПЛАВЫ 22
АЛЮМИНИЕВЫЕ СПЛАВЫ 23
ТИТАНОВЫЕ СПЛАВЫ 24
МЕДНЫЕ СПЛАВЫ 25
НИКЕЛЕВЫЕ И КОБАЛЬТОВЫЕ СПЛАВЫ 26
ЖАРОПРОЧНЫЕ СПЛАВЫ ТУГОПЛАВКИХ МЕТАЛЛОВ. ИХ СТРУКТУРА, СВОЙСТВА И ПРИМЕНЕНИЕ 27
ВАНАДИЕВЫЙ СПЛАВЫ 30
ХРОМОВЫЕ СПЛАВЫ 30
НИОБИЕВЫЕ СПЛАВЫ 31
МОЛИБДЕНОВЫЕ СПЛАВЫ 31
ТАНТАЛОВЫЕ СПЛАВЫ 32
ВОЛЬФРАМОВЫЕ СПЛАВЫ 33
Используемая литература 36
ВВЕДЕНИЕ
В последние годы в связи с развитием новых специальных областей техники широкое применение получили жаропрочные сплавы, способные без разрушения в течении длительного времени сопротивляться незначительным пластическим деформациям при высоких температурах.
Многообразие современных жаропрочных сплавов связано с различными уровнями рабочих температур и требованиями, предъявляемыми к свойствам сплавов при этих температурах (предела длительной прочности и ползучести, электро - и теплопроводность, свариваемость и др.)
Рабочие температуры современных жаропрочных сплавов составляют примерно 0,5-0,8 Тпл, а в ряде случаев 0,8-0,9 Тпл, время применения изменяется от нескольких часов до нескольких лет, напряжения - от нескольких до десятков Мн/м2.
Многочисленные требования к современным жаропрочным сплавам могут быть удовлетворены лишь тогда, когда изыскание и разработка новых жаропрочных сплавов идут с заметным опережением этих требований.
СПОСОБ И РЕЖИМ ВЫПЛАВКИ
Выплавка жаропрочных сплавов с использованием чистых шихтовых материалов, вакуумного переплава позволяет получать более высокие и стабильные механические свойства.
Электрошлаковый и вакуумный дуговой переплав способствует повышению выносливости, термостойкости и уменьшает дисперсию свойств.
В работе отмечается, что сплав G-34 вакуумной плавки по сравнению с обычной уменьшил дисперсию с 33,2 до 18,2%, т.е. в 2 раза, причем предел ограниченной выносливости образцов вакуумной плавки при 750°С возрос на 20%.
Так же недостаточное раскисление, завышение температуры разливки, загрязнение металла неметаллическими включениями, металлургические дефекты отрицательно сказываются на пределе выносливости и способствуют росту дисперсии. Исследование структуры слитков обычной и вакуумной плавок стали 1Х12Н2ВМФ (ЭИ961) показывает, что металл вакуумных плавок имеет более плотную, однородную макроструктуру без рыхлостей и расслоений по сравнению с металлом открытых плавок.
Вакуумный дуговой переплав снижает загрязненности этой стали оксидными я силикатными включениями 3-4 раза.
Таблица 1
Влияние способа выплавки на кратковременную и длительную прочность жаропрочных деформируемых сплавов.
| Метод выплавки | Марка сплава | Длительная прочность | Кратковременный разрыв | |||||
| t,°C | σ кгс/ мм² | t, ч | t,°C | σв Кгс/ мм² | σ | ψ | ||
| % | ||||||||
| Открытая плавка в дуговой печи | ХН77ТЮР. (ЭИ437Б) | 700 | 44 | 153 | 700 | 86 | 20 | 25 |
Продолжение таблицы.
| Вакуумный дуговой переплав | 700 | 44 | 157 | 700 | 85 | 20 | 24 | |
| Открытая плавка в дуговой печи | ХН70ВМТЮ (ЭИ617) | 850 | 20 | 82 | 800 | 76 | 4,4 | 10.5 |
| Вакуумный дуговой переплав | 850 | 20 | 114 | 800 | 80 | 10 | 15 |
При переходе от обычной воздушной плавки к вакуумной происходит увеличение предела прочности до 10%, а увеличение длительной прочности (по времени) в 2 раза; удлинение при этом возрастает в 2-3 раза. Кроме того, заметно снижается содержание газов в металле.
Таблица 2
Механические свойства сплава М-252 в зависимости от способа выплавки
| Плавка | Тисп,°С |
кгс/ мм² |
кгс/ мм² |
кгс/ мм² | δ,% |
| На воздухе | 650 750 815 | 95 76 59,7 | - - 31 | 46,4 21* 11,2 | - 5** - |
| В вакууме | 650 750 815 | 110 97 66.8 | - - 33.8 | 52 26.7* 14.8 | - - 9,5** |
* Температура испытания 760° С. ** Температура испытания 730° С.
Характеризуя влияние способа выплавки на кратковременную и длительную прочность жаропрочных деформированных сплавов, отмечается, что вакуумный переплав улучшил жаропрочные свойства сплава ХН70ВМТЮ (ЭИ617) (табл.1).
В таблице 2 даны сравнительные свойства сплава М-252 для лопаток турбин, полученные дуговой и вакуумной плавкой, показывающие преимущества металла вакуумной плавки по всем характеристикам.
Данные 1000-ч прочности по сплавам М-252, Уаспаллой, К-235, GMR-235 также свидетельствуют о преимуществе вакуумной выплавки. Следует подчеркнуть, что механические свойства получаются более высокими при увеличении глубины вакуума.
Сопротивление ползучести при переходе от обычной воздушной выплавки к вакуумной возрастает (по времени) для нимоник 90 на 80%, а для нимоник 105-на 50% при возрастаний удлинения в 4,5 и 2,2 раза соответственно. Термостойкость также возрастает для литейных и деформируемых сплавов при переходе от открытой к вакуумной выплавке, о чем свидетельствуют данные многих исследователей.
СТАЛИ И СПЛАВЫ ДЛЯ ВЫСОКОТЕМПЕРАТУРНОЙ СЛУЖБЫ
Развитие работ в области создания и технологии производства жаропрочных и жаростойких сталей и сплавов во многом определяет прогресс различных отраслей промышленности: авиация, ракетпокосмическая техника, судостроение, тепловая и атомная энергетика, химическое и нефтехимическое машиностроение, приборостроение и др.
В связи с различными условиями эксплуатации рассматриваемых сталей и сплавов (температура, напряжение, среда) анализ состояния вопроса целесообразно провести по группам материалов.
Теплоустойчивые стали.
Теплоустойчивые стали, работающие при высоких температурах до 650°С и давлениях до 250-300 атм, обладая повышенной кратковременной и длительной прочностью, могут работать и в агрессивных средах длительностью от 10 до 100 тыс. часов.
Теплоустойчивые стали, как правило, являются низколегированными: содержание легирующих элементов в них не превышает 4 мас.%, за исключением 12 мас. % хромистых коррозионностойких сталей.
При правильном выборе химического содержания стали и режима термической обработки сталь упрочняется по трем механизмам: 1) фазовый наклеп при y-d-превращении; 2) дисперсионное твердение; 3) упрочнение твердого раствора. В результате формируется оптимальная структура, которая обеспечивает высокие свойства в исходном состоянии и их стабильность в течение длительного времени эксплуатации при высоких температурах.
Легирование современных теплоустойчивых сталей основано на изложенных выше соображениях. Ранее из-за недостаточных знаний по теории легирования, в теплоустойчивые стали в основном вводили молибден или молибден с хромом, причем содержание Мо было неоправданно высоким 1,0-1,5 мас. %. Стали относились к упрочняемым по первому и по третьему механизмам. Типичными представителями этой группы являются стали 15-16М, 15ХМ. Croalloy 2.25C и др.
В середине 50-х годов были разработаны дисперсионно-твердеющие стали, содержащие хром, молибден и ванадий одновременно, причем концентрация молибдена была снижена до 0,25-0,35 мас. %. Введение ванадия в количестве 0,15-0,30 мас. % даже при уменьшенном содержании молибдена достаточно, чтобы получить более высокие свойства, чем в стали с 1 мас. % Мо без ванадия.
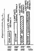
Благодаря применению хромомолибденванадиевых сталей теплоэнергетика освоила закритические параметры пара на энергоблоках различной мощности (рис.1)
При использовании агрессивных топлив находят применение стали с повышенным содержанием хрома (10-12 мас. %), которые работают достаточно надежно до 620-650 °С. Упрочнение этих сталей при наличии в них молибдена и ванадия происходит в результате выделения легированного кубического карбида МегзСб и МеС. Карбид Ме2зСб не является таким дисперсным, как карбид ванадия УС, Он выделяется недостаточно равномерно, преимущественно по границам зерен, из-за чего наиболее жаропрочные стали этой группы приходится дополнительно легировать вольфрамом и ниобием в небольших количествах. Вследствие одновременного введения ванадия и ниобия образуются карбиды УС и МЬС, а молибден и вольфрам образуют частицы фазы Лавеса. Таким образом, в высокохромистых сталях упрочнение обеспечивается выделением карбидных и интермсталлидных фаз.
Эти стали обладают высоким комплексом физико-механических свойств, структурной стабильностью и могут надежно эксплуатироваться в течение длительного времени. Хромистые стали, имея меньшую радиационную повреждаемость в нейтронном потоке, могут быть использованы взамен аустенитных хромоникелевых сталей типа Х18Н10Т в качестве конструкционного материала в атомной энергетике.
Для многослойных сосудов высокого давления с рабочей температурой до 450 °С применяется сталь 12ХГНМ. Усовершенствование стали 12ХГНМ (введен ванадий и уменьшены концентрации никеля, молибдена и хрома) позволило использовать ее до более высоких температур - 560°С для изготовления сосудов высокого давления в сварном многослойном рулонированном исполнении. На рис.2 приведены кривые ползучести сталей 12ХГНМ и 12ХГНМФ при температуре
испытания 560°С и напряжении 100 МПа, откуда следует, что сопротивление ползучести стада 12ХГНМФ значительно выше, чем у стали аналогичного состава с большим содержанием никеля" хрома и молибдена, но без добавок ванадия. В результате оптимизации химического состава стали 12ХГНМФ разработана сталь 15ХГНМФТ, содержащая в 1,5-2,0 раза меньше дефицитных легирующих элементов молибдена, никеля, марганца при сохранении на высоком уровне эксплуатационных характеристик. Сталь 15ГНМФТ хорошо сваривается, не склонна к образованию горячих и холодных трещин в околошовной зоне.
Р
ис.1. Повышение эксплуатационных характеристик хромомолибденованадиевых сталей за счет оптимизации легирования к технологии производства.
Рис.2. Кривые ползучести сталей 12ХГНМ и 12ХГНМФ при 560С и напряжении 100МП.
Характеристики
Тип файла документ
Документы такого типа открываются такими программами, как Microsoft Office Word на компьютерах Windows, Apple Pages на компьютерах Mac, Open Office - бесплатная альтернатива на различных платформах, в том числе Linux. Наиболее простым и современным решением будут Google документы, так как открываются онлайн без скачивания прямо в браузере на любой платформе. Существуют российские качественные аналоги, например от Яндекса.
Будьте внимательны на мобильных устройствах, так как там используются упрощённый функционал даже в официальном приложении от Microsoft, поэтому для просмотра скачивайте PDF-версию. А если нужно редактировать файл, то используйте оригинальный файл.
Файлы такого типа обычно разбиты на страницы, а текст может быть форматированным (жирный, курсив, выбор шрифта, таблицы и т.п.), а также в него можно добавлять изображения. Формат идеально подходит для рефератов, докладов и РПЗ курсовых проектов, которые необходимо распечатать. Кстати перед печатью также сохраняйте файл в PDF, так как принтер может начудить со шрифтами.















