147836 (730581)
Текст из файла
Министерство образования Российской Федерации
Санкт-Петербургский государственный университет
сервиса и экономики
Реферат
Тема: «Электрооборудование автомобилей»
Выполнил
студент 3-ого курса
Специальность 100.101
Иванов В.И.
Санкт-Петербург
2010
Содержание
Введение
1. Источники тока
1.1 Генератор
1.2 Регулятор напряжения
1.3 Аккумуляторная батарея
2. Потребители тока
2.1 Стартер
2.2 Система зажигания
2.3 Конструкции приборов системы зажигания
2.4 Система освещения
2.5 Система сигнализации
2.6 Контрольно-измерительные приборы
Список использованной литературы
Введение
Электрооборудование автомобиля представляет собой совокупность электрических приборов и аппаратуры, обеспечивающих нормальную работу автомобиля.
В автомобиле электрическая энергия используется для пуска двигателя, воспламенения рабочей смеси, освещения, сигнализации, питания контрольных приборов, дополнительной аппаратуры и т.д. Электрооборудование автомобиля включает в себя источники и потребители тока. Для соединения источников и потребителей тока применяется однопроводная система. Вторым проводом является масса автомобиля (его металлические части), с которой соединяются отрицательные полюса электрических приборов. Питаются электрические приборы постоянным током напряжением 12 или 24 В (автомобили с дизелями).
1. Источники тока
Источники тока обеспечивают электроэнергией все потребители автомобиля. Источниками тока на автомобиле являются генератор и аккумуляторная батарея. К источникам тока отнесены также и приборы их регулирования. Упрощенная схема общей электрической системы электрооборудования автомобиля и соединения приборов без учета их действительного расположения на автомобиле показана на рис. 1.
Рис. 1. Принципиальная упрощенная схема электрооборудования автомобиля:
1 — аккумуляторная батарея; 2 — стартер; 3 – приборы системы зажигания; 4 — приборы системы освещения; 5 — приборы системы сигнализации; 6 — контрольные электроприборы; 7 — дополнительная аппаратура; 8 — генератор; 9 — регулятор напряжения
1.1 Генератор
Генератор преобразует механическую энергию, получаемую от двигателя, в электрическую. Генератор питает все потребители электрического тока и заряжает аккумуляторную батарею при работающем двигателе. На автомобилях применяются генераторы переменного тока, представляющие собой трехфазную синхронную электрическую машину с электромагнитным возбуждением.
На рис. 2 показан генератор переменного тока. Основными частями генератора являются статор 8 с неподвижной обмоткой, в которой индуктируется переменный ток, и ротор 7, создающий подвижное магнитное поле.
Ротор генератора установлен в двух шариковых подшипниках 5. Он приводится во вращение через шкив 4 генератора с помощью клинового ремня от коленчатого вала двигателя. Этим ремнем также вращается шкив привода вентилятора и насоса охлаждающей жидкости. При работе генератора по обмотке возбуждения ротора проходит ток, подводимый через щетки 3 и создающий магнитное поле, которое при вращении ротора индуктирует в обмотке статора переменный ток.
Переменный ток преобразуется в постоянный с помощью выпрямительного блока 2 генератор охлаждается вентилятором шкива 4 генератора. Генератор установлен на блоке цилиндров двигателя. Он крепится к литому чугунному кронштейну блока и натяжной планке. В ушках крышек 1 и 6 генератора для крепления используются резиновые буферные втулки 9, обеспечивающие упругую связь и исключающие поломку ушков.
Рис. 2. Генератор:
1, 6 – крышки; 2— выпрямительный блок; 3— щетки; 4— шкив; 5— подшипник; 7— ротор; 8— статор; 9 — втулка
1.2 Регулятор напряжения
Регулятор напряжения поддерживает постоянное напряжение тока, вырабатываемого генератором при переменной частоте вращения коленчатого вала двигателя. Регулятор напряжения (рис. 3) представляет собой двухступенчатый электромагнитный регулятор вибрационного типа. При возрастании напряжения генератора до 13... 14 В якорь 6 регулятора под действием магнитного поля обмотки 8 и пружины 7 начинает вибрировать, размыкая и замыкая подвижный 4 и верхний неподвижный 5 контакты. При этом в цепь обмотки возбуждения генератора то включается, то выключается из нее дополнительное сопротивление 1. Так осуществляется первая ступень регулирования напряжения генератора. При повышении напряжения генератора более 14 В начинают замыкаться и размыкаться подвижный 4 и нижний неподвижный 5 контакты. При замыкании этих контактов обмотка возбуждения генератора замыкается на «массу». Так происходит вторая ступень регулирования напряжения генератора. В результате регулируется в заданных пределах напряжение, вырабатываемое генератором. Для уменьшения искрения между контактами 4 и 5 при работе регулятора служит дроссель 2. Регулятор напряжения сверху закрывается стальной крышкой с прокладкой из полиуретана и устанавливается в подкапотном пространстве отделения двигателя.
Рис. 3. Регулятор напряжения:1 - сопротивление; 2 - дроссель; 3,4,5- контакты; 6 - якорь; 7- пружина; 8 — обмотка
Постоянное напряжение тока, вырабатываемого другими генераторами, может поддерживать также малогабаритный микроэлектронный регулятор напряжения, который встроен в генераторы. Он представляет собой неразборное и нерегулируемое устройство. При возрастании напряжения генераторасвыше 13,5—14,5 В регулятор напряжения прерывает поступление тока в обмотку возбуждения ротора. В результате этого напряжение генератора падает. Регулятор напряжения вновь пропускает ток в обмотку возбуждения ротора, я процесс повторяется. Таким образом, непрерывно и автоматически регулируя ток, проходящий по обмотке возбуждения генератора, регулятор поддерживает напряжение генератора в пределах 13,5... 14,5 В независимо от тока нагрузки и частоты вращения коленчатого вала двигателя.
1.3 Аккумуляторная батарея
Аккумуляторная батарея преобразует химическую энергию в электрическую.
Аккумуляторная батарея на автомобиле питает потребители электрического тока при неработающем или работающем с малой частотой вращения коленчатого вала двигателе. На автомобилях применяют свинцово-кислотные аккумуляторные батареи, обладающие небольшим внутренним сопротивлением и способные в течение нескольких секунд отдавать ток в несколько сот ампер, который необходим для пуска двигателя стартером.
Аккумуляторная батарея характеризуется емкостью, т.е. количеством электрической энергии, которую может отдать батарея при разряде от полностью заряженного состояния до предельно допустимого разряженного.
Емкость аккумуляторной батареи измеряется в ампер-часах и зависит от ее конструкции, числа пластин, их толщины, материала разделителей пластин и других факторов.
В эксплуатации емкость аккумуляторной батареи зависит от силы разрядного тока, температуры электролита, режима разряда (прерывистый или непрерывный), степени заряженности и изношенности батареи. Так, при увеличении разрядного тока и понижении температуры электролита емкость аккумуляторной батареи уменьшается.
Корпус 1 батареи (рис. 4) изготовлен из кислотостойкой пластмассы (полипропилена) и разделен перегородками на шесть секций. В каждой секции установлен отдельный элемент, состоящий из положительных 9, отрицательных 10 пластин и сепараторов 8 (разделителей) между ними. Элементы имеют напряжение 2 В и последовательно соединены между собой мостиками 4. Корпус батареи закрыт общей для всех элементов пластмассовой крышкой 2. Крышка Приварена по периферии к наружным стенкам корпуса. Соединения крышки с перегородками корпуса уплотняются при сборке герметиком, что исключает переливание электролита из одной секции в другую. Для каждой секции в крышке имеется резьбовое отверстие с пробкой 6 для заливки и контроля индикатором 7 уровня электролита. Пробки снабжены отверстиями для связи внутренней полости батареи с атмосферой. Батарея имеет два вывода: положительный 3 и отрицательный 5. Аккумуляторная батарея установлена в подкапотном пространстве отделения двигателя.
Рис. 4. Аккумуляторная батарея:
1 — корпус; 2— крышка; 3, 5— выводы; 4 — мостик; 6 — пробка; 7 — индикатор; 8 — сепаратор; 9, 10 — пластины.
Аккумуляторные батареи маркируются. В маркировке батареи указывается: число последовательно соединенных элементов, что определяет напряжение батареи; назначение батареи; емкость батареи в ампер-часах при режиме разряда 20 ч, материал корпуса батареи и материал сепараторов. Например, обозначение аккумуляторной батареи 6СТ-55П означает следующее: батарея стартерная, напряжение 12 В, емкость 55 А-ч, корпус и крышка из пропилена (кислотостойкая пластмасса).
При техническом обслуживании аккумуляторной батареи необходимо соблюдать правила техники безопасности: осторожно обращаться с электролитом, содержащим химически чистую серную кислоту; при осмотре батареи нельзя подносить к ней открытый огонь из-за возможности вспышки газов над электролитом и др.
2. Потребители тока
Потребителями тока на автомобиле являются стартер, система зажигания, система освещения (наружного и внутреннего), система сигнализации (звуковая и световая), контрольные электроприборы и дополнительная аппаратура.
2.1 Стартер
Стартер обеспечивает вращение коленчатого вала с частотой, необходимой для пуска двигателя. Пусковая частота вращения коленчатого вала бензиновых двигателей составляет 40... 50 мин-1. Стартер представляет собой четырехполюсный, четырехщеточный электродвигатель постоянного тока со смешанным возбуждением, с электромагнитным включением шестерни привода и дистанционным управлением.
В стальном корпусе 11 стартера (рис. 5) закреплены четыре полюса 12 с обмотками возбуждения, три из которых соединены с обмоткой якоря 13 последовательно и одна параллельно.
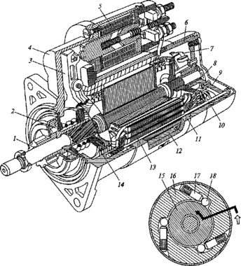
Вал якоря стартера вращается в двух втулках 8 из спеченных материалов, пропитанных маслом. Втулка заднего конца вала запрессована в крышку Р, а втулка переднего конца вала — в картере сцепления. На переднем конце вала якоря находится привод стартера, включающий в себя муфту свободного хода 2 и шестерню 1 привода, которые при включении стартера перемещаются по шлицам вала. Крышки стартера отлиты из алюминиевого сплава. На передней крышке 4 закреплено тяговое реле 5, связанное через пластмассовый рычаг 3 и кольцо 14 с приводом стартера. Реле обеспечивает ввод шестерни в зацепление с венцом маховика и подключение электрической цепи обмоток стартера к аккумуляторной батарее при пуске двигателя. На задней крышке 9 установлены щеткодержатели с четырьмя медно-графитовыми щетками 7. Щетки прижимаются пружинами к торцовому коллектору 6 якоря. Торцовый коллектор выполнен в виде пластмассового диска, в котором залиты медные контактные пластины. Такой коллектор уменьшает длину стартера, снижает его массу и способствует более стабильной и длительной работе щеточных контактов. Крышки и корпус стартера стянуты между собой двумя болтами 10. Муфта свободного хода 2 состоит из наружной 16 и внутренней 15 обойм. Внутренняя обойма объединена с шестерней привода стартера. Наружная обойма объединена со ступицей, которая через спиральные шлицы соединена с валом якоря. Спиральные шлицы обеспечивают поворот муфты при ее перемещении вдоль вала, что облегчает ввод в зацепление зубьев шестерни 1 стартера и венца маховика. В наружной обойме имеются три паза переменной ширины, в которых размещены ролики 18 и поджимные плунжеры 17 с пружинами. Ролики постоянно отжимаются в суженную часть вырезов, заклинивая наружную и внутреннюю обоймы. При пуске двигателя заклинивание обойм усиливается, а после пуска обоймы расклиниваются, так как ролики, преодолевая сопротивление пружин поджимных плунжеров, выкатываются в расширенную часть пазов наружной обоймы муфты. Стартер установлен с левой стороны двигателя и крепится тремя шпильками с гайками к картеру сцепления через фланец передней крышки 4.
Рис.5. Стартер:
1 — шестерня; 2 — муфта; 3 — рычаг; 4,9 — крышки; 5 — реле; 6— коллектор; 7— щетки; 8 — втулка; 10 — болт; 11 — корпус; 12 — полюс; 13 — якорь; 14 — кольцо; 15, 16 — обоймы; 17 — плунжер; 18 — ролик
2.2 Система зажигания
Система зажигания служит для воспламенения рабочей смеси (горючей смеси, перемешанной с остатками отработавших газов) в цилиндрах в соответствии с порядком и режимом работы двигателя.
Характеристики
Тип файла документ
Документы такого типа открываются такими программами, как Microsoft Office Word на компьютерах Windows, Apple Pages на компьютерах Mac, Open Office - бесплатная альтернатива на различных платформах, в том числе Linux. Наиболее простым и современным решением будут Google документы, так как открываются онлайн без скачивания прямо в браузере на любой платформе. Существуют российские качественные аналоги, например от Яндекса.
Будьте внимательны на мобильных устройствах, так как там используются упрощённый функционал даже в официальном приложении от Microsoft, поэтому для просмотра скачивайте PDF-версию. А если нужно редактировать файл, то используйте оригинальный файл.
Файлы такого типа обычно разбиты на страницы, а текст может быть форматированным (жирный, курсив, выбор шрифта, таблицы и т.п.), а также в него можно добавлять изображения. Формат идеально подходит для рефератов, докладов и РПЗ курсовых проектов, которые необходимо распечатать. Кстати перед печатью также сохраняйте файл в PDF, так как принтер может начудить со шрифтами.















