146782 (730217), страница 2
Текст из файла (страница 2)
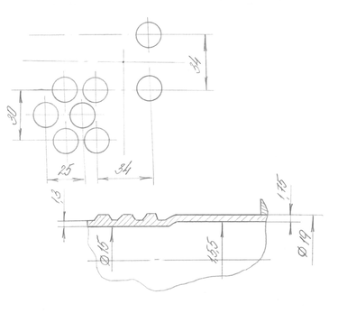
Аппарат устанавливается на фундаментальной раме 2100х3050х1060 и массой 1150 кг с поддоном. Каждые две морозильные плиты образуют пространство разделённой на две ячейки для замораживания рыбы в блоках размером 8
00х250х60 мм.
Замораживание рыбы производится в металлических решетках. В аппарате 120 рамок-окантовок, единовременная вместимость 1200 кг, длина с загрузочным устройством 4000, ширина 3000, высота 2300 мм, масса 5000 кг. Аппарат установлен в изолирующем контуре. Толщина изоляции (пенополистерол) 150 мм. Привод гидравлический, от насосной станции, включающей три насоса (один резервный).
Морозильные плиты имеют конический профиль. При расположении в двух торцевых дисках обе стороны плиты используются для замораживания рыбы. Ка
ждая плита Разделена на две равные части с поперечной планкой. По каналам морозильных плит циркулирует х.а. (R-22), который поступает и отводится через малый вал ротора, разделённый на две части и два кольцевых коллектора. Диаметр подводящей медно-никелевой трубки – 10 мм, отводящей 15 мм. Для равномерного распределения жидкого х.а. по морозильным плитам на входе подводящих трубок установлены дроссельные шайбы с внутренним диаметром 3,1 мм.
Плиты, выполненные из алюминиевого сплава, могут перемещаться в радиальном направлении от центра ротора, что позволяет компенсировать увеличение обмена продукта при замораживании.
Морозильный аппарат работает следующим образом. Порции рыбы поступают в два дозирующих устройства, установленных на механических весах. Затем рыба пересыпается в окантовки и разравнивается механизмом подпрессоввки, после чего предварительная подпрессовка продукта для получения его равномерной толщины. Далее окантовки с рыбой вместе с листом загрузочного стола передвигаются в межплиточном пространстве аппарата. При обратном движении листа окантовки с рыбой остаются между плитами.
Устройство для выгрузки замороженных блоков в принципе аналогично загрузочному устройству. Оно устанавливает окантовку с рыбой на основание где специальное устройство, состоящее из металлической пластины и гидравлического привода, выдавливает блоки рыбы из окантовок, и они по наклонным направляющим поступают на транспортер. Далее это устройство задвигает их в межплиточное пространство аппарата для последующей загрузки после поворота ротора на угол 6.
Межплиточное пространство двух ячеек, расположенных между положениями загрузки и выгрузки, в процессе работы аппарата остается свободным, т.е. в замораживании участвуют 59 морозильных плит. Привод вращает ротор по тактам. Приводное усиление передается на штифты на боковом фланце ротора. Управление процессами перемещения производится относящимися к МА FGP 25-3 электрораспределительной и гидравлической установками.
Морозильный аппарат особо прочной конструкции. Применённые материалы и антикоррозийная защита соответствует условиям эксплуатации на борту рыбопромысловых судов. В нашем случае на БМРТ типа «Маяковский».
За основу данной холодильной установки взята СХУ типа «Орленок».
4. Расчет характеристик отдельных
узлов и СХУ в целом.
4. Расчет характеристик отдельных узлов и СХУ в целом.
Массивы исходных данных для расчета характеристик отдельных узлов холодильной установки, работающей на морозильном аппарате FGP 25-3.
4.1. Морозильный аппарат FGP 25-3.
Среднее сечение канала плиты.
Единовременная вместимость морозильного аппарата FGP 25-3 Емк=1200 кг.
Количество плит – 60 шт.
Температура забортной вод +30С
Температура наружного воздуха +34С
Длина: ок 4700 мм
Ширина: ок 3200 мм
Высота: ок 2390 мм
Масса без холодильного агента и замораживаемого продукта) 7100 кг.
Средний расход холода одного МА 8140 Вт.
4.2. Конденсатор
Fм=62,6 м2 площадь поверхности
Zх=4 количество ходов
| =3,4 коэффициент оребрен. dвн=15,4 мм внутренний диаметр трубы dнар=0,0019 м наружный диаметр трубы lтр=1550 мм длина одной трубы n=284 количество труб lобщ=440 м общая длина труб. |
4.3. Тандемный винтовой компрессорный агрегат:
Средняя температура кипения КМ СНД (-55)С
Средняя температура кипения КМ СВД (-21)С
Максимальная температура конденсации +37С
Производительность одного тандемного агрегата
(без наддува) 84899 Вт
(с наддувом с целью переохлаждения х.а. в теплообменнике для возврата
масла ) 92800 Вт
Температура масла до КМ 45С ± 10С
Приводная мощность электродвигателей
КМ СНД 52 кВт
КМ СВД 71 кВТ
В состав агрегата входят два винтовых КМ: S3-900, S3-315
- Маслоотделитель:
Емкость – 350 л: Масса 710 кг
- Маслоохладитель: тип С
Охлаждающая поверхность 12 м2
Емкость 1 : 32 л (масло)
2 : 9 л (вода)
Масса 173 кг
- Масляный фильтр
Емкость – 17,5 л: Масса 43,5 кг
- Фильтр всасывания
Емкость – 24 л: Масса 74,5 кг
- Масляный насос
Тип А4 : 2
Расход 2 л/мин
Номинальное давление воды 4 кг/см
Геометрические размеры
Высота 2075 мм
Ширина 1000 мм
Длина 3700 мм
Масса 4000 мм
4.4. Гладкотрубный испаритель:
Теплообменная поверхность 7,8 м2
Внутренний объем 0,026 м2
Внешний объем 0,031 м2
Длина 2120 мм
Ширина 525 мм
Высота 749 мм
4.5. Парожидкостной теплообменник
Емкость 33 дм3
Рабочая температура -60С
Масса 114 кг
4.6. Отделитель жидкости
Емкость 1625 см3
Рабочая температура +55 / -60 С
Рабочее избыточное давление 2,1 МПа
Масса 910 кг
4.7. Линейный ресивер
Емкость 1450 дм3
Рабочая температура -55 С
Рабочее избыточное давление 2,1 МПа
Масса 871 кг
4.8 Водяная система охлаждения включает в себя:
насосы 3 шт.
Тип KR21Q 80/160
Подаваемый объем V – 80 м3/4
Высота подачи 30 м
Число оборотов 2900 об/мин
Мощность 3,9 кВт
КПД 64%
Графики аппроксимации зависимостей p=f(t0); Cp= f(t0); = f(t0); V= f(t0)
представлены на Рис. 4.1 – 4.4.
5. Расчет морозильного аппарата
FGP – 25 – 3
5. Расчет морозильного аппарата FGP – 25 – 3
5.1. Коэффициент теплопередачи от замораживаемой рыбы
к охлаждающей среде.
где:
- внутреннее термическое сопротивление (со стороны продукта), обусловленное неточным контактом продукта с блок-формой и воздушными прослойками.
- термическое сопротивление теплопроводности материала плит, слоя инея, масла, материала блок-форм.
- наружное термическое сопротивление.
Производим расчет нар для вынужденного движения жидкости (без изменения агрегатного состояния).
где В=0,0210,43 Ср0,430,57-0,37 – коэф. учитывающий свойство жидкости
= 1446,1 кг/м3 ;
Ср = 1095,2 кДж/кг К;
=0,12473 Вт/мК ;
= 2,69*10-7 м2/с;
В = 0,021*22,84994*20,27598*0,305284*0,693413*389,0456=801,277
где: f = 686 мм2
n = 105,5 мм
d = 4*686 / 105,5 = 26 мм
W=Gм/fК – скорость движения жидкости, м/с
Gм = 23 м3/4=0,00639 м3/с – производительность насоса
К – количество плит в МА – 60 шт.
Производим расчет нар
Рассчитаем коэффициент теплопередачи от замораживаемой рыбы к охлаждающей среде.
1/вн=0,0026 м2К/Вт
м2К/Вт – суммарное техническое сопротивление теплопроводности
Коэффициент теплопередачи боковых сторон блок-форм, омываемых воздухом.
бф=1,5 мм – толщина окантовки
бф=153 Вт/мК – для алюминиевого сплава
нар.к=8 Вт/мК – коэффициент теплоотдачи при естественной конвекции со стороны воздуха
Средний коэффициент теплопередачи всей блок-формы:
F, F1, F2 – соответственно площади поверхностей крышек блок-форм, боковых стенок, общей (F =F1+F2) поверхности блок-форм.
F =0,548 м2 ; F1=0,411 м2 ; F2=0,137 м2;
5.2 Определение продолжительности замораживания рыбы.
- Первый период замораживания от tнр=20С до t0ср= -1,5С; t0= -55C;
=Кср.пл=88,037 Вт/м2К
1=1092*(0,86-2)-0,9066 *(tнр+1)-21970 *(0,86+60)-2,79*(-tохл)-1,433(tнр+3) – 0,1427 =
= 22,137-(20+1)-0,02465 *55-1,433*(23)-0,1427=0,5234;
- Второй период замораживания от t0ср= -1,5С до tвн.р= -2,5C;
2=95,98*(-tохл)-0,483(0,86)-0,3025 *(tохл)0,1725=
=95,98*(55)-0,483(0,86*88,037)-0,3025 *(55)0,1725 = 13,85+0,0733=1,015 ч;
- Третий период замораживания от tвн.р= -2,5С до tв.к= -25C;
3=947*(-tохл-2)-1,485(0,86)-1,042 *(-tвк-3)0,466(0.86)0,055=
=947*(55-2)-1,485(0,86*88,037)-1,042 *(25-3)0,466(0.86*88,037)0,055=0,178 ч
4.3. Тандемный винтовой компрессорный агрегат:
4.6. Отделитель жидкости















