135813 (722654)
Текст из файла
Р
ГРТА
Кафедра КПРА
Курсовая работа по курсу: “Технологические процессы микроэлектроники”
На тему: ”Усилитель промежуточной частоты”
Выполнил ст. гр. 952
Проверил:
Рязань 2002
Содержание
Кафедра КПРА 1
Рязань 2001 1
Содержание 2
Исходные данные: 3
Введение 4
Анализ технического задания 5
Разработка топологии 6
Резисторы. 6
Конденсаторы 11
Заключение…………………………………………………………………………………………….16
Список литературы 17
И
сходные данные:
Номиналы
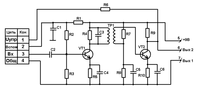
R1, R10 – Резистор 12.0 kОМ 2шт; C1, C4 – Конденсатор 0.03 мкФ 2шт
R2 – Резистор 7.5 kОМ 1шт; С2, С5 – Конденсатор 6800 рФ 2шт
R3 – Резистор 5.0 kОМ 1шт; С3, С6 – Конденсатор 1500 рФ 2шт
R4, R7 – Резистор 15.0 kОМ 2шт;
R5 – Резистор 2.0 kОМ 1шт; VT1, VT2 – Транзистор КТ324В 2шт
R6 – Резистор 510 ОМ 1шт; (СБО.336.031 ТУ)
R8 – Резистор 0.34 kОМ 1шт;
R9 – Резистор 2.8 kОМ 1шт; ТР1 – Трансформатор ВЧ. 1шт
Плату следует изготовить методом фотополитографии.
Эксплуатационные требования: Тр = -150 +400С, tэ = 1000 ч., корпус, серия К151,159.
Введение
Постоянной тенденцией в радиоэлектронике является уменьшение габаритов и масс аппаратуры, повышение ее надежности. До появления интегральных микросхем этот процесс протекал в направлении миниатюризации отдельных элементов. Следующим шагом в миниатюризации было создание техники интегральных микросхем. Этот этап принципиально отличался от предыдущих тем, что в нем аппаратура собирается не из отдельных элементов или модулей, а из функциональных схем, образованных в едином технологическом процессе производства. Основными разновидностями технологии микросхем являются: пленочная, полупроводниковая и смешанная.
В пленочной технологии интегральная микросхема образуется нанесением на диэлектрическую подложку в определенной последовательности пленок из соответствующих материалов. Изготовленные таким образом микросхемы называются пленочными интегральными микросхемами (ПИМС). Разновидностью ПИМС являются гибридные интегральные микросхемы (ГИМС), у которых часть элементов, имеющих самостоятельное конструктивное оформление, вносится в виде навесных деталей.
Чрезвычайным важными характеристиками микросхем является степень интеграции и плотность упаковки. Степень интеграции представляет показатель сложности микросхемы и характеризуется числом содержащихся в ней элементов и компонентов. Плотностью упаковки называется отношение числа элементов и компонентов микросхемы к ее объему.
Анализ технического задания
В данной курсовой работе необходимо разработать топологический чертеж усилителя промежуточной частоты. Топологическим называется такой чертеж интегральной микросхемы, в котором указана форма, местоположение и коммутативная связь элементов на подложке. В разработку топологии микросхемы входит: расчет геометрии каждого пленочного элемента и допусков на его размеры, выбор материала для них; определение оптимальных условий расположения пленочных и навесных элементов (при этом должны учитываться рассеиваемые мощности элементов, возможные паразитные связи между ними и их влияние на электрические параметры микросхемы); расчет размеров и выбор материала подложки, определение последовательности и выбор технологии напыления пленок.
Плату данного устройства необходимо изготовить фотолитографическим методом, т.е. нужные конфигурации пленок получают в процессе травления. Данная плата должна стабильно работать диапазоне температур от –15 до +400С.
Разработка топологии
Резисторы.
В гибридных интегральных микросхемах широко применяются тонкопленочные резисторы. Сопоставляя физические свойства пленок с техническими требованиями к параметрам резистора, выбирают подходящий материал. При этом руководствуются следующими соображениями: необходимо, чтобы резистор занимал возможно меньшую площадь, а развиваемая в нем температура не должна нарушать стабильность параметров, ускорять процессы старения, выводить величину сопротивления за рамки допуска. По возможности стараются применить более толстые пленки, т.к. у очень тонких ухудшается стабильность сопротивления.
Из сказанных выше соображений выбираем сплав РС-3710, у которого имеются следующие характеристики: диапазон сопротивлений 10…20000 Ом, Удельное сопротивление 100…2000 Ом/, Удельная мощность 20 мВт/мм2, ТКС M = 3.5*10-4, = 1.5*10-4, коэффициент старения MКСТ = 2*10-6 ч-1, КСТ = 0.1*10-6.
Так же имеются конструкционные и технологические ограничения: минимальная длинна резистора l0 = 0.1 мм, минимальная ширина резистора b0 = 0.05 мм, минимальная длинна контактного перехода lк = 0.1 мм, минимальное расстояние между краями перекрывающих друг друга пленочных элементов h = 0.05 мм.
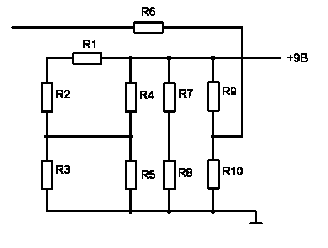
Д
ля дальнейшего расчета резисторов необходимо знать их рассеиваемую мощность. Для этого воспользуемся, как бы, упрощенным методом. Для этого все реактивные элементы заменяем на их эквивалент по средней частоте работы схемы, т.е. схема будет выглядеть следующим образом Рис 2:
Необходимые для расчета номиналы берем из исходных данных стр. 3, допустимое относительное отклонение сопротивления от номинального значения для всех резисторов составляет
.
Для дальнейшего расчета мощности можно воспользоваться следующей формулой:
(1)
а для расчета тока в цепи воспользуемся законом Ома:
(2).
Определим ток в цепи резисторов R9 и R10, для чего подставим в формулу (2) соответствующие данные:
Далее определим мощность резисторов R9 и R10 в отдельности, для этого воспользуемся формулой (1):
Для резистора R9:
мВт.
Для резистора R10:
мВт.
Аналогично и для остальных резисторов:
Ток в цепи R7 и R8:
Мощность:
Для резистора R7:
мВт.
Для резистора R8:
мВт.
При помощи уравнений Кирхофа находим остальные токи:
Ток в цепи R1 и R2:
А.
Мощность:
Для резистора R1:
мВт.
Для резистора R2:
мВт.
Ток в цепи R4
А.
Мощность:
Для резистора R4:
мВт.
Ток в цепи R3
А.
Мощность:
Для резистора R3:
мВт.
Ток в цепи R5
А.
Мощность:
Для резистора R5:
мВт.
Дальнейший расчет резисторов будем проводить в соответствии с [ ].
R1 и R10 = 12 kОм.
Зададимся коэффициентом влияния = 0.03 и вычислим коэффициенты влияния:
;
;
;
.
Определим среднее значение и половины полей рассеяния относительной погрешности сопротивления, вызванной изменением температуры по следующим формулам:
;
(3).
где
- среднее значение температурного коэффициента сопротивления резистивной пленки.
,
- верхняя и нижняя предельные температуры окружающей среды.
;
(4).
;
(5).
Таким образом, подставляя исходные данные в формулы (3) – (5) получаем следующее:
;
;
;
;
.
Определим среднее значение и половину поля рассевания относительной погрешности сопротивления, вызванное старением резистивного материала по формулам:
(7);
(6),
где
- среднее значение коэффициента старения резистивной пленки сопротивления.
- половина поля рассеяния коэффициента старения сопротивления резистивной пленки.
;
(7).
;
(8).
Таким образом, получаем следующее:
(9);
(9);
;
(10)
Определим допустимое значение случайной составляющей поля рассеяния суммарной относительной погрешности сопротивления по следующей формуле:
;
(11)
где:
,
,
Положив МRПР = 0, тогда:
;
(12)
Определим допустимое значение случайной составляющей поля рассеяния производственной относительной погрешности сопротивления по следующей формуле:
(13)
Подставим вычисленные выше значения в данную формулу, получим:
Определим допустимое значение случайной составляющей поля рассеяния производственной относительной погрешности коэффициента формы, по следующей формуле:
(14)
Подставим значения и получим:
Определим расчетное значение коэффициента форм резистора:
(15)
Определим ширину резистивной пленки:
мм.
мм. (16)
мм.
мм.(17)
мм.
мм.
(18)
Определим сопротивление контактного перехода резистора:
(19)
(20)
Проверим следующее условие:
(21)
Определим длину резистора:
мм.
мм.(22)
Теперь определим среднее значение коэффициента формы:
(23)
Определим среднее значение МRПР и половину поля рассеяния RПР относительной производственной погрешности:
(24)
% (24)
(25)
(26)
(27)
Определим граничные условия поля рассеяния относительной погрешности сопротивления резистора:
%
% (28)
% (29)
% (30)
Определяем длину резистивной пленки и площадь резистора:
мм.
мм2. (31)
Характеристики
Тип файла документ
Документы такого типа открываются такими программами, как Microsoft Office Word на компьютерах Windows, Apple Pages на компьютерах Mac, Open Office - бесплатная альтернатива на различных платформах, в том числе Linux. Наиболее простым и современным решением будут Google документы, так как открываются онлайн без скачивания прямо в браузере на любой платформе. Существуют российские качественные аналоги, например от Яндекса.
Будьте внимательны на мобильных устройствах, так как там используются упрощённый функционал даже в официальном приложении от Microsoft, поэтому для просмотра скачивайте PDF-версию. А если нужно редактировать файл, то используйте оригинальный файл.
Файлы такого типа обычно разбиты на страницы, а текст может быть форматированным (жирный, курсив, выбор шрифта, таблицы и т.п.), а также в него можно добавлять изображения. Формат идеально подходит для рефератов, докладов и РПЗ курсовых проектов, которые необходимо распечатать. Кстати перед печатью также сохраняйте файл в PDF, так как принтер может начудить со шрифтами.
сходные данные:















